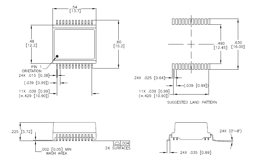
трансформатор Lan модуля 13.7*12.2*5.72mm SMD H7028NL магнитный
Описание:
| ПАРАМЕТР | СПЕЦИФИКАЦИИ | ||
| РАБОЧАЯ ТЕМПЕРАТУРА | 0 - 70 | ||
| КОЭФФИЦИЕНТ ПОВОРОТОВ | 1,00 ±2% | ||
| ПОЛЯРНОСТЬ | В SCHEMTIC | ||
| ВНОСИМАЯ ПОТЕРЯ | 100KHz | 1-500 MHz | |
| -3,0 dB МАКС | -1,0 dB МАКС (- .6 ТИПА dB) | ||
| ВОЗВРАЩЕННАЯ ПОТЕРЯ (ВЫХОД Z = 100 ОМОВ ±15%) | 2-100MHz | 100MHz-500MHz | |
| -25 МИНУТА dB | -11+17*LOG10 (f/400 MHz) | ||
| ИНДУКТИВНОСТЬ (OCL) | 120uH ПЕЧАТАЮТ @ 100KHz, 100mV | ||
| ПОМЕХА, СМЕЖНАЯ КАНАЛЫ | 1-100MHz | 100-500MHz | |
| -40 МИНУТА dB | -30 МИНУТА dB | ||
| ВХОД-ВЫХОД ИЗОЛЯЦИЯ | МИНУТА 1500 VRMS @ 60 СЕКУНД | ||
трансформатор Lan модуля 13.7*12.2*5.72mm SMD H7028NL магнитный
Форма и размеры:
