Аудио ИМПа ульс H7019NL/трансформатор одиночной фазы телекоммуникаций/Lan используемый в PCB
Описание:
T1/E1 SMD и ПОГРУЖЕНИЕ изолировало трансформаторы
Трансформаторы интерфейса ISDN-U/S
T3/DS3, T4/DS4 изолировало трансформаторы,
Трансформаторы интерфейса ADSL
Модули высокопроходного/низкопроходного фильтра VDSL и трансформаторы интерфейса
Подобный брендам как ИМП ульс, Bothhand, здравствуйте, YCL и части бренда перепада.
Аттестованный для тяжелой изоляции согласно с EN 41003/EN 60950
Для интерфейсов строки T1/E1/CEPT/ISDN-PRI
изоляция 1.5KV-3KVrms
Через-отверстие, держатель ПОГРУЖЕНИЯ
Поверхностный типа Держател модуль
Соответствуенный к ведущему приемопередатчику ICs
Рабочая температура: 0 к 70°C
Температура хранения: -25 к 125°C
Вносимая потеря: 100kHz к 100MHz
Потеря возвращения: 30, 60 и 80MHz
Перекрестные помехи: 30, 62 и 100MHz
Подгонянные дизайны приняты
Уступчивый с директивами RoHS
Аудио ИМПа ульс H7019NL/трансформатор одиночной фазы телекоммуникаций/Lan используемый в PCB
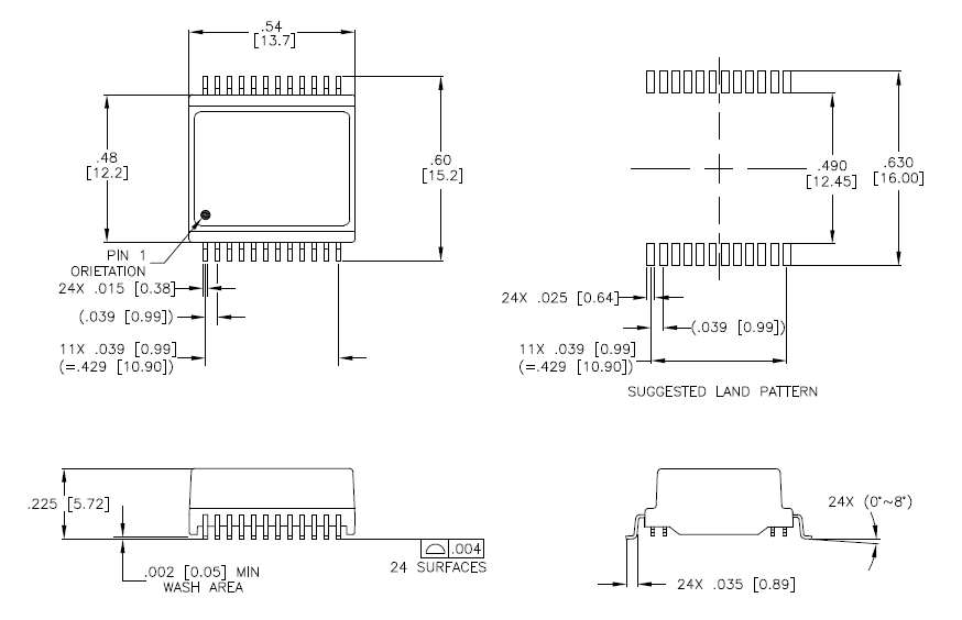
Форма и размеры:
