10/100/1000/10G соединитель основания H6080NL Amp/bnc Rj45 с трансформатором Lan
Описание:
трансформатор Lan порта 1.Quad
2.ColiStructure: Toroidal
трансформатор 3.100base-t
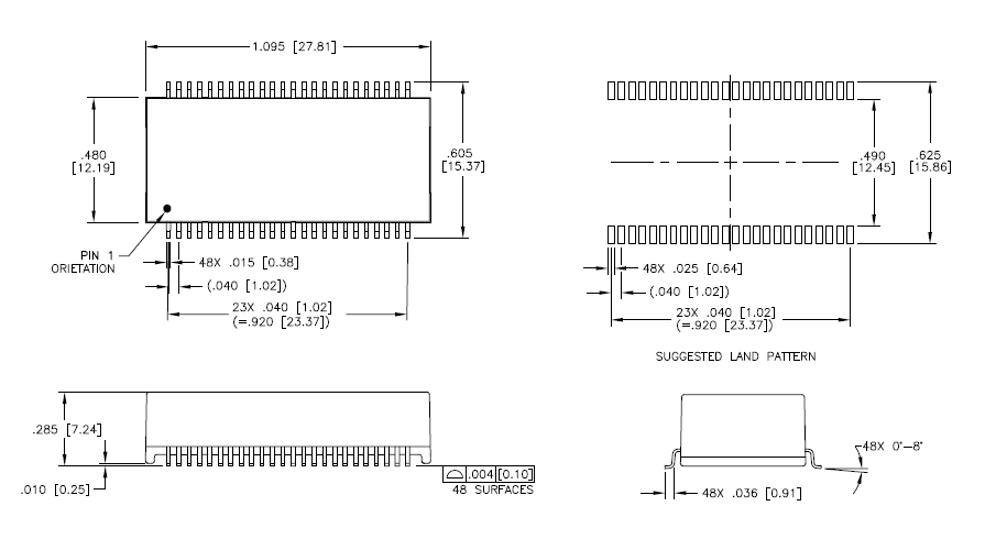
4.SMD, 48pins
Представление 5.IEEE 802.3af/ANSI X3.263 уступчивое
6.Designed для применений телефона или переключателя IP
10/100/1000/10G соединитель основания H6080NL Amp/bnc Rj45 с трансформатором Lan
Форма и размеры:
