1CT: Трансформатор Lan локальных сетей изоляции порта H6103FNL квадрацикла 1CT
Описание:
С модулем Magnetics 10/100/1000/Base-T.
Они широко использованы в применениях РС карты/тетради, wireles.
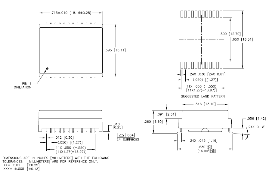
Размер: 18.16*15.11*6.6mm
Применение: Трансформатор RF, фильтр сети и изолированный трансформатор
Материал: магнитное ядр, медная проволока, пластиковая катушка
Грузя термина: UPS DHL Federal Express TNT EMS
1CT: Трансформатор Lan локальных сетей изоляции порта H6103FNL квадрацикла 1CT
Форма и размеры:
