соединитель 24pins H7018NL с фильтром трансформатора 1000base Lan
Описание: Описание:
Модули трансформатора и фильтра LAN для фильтра сети и изолированного трансформатора.
Конструировал соотвествовать IEEE802.3. LAN (фильтр) ИМПа ульс XFMR, LAN-Mater (RJ-45 + XFMR/LED)
Дроссели единого режима, VoIP XFMR, ISDN, T1, CEPT, XFMR
Линия XFMR ADSL, VDSL XFMR/filter
Микро- splitter фильтра (сторона CO/CPE)
Водители POE (силы над локальными сетями)
10/100 оснований, основания-TX сети модули 1000 фильтра
T1/E1 SMD и ПОГРУЖЕНИЕ изолировало трансформаторы
Трансформаторы интерфейса ISDN-U/S
T3/DS3, T4/DS4 изолировало трансформаторы,
Трансформаторы интерфейса ADSL
Модули высокопроходного/низкопроходного фильтра VDSL и трансформаторы интерфейса
Подобный брендам как ИМП ульс, Bothhand, здравствуйте, YCL и части бренда перепада.
соединитель 24pins H7018NL с фильтром трансформатора 1000base Lan
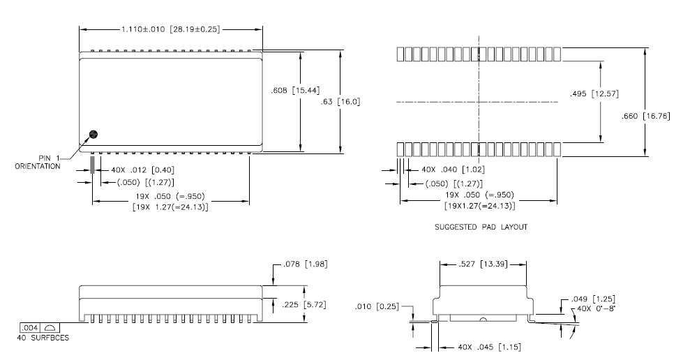
Форма и размеры:
