Одиночный гаван 10/00 трансформаторов H1199FNL изоляции локальных сетей BASE-T
Описание:
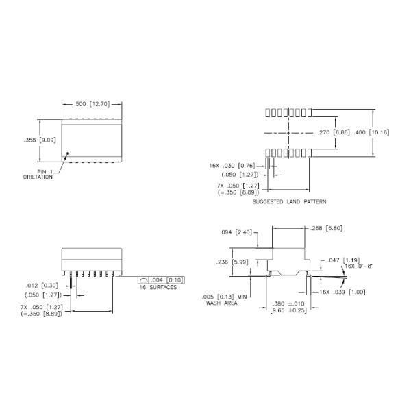
Размер: 12.7*9.09*5.99mm
Ядр нет: 2
Pin нет: 16
Индуктивность: uH МИНУТА 350
Тип: трансформатор lan
Скорость: 10/100Base-T
Hi-бак: 1500Vrms
| ПАРАМЕТР | СПЕЦИФИКАЦИИ | ||
| РАБОЧАЯ ТЕМПЕРАТУРА | 0 - 70 | ||
| КОЭФФИЦИЕНТ ПОВОРОТОВ | 1: 1 ±2% | ||
| ПОЛЯРНОСТЬ | В SCHEMTIC | ||
| ВНОСИМАЯ ПОТЕРЯ | 100KHz | 1-125 MHz | |
| -1,2 dB МАКС | -0,2 dB МАКС ^1,4 -0.002*f | ||
| ВОЗВРАЩЕННАЯ ПОТЕРЯ (ВЫХОД Z = 100 ОМОВ ±15%) | 1-30MHz | 30-60HMz | 60-80MHz |
| -16 МИНУТА dB | -10+20*LOG10 (f/60 MHz) МИНУТА dB | -10 МИНУТА dB | |
| ИНДУКТИВНОСТЬ (OCL) (СРЕДСТВА МАССОВОЙ ИНФОРМАЦИИ ВСТАЮТ НА СТОРОНУ, 0 -70) | uH МИНУТА 350 (MEASUREN НА 100KHz, 100mVRMS И С DC 8mA КОСЫМ) | ||
| ПОМЕХА, СМЕЖНАЯ КАНАЛЫ | 1MHz | 10-100MHz | |
| -50 МИНУТА dB | -50+22*LOG 10 (f/10) МИНУТА dB | ||
| ДИФФЕРЕНЦИАЛ К СБРОСУ ЕДИНОГО РЕЖИМА | 1MHz | 30-200MHz | |
| МИНУТА -42dB | -15+20*LOG 10 (f/10) МИНУТА dB | ||
| СОПРОТИВЛЕНИЕ DC ЗАМОТКА 1/2 | .65 ОМА МАКСИМАЛЬНЫЙ | ||
| СОПРОТИВЛЕНИЕ DC РАЗНИЦА | .065 ОМА МАКСИМАЛЬНЫЙ (СИММЕТРИЯ ВЫВОДА СРЕДНЕЙ ТОЧКИ) | ||
| ВХОД-ВЫХОД ИЗОЛЯЦИЯ | МИНУТА 1500 VRMS @ 60 СЕКУНД | ||
Одиночный гаван 10/00 трансформаторов H1199FNL изоляции локальных сетей BASE-T
Форма и размеры:
