Дроссель единого режима трансформатора Lan порта одиночного ядра H1190NL одиночный
Описание:
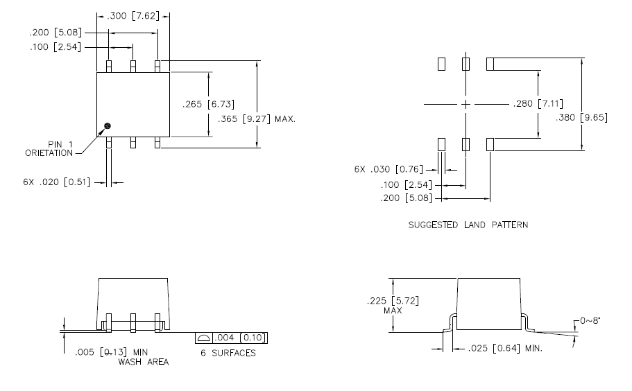
Размер: 7.62*9.27*5.72mm
Ядр нет: 1
Pin нет: 6
Индуктивность: uH МИНУТА 400
Тип: трансформатор lan
Скорость: 10/100Base-T
Hi-бак: 1500Vrms
Дроссель единого режима трансформатора Lan порта одиночного ядра H1190NL одиночный
Форма и размеры:
