Одиночный гаван 24 трансформатора Lan изоляции локальных сетей штырей H5004ENL
Описание:
Рабочая температура: 0℃~70℃.
Коэффициент поворотов: 1CT: 1CT
Полярность: В схему
Вносимая потеря: 100KHz: -1.2dB Макс
Индуктивность: uH МИНУТА 350
Минута 1500VRMS @ 60 секунд
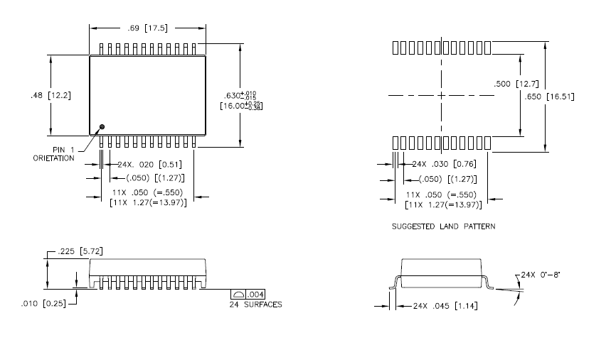
Размер: 17.5*12.2*5.72mm
Pin: 24
Ядр нет: 4
Скорость: 1000Base-T
RoHS: с
Установка: SMD/SMT
Одиночный гаван 24 трансформатора Lan изоляции локальных сетей штырей H5004ENL
Форма и размеры:
