Небольшие модули H5077NL Мини-Magnetics следа ноги 1000Base-T одиночные гаван
Описание:
Электротехнические условия @ 25°C - рабочая температура 0°C к +70°C
| Часть Номер | Ввод Потеря (dB МАКС) | Потеря возвращения (МИНУТА @ 100 w dB) | Дифференциальный к Общее Сброс режима (МИНУТА dB) | Помеха (МИНУТА dB) | Hipot (МИНУТА Vrms) | |||||||
| 1-100 MHz | 1-30 MHz | 40-50 MHz | 60-80 MHz | 100 MHz | 30 MHz | 60 MHz | 100 MHz | 30 MHz | 60 MHz | 100 MHz | ||
| H5077NL | 1 | -18 | -16 | -12 | -10 | -43 | -37 | -33 | -45 | -40 | -35 | 1500 |
| H5079NL | 1 | -18 | -16 | -12 | -10 | -43 | -37 | -33 | -45 | -40 | -35 | 1500 |
Небольшие модули H5077NL Мини-Magnetics следа ноги 1000Base-T одиночные гаван
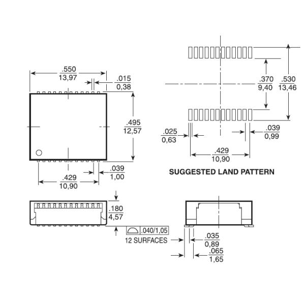
Форма и размеры:
