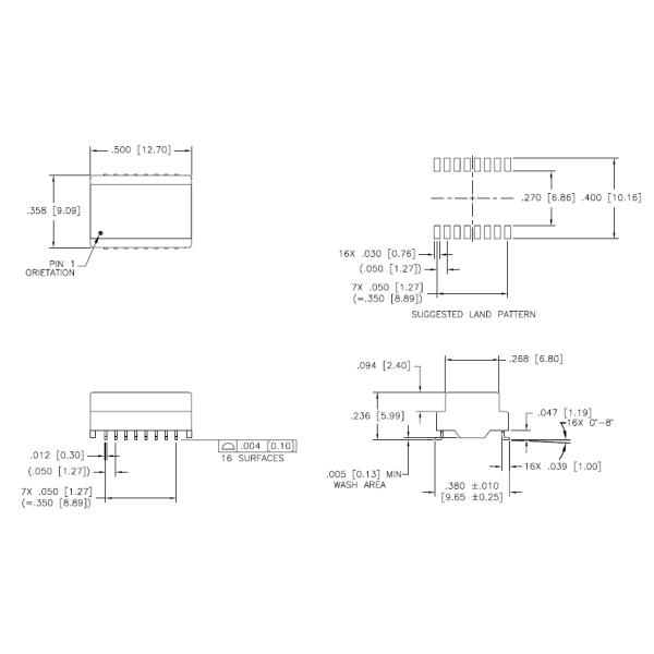
трансформатор E2457FNL Lan локальных сетей 10/100Base-T 12.7*10.16*5.99mm
Описание:
| Параметр | Спецификации |
| Рабочая температура | 0℃-70℃ |
| Полярность | В схему |
| Коэффициент поворотов | (1-3): (14-16) =1CT: 1CT ±1% (6-8): (9-11) =1CT: 1CT ±5% |
| Замотка емкости к обматывать | 12 pF МАКС (на mVRMS 100KHz 20) |
| Сопротивление DC | 0,3 ОМА МАКСИМАЛЬНЫЙ |
| Индуктивность рассеяния | 0,2 uH МАКС |
| Изоляция вход-выхода | МИНУТА 1500 VRMS @ 60 секунд |
трансформатор E2457FNL Lan локальных сетей 10/100Base-T 12.7*10.16*5.99mm
Форма и размеры:
