Трансформатор H5062FNL магнитный для силы над применением локальных сетей
Описание:
Модули трансформатора и фильтра LAN для фильтра сети и изолированного трансформатора.
Линия XFMR ADSL, VDSL XFMR/filter
Микро- splitter фильтра (сторона CO/CPE)
Водители POE (силы над локальными сетями)
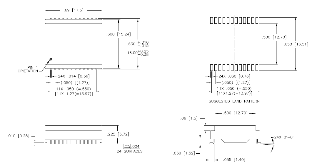
Размер: 17.5*15.24*5.72mm
Pin: 12+12 штыря
Трансформатор H5062FNL магнитный для силы над применением локальных сетей
Форма и размеры:
