Трансформатор локальных сетей Lan ядра феррита E2081NL высокочастотный
Описание:
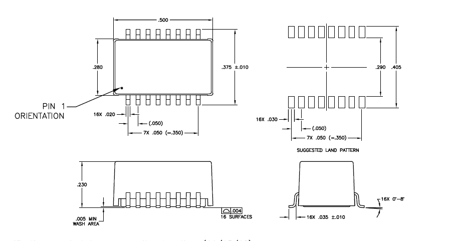
трансформатор порта 1.Single
трансформатор 2.10/100 оснований-t
3.Type: SMT/SMD
4. Структура катушки: Toroidal
| ПАРАМЕТР | СПЕЦИФИКАЦИИ |
| КОЭФФИЦИЕНТ ПОВОРОТОВ | (1-2): (16-15) = (3-4): =1:1 ±5% (14-13) (5-6): (12-11) = (7-8): (10-9) =1:1±5% |
| ИНДУКТИВНОСТЬ РАССЕЯНИЯ | .20 uH МАКС (на mVRMS 100KHz 20) |
| Индуктивность (OCL) | (1-2) = (3-4) = (5-6) = (7-8) uH МИНУТА =140 (На mVRMS 100KHz 20) |
| Соединяя емкость | 12,0 pF МАКС (на mVRMS 100KHz 20) |
| ИЗОЛЯЦИЯ RESISANCE | (2-3) = (4-5) = (6-7) МИНУТА =1 K MOHMS НА DC 50 V (14-15) = (12-13) = (10-11) МИНУТА =1 K MOHMS НА DC 50 V |
| Вход-выход изоляция | МИНУТА 1500 VRMS @ 60 СЕКУНД |
Трансформатор локальных сетей Lan ядра феррита E2081NL высокочастотный
Форма и размеры:
