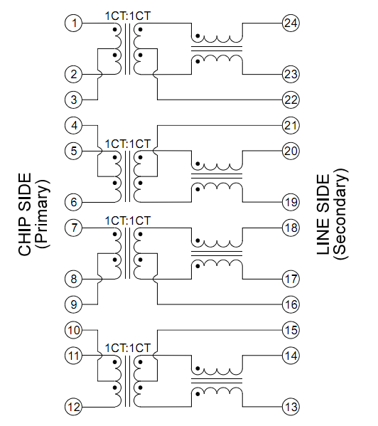
Модули 824-00462R изоляции канала 10GBASE-T 30-Pin SMD 5 одиночные гаван
ЭЛЕКТРИЧЕСКАЯ СПЕЦИФИКАЦИЯ @25℃:
| ПАРАМЕТРЫ | БЛОК | ПО КАЖДОМУ КАНАЛ |
| Коэффициент поворотов (основной): (Вторичный) | - | 1CT: 1CT ± 2% |
| Полярность (основная): (Вторичный) | - | В схему |
| Индуктивность, l s (основное) @100KHz, 0.1Vrms | uH | Минута 350 |
| Вносимая потеря @0.3-100MHz | dB | Минута 1,0 |
| Возвращенная потеря @0.5-40MHz | dB | Минута 18 |
| Возвращенная потеря @40-60MHz | dB | Минута 15 |
| Возвращенная потеря @60-80MHz | dB | Минута 12 |
| Возвращенная потеря @80-100MHz | dB | Минута 10 |
| CMRR @0.3-32MHz | dB | Минута 42 |
| CMRR @32-100MHz | dB | Минута 33 |
| Помеха @0.3-100MHz, между каналами | dB | Минута 35 |
| Hipot (основное): (Вторичный) | Vrms | Минута 1500 |
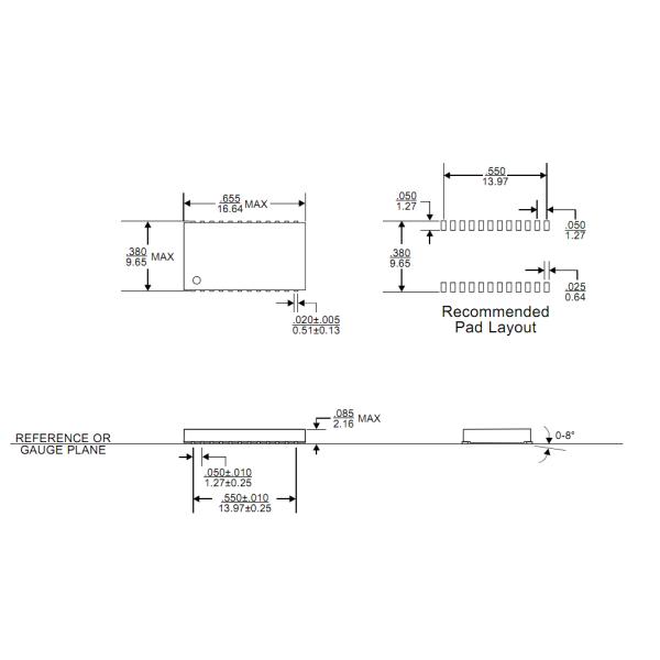
Размеры:

