Трансформатор режима переключателя MA5632-AL для водителя трансформатора Texas Instruments SN6501
Характер продукции:
Трансформатор изоляции для водителя трансформатора Texas Instruments SN6501.
Особенность:
| Часть number1 | Pri/sec напряжение тока | Индуктивность минимальный (μH) | DCR максимальный (омы) | Утечка индуктивность максимальный (μH) | Вольт-время продукт (V-μsec) | Сила (W) | Коэффициент поворотов pri: sec | |
| pri | sec | |||||||
| MA5632-AL | 3,3 v до 5,0 v | 17,8 | 0,086 | 0,219 | 0,464 | 17,6 | 2,0 | 1: 2 |
1.Inductance измерило на 100 КГц, 0,1 Vrms, 0 Adc
2. индуктивность рассеяния измерила на 100 КГц, 0,1 Vrms с вторичными штырями замкнула накоротко.
3. SRF измерило с катушками соединятьыми последовательно используя Agilent/HP 4192 или эквивалент.
4. температурная амплитуда рабочей температуры −40°C к +125°C.
5. электротехнические условия на 25°C.
Трансформатор режима переключателя MA5632-AL для водителя трансформатора Texas Instruments SN6501
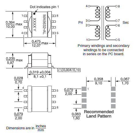
Форма и размеры:

Изображение продукта:

Трансформатор режима переключателя MA5632-AL для водителя трансформатора Texas Instruments SN6501
КАК ПРИКАЗАТЬ
1. Пожалуйста отправьте мной ваши схему данных или номер детали вам.
2. Мы предложим цитату замены для вашей ссылки
3. Свободные образцы доступны для вашего утверждения.
4. После того как образец испытывая, мы шагнет в массовый заказ.
5. Proforma фактура отправит для вашего подтверждения
6. После того как товары закончили, мы отправляем товары в вас и говорим вам отслеживая номер.
7. Мы будем отслеживать ваши товары до тех пор пока вы не получите товары.
Примечания:
1. заказы образца доступны.
2. цена могуща быть предметом переговоров для заказов большого количества.
3. подгонянные заказы (заказы OEM/ODM) доступны.
4. свяжитесь мы для доступного списка вкусов. Международные аттестации:
1. ISO9001: 2008
2. UL
3. достигаемость
4. RoHs
Наше обслуживание:
1. 100% испытанное перед грузить
2. Имейте альтернативу для венчика, Pluse, Мы-онлайн, Chilisin, Coilcraft ...... такое же качество но лучшая цена
3. свободный образец доступный
4. обеспечьте новый дизайн для клиента