Трансформаторы водителя основания/ворот трансформатора режима переключателя SD250-1L
Характер продукции:
Трансформаторы низкопробных/ворот водителя
Особенность:
| Номер детали | Коэффициент поворотов ±3% (pri: sec)
| Основная замотка | Емкость, pri к sec (максимальный)
| DCR, каждое раздел (максимальный)
| |||
| Индуктивность (минута) 1 | Утечка индуктивность (максимальный) | DCR | Вольт-время продукт | ||||
| SD250-1L | 1: 1 | 1,5 mH | μH 4,0 | 0,4Ω | 375 V-μsec | 50 pF | 0,75Ω |
| SD250-2L | 1: 1,5 | 1,5 mH | μH 4,0 | 0,4Ω | 375 V-μsec | 50 pF | 2.5Ω |
| SD250-3L | 1: 1: 1 | 1,5 mH | μH 4,0 | 0,4Ω | 375 V-μsec | 50 pF | 0.75Ω |
| SD250-4L | 1: 1,5: 1,5 | 1,5 mH | μH 4,0 | 0,4Ω | 375 V-μsec | 50 pF | 2.5Ω |
1. Измеренный на 1 Vrms, 15,75 КГц.
2. температурная амплитуда рабочей температуры – 40°C к +85°C.
3. электротехнические условия на 25°C.
Трансформаторы водителя основания/ворот трансформатора режима переключателя SD250-1L
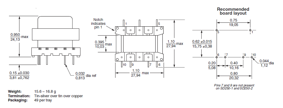
Форма и размеры:

Изображение продукта:

Трансформаторы водителя основания/ворот трансформатора режима переключателя SD250-1L
КАК ПРИКАЗАТЬ
1. Пожалуйста отправьте мной ваши схему данных или номер детали вам.
2. Мы предложим цитату замены для вашей ссылки
3. Свободные образцы доступны для вашего утверждения.
4. После того как образец испытывая, мы шагнет в массовый заказ.
5. Proforma фактура отправит для вашего подтверждения
6. После того как товары закончили, мы отправляем товары в вас и говорим вам отслеживая номер.
7. Мы будем отслеживать ваши товары до тех пор пока вы не получите товары.
Примечания:
1. заказы образца доступны.
2. цена могуща быть предметом переговоров для заказов большого количества.
3. подгонянные заказы (заказы OEM/ODM) доступны.
4. свяжитесь мы для доступного списка вкусов. Международные аттестации:
1. ISO9001: 2008
2. UL
3. достигаемость
4. RoHs
Наше обслуживание:
1. 100% испытанное перед грузить
2. Имейте альтернативу для венчика, Pluse, Мы-онлайн, Chilisin, Coilcraft ...... такое же качество но лучшая цена
3. свободный образец доступный
4. обеспечьте новый дизайн для клиента