Характер продукции:
Трансформатор привода ворот для пользы с регуляторами силы TI UCD3138 цифров.
Особенность:
| Часть number1 | Повороты коэффициент | Основной индуктивность ±25% (μH) | Утечка индуктивность максимальный (μH) | DCR максимальный (Омы) | Вольт-время продукт (V-μsec) | SRF тип (MHz) | Емкость максимальный (pF) |
| GA3550-BL | 1: 1: 1 | 460 | 1,15 (Pri [a]) 1,25 (Pri [b])
| 0,410 (Pri [a]) 0,475 (Pri [b]) 0,440 (sec) | 165 | 5,85 | 34,0 (1 до 10) 10,5 (1 до 5) |
1. Индуктивность измерила на 100 КГц, 0,1 Vrms, 0 Adc используя Agilent/
Анализатор или эквивалент импеданса HP 4263B.
2. пиковым основным ввод напряжения нарисованный течением минимум.
3. индуктивность рассеяния для первичного и измерена с вторичным
замкнутый накоротко.
4. выход замотки P1 10 v, 20 мам.
5. изоляция: 3000 Vrms, одна минута первичная к вторичному;
500 Vrms, замотки одн-минуты, который нужно вырезать сердцевина из
6. электротехнические условия на 25°C.
Трансформатор режима переключателя GA3550-BL для пользы с регуляторами силы TI UCD3138 цифров
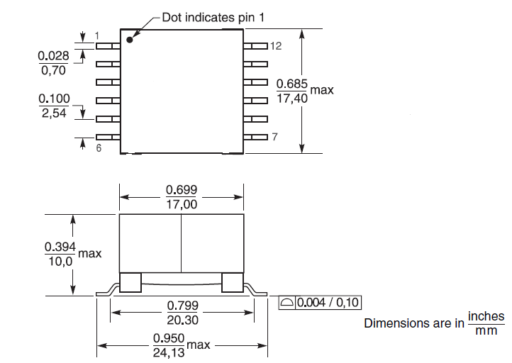
Форма и размеры:

Изображение продукта:

Трансформатор режима переключателя GA3550-BL для пользы с регуляторами силы TI UCD3138 цифров
КАК ПРИКАЗАТЬ
1. Пожалуйста отправьте мной схему данных или номер детали вам.
2. Мы предложим цитату замены для вашей ссылки
3. Свободные образцы доступны для вашего утверждения.
4. После того как образец испытывая, мы шагнет в массовый заказ.
5. Proforma фактура отправит для вашего подтверждения
6. После того как товары закончены, мы отправляем товары в вас и говорим вам отслеживая номер.
7. Мы будем отслеживать ваши товары до тех пор пока вы не получите товары.
Примечания:
1. заказы образца доступны.
2. цена могуща быть предметом переговоров для заказов большого количества.
3. подгонянные заказы (заказы OEM/ODM) доступны.
4. свяжитесь мы для доступного списка вкусов. Международные аттестации:
1. ISO9001: 2008
2. UL
3. достигаемость
4. RoHs
Наше обслуживание:
1. 100% испытанное перед грузить
2. Имейте альтернативы для венчика, ИМПа ульс, XFMRS, Мы-онлайн, Chilisin, Coilcraft ...... такое же качество но лучшая цена.
3. свободный образец доступный
4. обеспечьте новый дизайн для клиента