750315144 IBTI изолировали трансформаторы самца оленя для приводов ворот и op-amps
Характеристики
Применения
Электрические свойства:
|
ПАРАМЕТР |
УСЛОВИЯ ИСПЫТАНИЙ |
ЗНАЧЕНИЕ |
|
D.C. СОПРОТИВЛЕНИЕ 5-8 |
@20℃ |
0,320 ома ±10% |
|
D.C.RESISTANCE 1-3 |
@20℃ |
1,600 ома ±10% |
|
D.C. СОПРОТИВЛЕНИЕ 2-4 |
@20℃ |
1,600 ома ±10% |
|
ИНДУКТИВНОСТЬ 5-8 |
10kHz, 100mVAC, Ls |
80uH ±10% |
|
ТЕЧЕНИЕ САТУРАЦИИ |
rolloff 20% от инициала |
500mA |
|
ИНДУКТИВНОСТЬ РАССЕЯНИЯ 5-8 |
связь (1+2+3+4), 100kHz, 100mVAC, Ls |
тип 1.4uH., 2.1uH максимальное. |
|
ДИЭЛЕКТРИК 1-5 |
связь (2+3), 490VAC, 1 минута |
625VAC, 2 секунды |
|
ДИЭЛЕКТРИК 1-4 |
500VAC, 2 секунды |
|
|
КОЭФФИЦИЕНТ ПОВОРОТОВ |
(1-3): (5-8) |
2:1, ±1% |
|
КОЭФФИЦИЕНТ ПОВОРОТОВ |
(2-4): (5-8) |
2:1, ±1% |
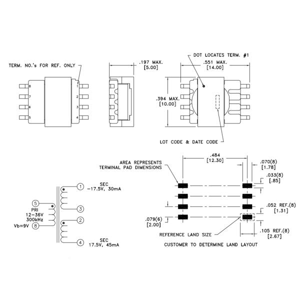
Форма и размеры:

Изображение продукта:

750315144 IBTI изолировали трансформаторы самца оленя для приводов ворот и op-amps
О нас
CO. технологии ShareWay, LTD. специализированный изготовитель компонентов PoE, продуктов включает трансформатор PoE, PoE RJ45 Magjack, трансформатор Lan PoE, фильтр Lan PoE, и так далее.
Установленный в 1998, мы имеем около 500 штат в настоящее время. С обильной производительной способностью, мы можем поставить товары в течение короткого времени. Кроме того, мы можем обеспечить профессиональное полное решение для применений PoE. Наши продукты широко использованы в сети и оборудовании связи как модемы ЭПИЦЕНТРА ДЕЯТЕЛЬНОСТИ, РС карт, переключателя, маршрута, ПК Mainboard, SDH, PDH, и xDSL.
История компании
1997 CO. технологии ShareWay, LTD. было основано в Шэньчжэне, Гуандуне, Китае. Начните продажу
дискретные трансформаторы LAN, T1/E1 и линия трансформатор xDSL.
1999 установленное основание в Шэньчжэне, начало продукции производящ трансформаторы PoE, T1/E1
и линия трансформатор xDSL.
2000 получил аттестацию ISO9000.
2000 развейте соединитель PoE RJ45 который с трансформаторами LAN.
2002 развейте SMT и вертикальный соединитель PoE RJ45 с магнитным.
2008 развейте индуктор и дроссели силы SMT/DIP
Свяжитесь мы теперь для того чтобы иметь решение для вашего проекта и новый дизайн, мы всегда готовы делить наш успешный путь с вами.
КАК ПРИКАЗАТЬ
1. Пожалуйста отправьте мной ваши схему данных или номер детали вам.
2. Мы предложим цитату замены для вашей ссылки
3. Свободные образцы доступны для вашего утверждения.
4. После того как образец испытывая, мы шагнет в массовый заказ.
5. Proforma фактура отправит для вашего подтверждения
6. После того как товары закончены, мы отправляем товары в вас и говорим вам отслеживая номер.
7. Мы будем отслеживать ваши товары до тех пор пока вы не получите товары.
Примечания:
1. заказы образца доступны.
2. цена могуща быть предметом переговоров для заказов больших количеств.
3. подгонянные заказы (заказы OEM/ODM) доступны.
4. свяжитесь мы для доступного списка вкусов. Международные аттестации:
1. ISO9001: 2008
2. UL
3. достигаемость
4. RoHs
Наше обслуживание:
1. 100% испытанное перед грузить
2. Имейте альтернативы для венчика, Pluse, Мы-онлайн, Chilisin, и Coilcraft ...... такое же качество но лучшая цена
3. свободные образцы доступные
4. обеспечьте новый дизайн для клиента