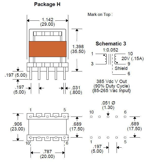
Индуктор поддержки ER28L EPC3246-12 1000uH 100Hz PFC
| Поддержка PFC | ER28L | 18,25: 1,000 | 310,0 | 1000 | 85 - 265Vac | 20V / 0.15A | N/A | N/A | N/A | 0,00 | 0,00 | 0,00 | 0,00 | 0,00 | 0,00 | 100 |







Примечания:
1. Финиш руководства: Горячий Sn или SnCu погружения олова
2. пиковая оценка припоя: 260°C
3. вес: Граммы TBD
4. упаковывая лента & вьюрок информации: Части TBD/поднос
КАК ПРИКАЗАТЬ
1. Пожалуйста отправьте мной ваши схему данных или номер детали вам.
2. Мы предложим цитату замены для вашей ссылки
3. Свободные образцы доступны для вашего утверждения.
4. После того как образец испытывая, мы шагнет в массовый заказ.
5. Proforma фактура отправит для вашего подтверждения
6. После того как товары закончили, мы отправляем товары в вас и говорим вам отслеживая номер.
7. Мы будем отслеживать ваши товары до тех пор пока вы не получите товары.
Примечания:
1. заказы образца доступны.
2. цена могуща быть предметом переговоров для заказов большого количества.
3. подгонянные заказы (заказы OEM/ODM) доступны.
4. свяжитесь мы для доступного списка вкусов. Международные аттестации:
1. ISO9001: 2008
2. UL
3. достигаемость
4. RoHs
Наше обслуживание:
1. 100% испытанное перед грузить
2. Имейте альтернативу для венчика, Pluse, Мы-онлайн, Chilisin, Coilcraft ...... такое же качество но лучшая цена
3. свободный образец доступный
4. обеспечьте новый дизайн для клиента