| Номер детали Shareway | Номер детали торговца | Тариф даты | Полная сила | Течение в пары | Рабочая температура | Максимальная высота (mm) |
| SC8704NL | WA8704-AL | Гигабит | 150W | 1.5A | -40~+85℃ | 10,16 |
ЭЛЕКТРИЧЕСКОЕ ℃ SPECFICATIONS@25:
1. коэффициент поворота (±3%) 1CT: 1CT
2. вносимая потеря (dB МАКС): -1.1dB (1-500MHz)
3. потеря возвращения (МИНУТА dB): -18dB (1-40MHz), - (f/40MHz) dB 17+10log (40-500MHz)
4. перекрестные помехи (ТИП dB): -40dB (1-100MHz), - 30dB (100-500MHz)
5. CDMR (ТИП dB): -30dB (1-250MHz), -22dB (250-500MHz)
6. HI-POT: 1500Vrms/0.5mA/60Sec или 1650Vrms/0.5mA/2Sec
7. температурная амплитуда рабочей температуры: 0℃ К +70℃
8. диапазон температур хранения: -40℃ К +85℃
9. соответствие RoHS: УТВЕРДИТЕЛЬНЫЙ ОТВЕТ


Размеры трансформатора 150W 1.5A PoE пути сигнала WA8704-ALD PoE плюс Magnetics SC8704NL:

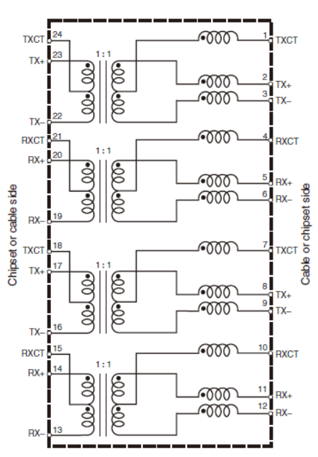
Схемы трансформатора 150W 1.5A PoE пути сигнала WA8704-ALD PoE плюс Magnetics SC8704NL:

Почему мы?
Работающ со всемирными ВЕРХНИМИ клиентами бренда включая Хониуэлл, Jabil, NorthBound сети, с быстрым временем выполнения и высококачественный,
мы всегда делаем наших клиентов счастливый, вы смогли быть следующее одним:).
Shareway предпочитаемый поставщик Хониуэлл.
Shareway ST0531NL использовано в сигнале тревоги Хониуэлл безопасностью.
Jabil OEM для этого проекта.
Shareway предпочитаемый поставщик NorthBound сетей.
Shareway SRJ2113ABNL использовано в сетях переключателя ЗОДИАКА FX OpenFlow NorthBound.
Northbound сети OEM для этого проекта.



Q: Могу я иметь образцы для испытывая качества?
: Да, вы можете купить некоторые образцы любого из наших продуктов для испытывая качества и рынка
Q: Что срок поставки если мы делаем заказ заказ?
: он зависит от количеств заказа. Обычно, мы можем поставить товары не позднее 3-5 рабочих дней для небольших заказов, для более большого количества, позволили нам подтвердить когда вы оффициальное распоряжение места.
Q: Вы принимаете OEM/ODM?
: Мы поддерживаем обслуживание OEM/ODM, мы поворачиваем вашу идею в реальность.
Q: Могу я иметь мой собственный логотип на продуктах?
Да, вы можете положить ваш логотип на продукты с необходимым количеством заказа. Пожалуйста как раз отправить нами информацию о вашем логотипе.
Q: Сделайте ваши продукты соотвествуйте CE/ROHS?
Да, товары с аттестацией CE/ROHS одобрены для того чтобы убеждаться высококачественное.
Как изготовитель, мы можем обеспечить срок поставки согласно официальному контракту.
Эффективные отделы покупать, который и продукции нужно позволить мы поставить товары в срок и нас могут обеспечить изумляя обслуживание после продажи. Чего мы обеспечиваем высокопоставленные продукты с высокопоставленным обслуживанием. Позвольте нам поговорить более подробно для того чтобы сделать его случиться.