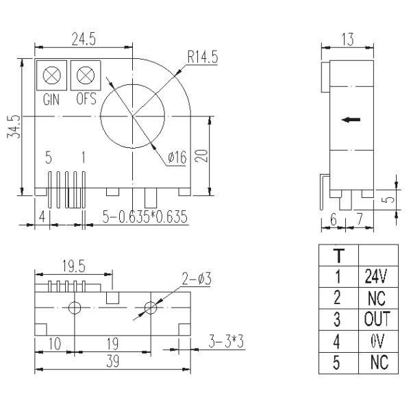
Входной сигнал 300A датчика эффекта Холла режима незамкнутой сети серии HKC-LBS5 настоящий, подача напряжения 24V
Датчик5серий HKC-LBS настоящий прибор незамкнутой сети основанный на измеряя принципе эффекта Холла, с гальванической изоляцией между первичной и вторичной цепью. Он предусматривает точное электронное измерение DC, AC или пульсированных течений. настоящий датчик можно использовать к
Особенности:
ЭЛЕКТРИЧЕСКИЕ ДАННЫЕ:
| HKC50LBS5 | HKC100LBS5 | HKC200LBS5 | HKC300LBS5 | ||
| Расклассифицированное течение входного сигнала | 50 | 100 | 200 | 300 | |
| Ряд теста настоящий | 75 | 150 | 300 | 450 | |
| Напряжение тока требуемой производительности | 0.625±1% | V | |||
| Подача напряжения | 24±5% | V | |||
| Нул смещений напряжения тока | 2.5±0.025 | V | |||
| Текущее потребление | ≤20 | мамы | |||
| Линеарности | ≤±1 | %FS | |||
| Время на ответ | <5 | µs | |||
| Смещение температуры выхода | ≤±3 | mV/℃ | |||
| Нул смещений температуры | ≤±1 | mV/℃ | |||
| Напряжение тока изоляции 50(60) HZ, 1min | 2,5 | KV | |||
| Рабочая температура | -10~+80 | ℃ | |||
| Температура хранения | -40~+85 | ℃ | |||

Примечания: Технические характеристики изделия можно подгонять