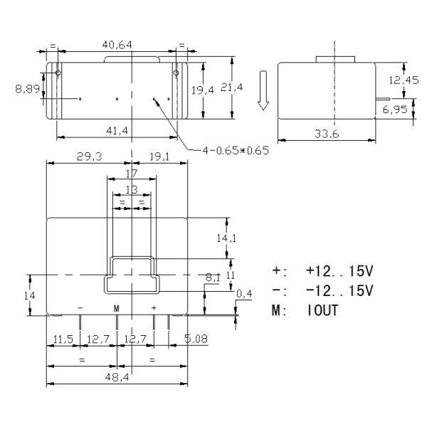
Датчик серии ХБК-ЛАП настоящий с гальванической изоляцией между первичной и вторичной цепью. Она предусматривает точное электронное измерение ДК, АК или пульсированных течений.
| 1. Положительна когда Ип пропускает в направлении стрелки. |
| 2. Температура основного проводника не должна превысить ℃ 100. |
| 3. Динамические характеристики тест с одиночным баром совершенно заполняя основное отверстие. |
| 4. Основное поворачивает кругом на верхнюю часть датчика для того чтобы выполнить самую лучшую магнитную муфту. |
ЭЛЕКТРИЧЕСКИЕ ДАННЫЕ:
| ХБК100ЛАП | ХБК125ЛАП | ХБК200ЛАП | ||
| Расклассифицированное течение (ИПН) | 100 | 125 | 200 | А |
| Ряд измерения (ИП) | 0~±200 | 0~±200 | 0~±300 | А |
| Течение требуемой производительности (ИСН) | 100±0.5% | 125±0.5% | 100±0.5% | мамы |
| Подача напряжения (±5%) | ±12~±15 | В | ||
| Потеря течения поставки | 16 (@±15В) +ИС | мамы | ||
| Сопротивление теста | @±ИПНмакс витх±12В | 14 (минута) 52 (максимальный) | 0 (минута) 26 (максимальный) | Ω |
| @±ИПмакс | 14 (минута) 17 (максимальный) | 0 (минута) 4 (максимальный) | Ω | |
| @±ИПНмакс витх±15В | 40 (минута) 72 (максимальный) | 0 (минута) 56 (максимальный) | Ω | |
| @±ИПмакс @±300Амакс | 40 (минута) 40 (максимальный) | 0 (минута) 8 (максимальный) | Ω | |
| Поворачивает коэффициент | 1:1000 | 1:1000 | 1:2000 | |
| Сопротивление Сек | 33 | 33 | 76 | Ω |
| Смещенное течение | ≤±0.2 | мамы | ||
| Смещенное настоящее смещение | ≤±0.5 | мамы | ||
| Время на ответ | <1 | µс | ||
| Линеарности | ≤±0.2 | %ФС | ||
| Напряжение тока изоляции | 50(60) ХЗ, 1мин, 3 | КВ | ||
| ди/дт | >100 | А/μс | ||
| Ширина полосы частот (- 3дБ) | ДК… 100 | КГц | ||
| Рабочая температура | -40~+85 | ℃ | ||
| Температура хранения | -40~+105 | ℃ | ||

Особенности:
Применения:
Примечания: Технические характеристики изделия можно подгонять