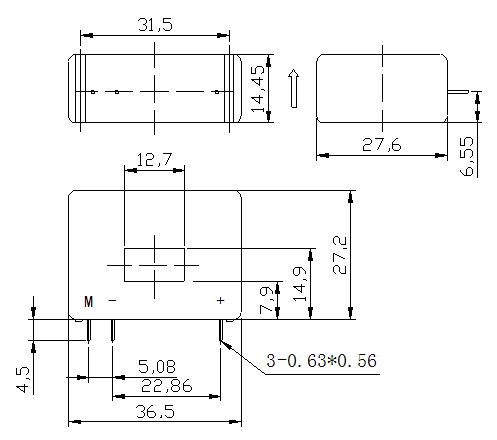
Датчик совершенно нового и первоначального эффекта Холла настоящего датчика серии HBC-LA настоящий с 0 к рабочему току 100A
Датчик серии HBC-LA настоящий с гальванической изоляцией между первичной и вторичной цепью. Она предусматривает точное электронное измерение DC, AC или пульсированных течений.
Внимание:
Особенности:
Применения:
ЭЛЕКТРИЧЕСКИЕ ДАННЫЕ:
| Деталь | HBC25LA | HBC50LA | HBC75LA | HBC100LA | |
| Расклассифицированное течение входного сигнала | 25 | 50 | 75 | 100 | |
| Ряд теста настоящий | 0~±38 | 0~±75 | 0~±105 | 0~±150 | |
| Коэффициент поворотов | 1:1000 | 1:1000 | 1:1500 | 1:2000 | |
| Импеданс замотки Sec | 30 | 30 | 30 | 30 | Ω |
| Течение требуемой производительности | 25±0.5% | 50±0.5% | мамы | ||
| Подача напряжения | ±15 DC ±5% | V | |||
| Возместите течение | ≤±0.2 | ≤±0.15 | мамы | ||
| Смещенное настоящее смещение | тип ±0.5mA Макс ±0.1mA | тип ±0.5mA Макс ±0.1mA | мамы | ||
| Линеарности | ≤±0.2 | %FS | |||
| Ширина полосы частот (- 3db) | 0~200 | КГц | |||
| Время на ответ (100A/us) | ≤1 | мы | |||
| Напряжение тока изоляции | 3.0/50HZ, 1min ИЛИ 60HZ, 1min | KV | |||
| Рабочая температура | -40~+85 | ℃ | |||
| Температура хранения | -40~+105 | ℃ | |||

Примечания: Технические характеристики изделия можно подгонять