CF8 2" запорная заслонка нержавеющей стали конца фланца класса 150 ручная
Что запорная заслонка?
Запорную заслонку можно определить как тип клапана который использовал ворота или тип диск и диск клин двигает
перпендикуляр, который нужно пропустить для начала или для того чтобы остановить потока жидкости в тубопроводе.
Запорная заслонка самый общий тип клапана используемый в любом перерабатывающем предприятии. Это используемый клапан линейного движения
начать или остановить поток жидкости. В обслуживании, эти клапаны или в полно открытом или полно закрытой позиции.
Когда запорная заслонка полно открыта, диск запорной заслонки совершенно извлечется из подачи. Поэтому
виртуально отсутствие сопротивления, который нужно пропустить. Должный к этому очень маленькие падения давления когда жидкие пропуски через запорную заслонку.
Достигает свойственного запечатывания, когда клапан полно закрыт, контакт поверхности 360° необходим, что между диском и местами.
Запорные заслонки не должны быть использованы для регулировки или дросселировать подачи потому что точный контроль не возможен.
Высокая скорость подачи в частично открытый клапан может причинить размывание диска и поверхности стула
и также создает вибрацию и шум.
Запорная заслонка FS-GTF, тело API603, CF8M и отделка 12 API (верхний слой stellite),
ANSI классифицирует 150 фланцов RF, ASME B16.10 лицом к лицу, скрепленный болтами bonnet, управляемый маховичок.
Размер: 2 ″ – ″ 6 (DN50 – DN150)
Варианты: Тело WCB и альтернативные отделки.
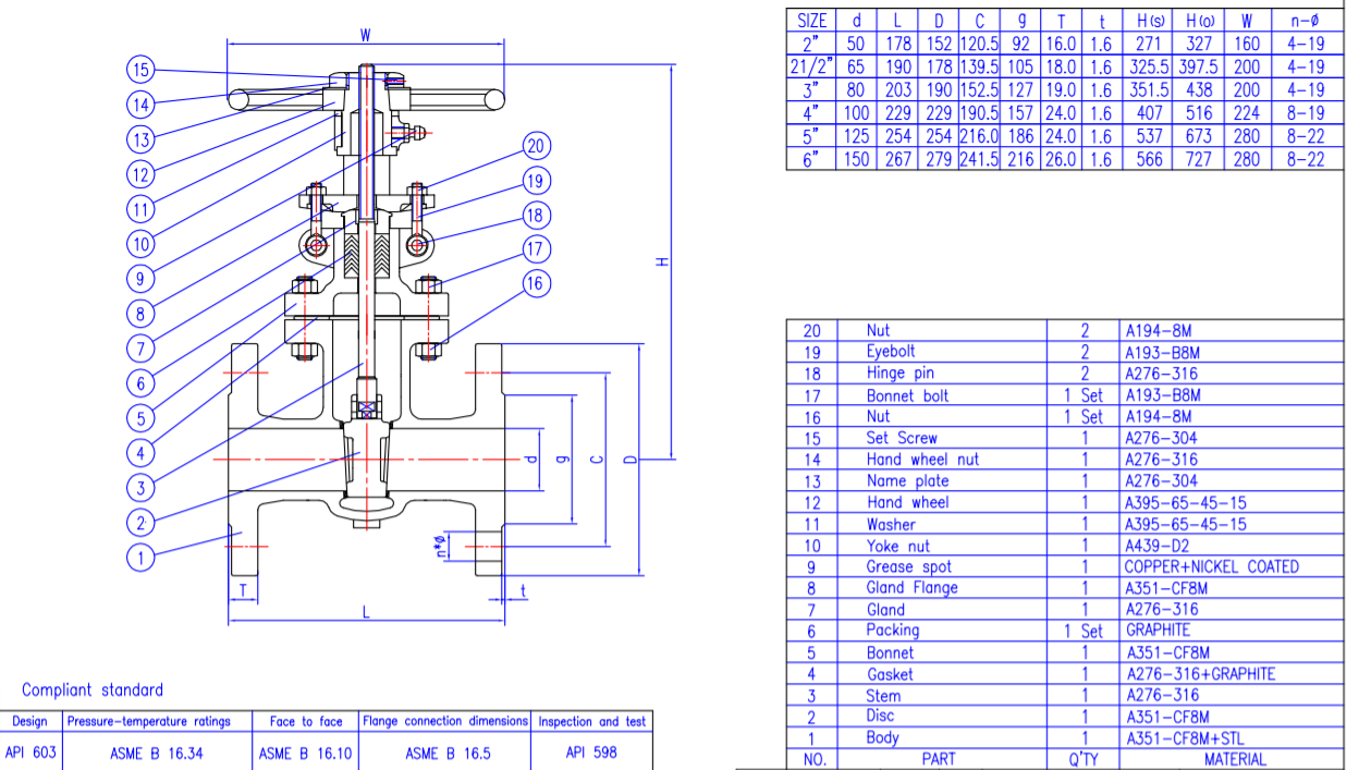
| Тип клапана | ЗАПОРНАЯ ЗАСЛОНКА CS/SS - FL/BW | |
| Дизайн Std | BS EN ISO 10434 [] BS 1414/API 600/API 602/API 603/ASME B16.34 | |
| Ряд размера | 40 DN до 400 DN [1 1/2» до 16"] | |
| Тело | [CS - GR WCB] ASTM a 216 [SS - ASTM a 351 Gr.CF8/CF8M] | |
| Отделка | AISI 410/304/316 | |
| Место/клин | Cr 13%. Сталь/AISI 410/304/316 | |
| Конструктивные особенности | Скрепленный болтами Bonnet, операционная система & YT, HW & шестерня работали | |
| Prorating | ASME - Класс 150/300/600 | |
| Лицом к лицу | ASME b 16,10/EN 558 -1/API 6D | |
| Соединение конца | Служенный фланцем | ASME B16.5, КЛАССИФИЦИРУЮТ 150/300/600 |
| Сварное соединение встык | ASME B16.25 | |
| Испытывая STD. | BS EN 12266 ДО 1 [] BS 6755-1/API 598 | |
| Опционный | Кольцо фонарика/индикатор & запирать смотреть на способный к возрождению места/Stellite прибора трудный/закрытые кожухом фланцы обеспечения/RTJ/расположением пропуска/более высокими размерами/особенным MOC: Аустенитовые и двухшпиндельные нержавеющие стали | |
| PN | DN | Размер (mm) | ||||||
| L | D | D1 | D2 | B | N-φ | H | ||
| 1.6MPa | 25 | 160 | 115 | 85 | 65 | 14 | 4-14 | 275 |
| 32 | 180 | 135 | 100 | 78 | 16 | 4-18 | 280 | |
| 40 | 200 | 145 | 110 | 85 | 16 | 4-18 | 330 | |
| 50 | 230 | 160 | 125 | 100 | 16 | 4-18 | 350 | |
| 65 | 290 | 180 | 145 | 120 | 18 | 4-18 | 370 | |
| 80 | 310 | 195 | 160 | 135 | 20 | 8-18 | 400 | |
| 100 | 350 | 215 | 180 | 155 | 20 | 8-18 | 415 | |
| 125 | 400 | 245 | 210 | 185 | 22 | 8-18 | 460 | |
| 150 | 480 | 280 | 240 | 210 | 24 | 8-23 | 510 | |
| 200 | 550 | 335 | 295 | 265 | 26 | 12-23 | 710 | |
| 250 | 650 | 405 | 355 | 320 | 30 | 12-25 | 786 | |
| 300 | 750 | 460 | 410 | 375 | 30 | 12-25 | 925 | |
Типы запорных заслонок
3 пути расклассифицировать запорную заслонку.
Типы диска
Твердый клин конусности
Гибкий клин
Разделите клин или параллельный клапан дисков
Типы соединения Bonnet тела
Привинченный Bonnet
Скреплять болтами-Bonnet
Сваривать-Bonnet
Bonnet Давлени-уплотнения
Типы движения стержня
Поднимая стержень или операционная система & тип y (вне типа стержня и винта)
Не-поднимая тип стержня
Применения запорной заслонки
Запорные заслонки использованы в почти всех жидких обслуживаниях как воздух, газ топлива, feedwater, пар, масло lube, углерод, и все большинств все обслуживания.
Некоторая особенная запорная заслонка использована в продукте slurry и порошка также как запорная заслонка ножа
Преимущества запорной заслонки
Запорная заслонка обеспечивает хорошее
Падение давления во время деятельности гораздо более менее.
Большую часть из запорной заслонки можно использовать как двухнаправленный
Они соответствующие для высокого применения давления и температуры и требовать меньше обслуживания
Не-поднимая запорная заслонка стержня или клапан винта человека внутри

Никакое восходящее движение стержня в не-поднимая типе стержня. Диск клапана продет нитку внутренне.
Диск путешествует вдоль стержня как гайка когда стержень вращан. Вы можете увидеть изображение. В этом типе клапана,
потоки стержня подвергаются действию средства подачи.
Поэтому, этот дизайн использован где космос ограничен для того чтобы позволить линейному движению стержня, и средство подачи делает
не размывание, корозия, или носка и разрыв причины для происхождения материала. Этот тип клапана также известный как клапан винта человека внутри.
