AS2129 запорная заслонка утюга таблицы d дуктильная, жизнерадостная усаженная запорная заслонка
Что запорная заслонка?
Запорную заслонку можно определить как тип клапана который использовал ворота или тип диск и диск клин двигает перпендикуляр для того чтобы пропустить для начала или для того чтобы остановить потока жидкости в тубопроводе.
Запорная заслонка самый общий тип клапана используемый в любом перерабатывающем предприятии. Это клапан линейного движения используемый для начала или для того чтобы остановить потока жидкости. В обслуживании, эти клапаны или в полно открытом или полно закрытой позиции.
Когда запорная заслонка полно открыта, диск запорной заслонки совершенно извлечется из подачи. Поэтому виртуально отсутствие сопротивления, который нужно пропустить. Должный к этому очень маленькие падения давления когда жидкие пропуски через запорную заслонку.
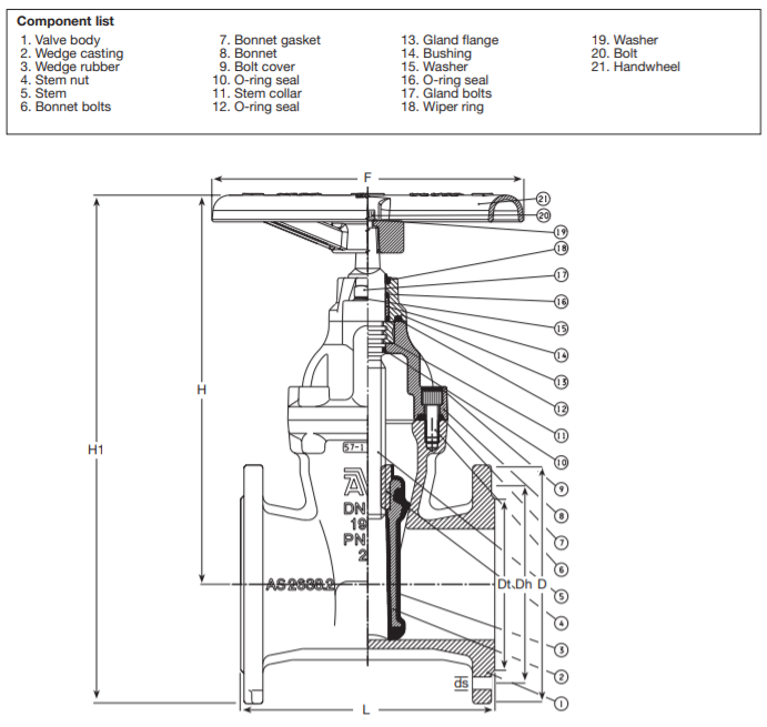
Достигает свойственного запечатывания, когда клапан полно закрыт, контакт поверхности 360° необходим, что между диском и местами.
Запорные заслонки не должны быть использованы для регулировки или дросселировать подачи потому что точный контроль не возможен.
Высокая скорость подачи в частично открытый клапан может причинить размывание диска и поверхности стула
и также создает вибрацию и шум.
Жизнерадостная усаженная запорная заслонка, маховичок работала, дуктильное тело утюга (FBE покрыло внутренне/внешне),
служенный фланцем кончает к AS4087 B5 (AS2129 таблице d) класс 16 - одобренный к AS2638.2
″ → 16 ″ размеров 2 (DN50→ DN400)
* варианты: Ключевой переходник, коробка передач, монтажный флаец ISO для возбуждения
| Тип клапана | ЗАПОРНАЯ ЗАСЛОНКА CS/SS - FL/BW | |
| Дизайн Std | BS EN ISO 10434 [] BS 1414/API 600/API 602/API 603/ASME B16.34 | |
| Ряд размера | 40 DN до 400 DN [1 1/2» до 16"] | |
| Тело | [CS - GR WCB] ASTM a 216 [SS - ASTM a 351 Gr.CF8/CF8M] | |
| Отделка | AISI 410/304/316 | |
| Место/клин | Cr 13%. Сталь/AISI 410/304/316 | |
| Конструктивные особенности | Скрепленный болтами Bonnet, операционная система & YT, HW & шестерня работали | |
| Prorating | ASME - Класс 150/300/600 | |
| Лицом к лицу | ASME b 16,10/EN 558 -1/API 6D | |
| Соединение конца | Служенный фланцем | ASME B16.5, КЛАССИФИЦИРУЮТ 150/300/600 |
| Сварное соединение встык | ASME B16.25 | |
| Испытывая STD. | BS EN 12266 ДО 1 [] BS 6755-1/API 598 | |
| Опционный | Кольцо фонарика/индикатор & запирать смотреть на способный к возрождению места/Stellite прибора трудный/закрытые кожухом фланцы обеспечения/RTJ/расположением пропуска/более высокими размерами/особенным MOC: Аустенитовые и двухшпиндельные нержавеющие стали | |
Типы запорных заслонок
3 пути расклассифицировать запорную заслонку.
Типы диска
Твердый клин конусности
Гибкий клин
Разделите клин или параллельный клапан дисков
Типы соединения Bonnet тела
Привинченный Bonnet
Скреплять болтами-Bonnet
Сваривать-Bonnet
Bonnet Давлени-уплотнения
Типы движения стержня
Поднимая стержень или операционная система & тип y (вне типа стержня и винта)
Не-поднимая тип стержня
Применения запорной заслонки
Запорные заслонки использованы в почти всех жидких обслуживаниях как воздух, газ топлива, feedwater, пар, масло lube, углерод, и все большинств все обслуживания.
Некоторая особенная запорная заслонка использована в продукте slurry и порошка также как запорная заслонка ножа
Преимущества запорной заслонки
Запорная заслонка обеспечивает хорошее
Падение давления во время деятельности гораздо более менее.
Большую часть из запорной заслонки можно использовать как двухнаправленный
Они соответствующие для высокого применения давления и температуры и требовать меньше обслуживания
Польза:
Для воды, нечистот и нейтрального жидкостного клапана применений конструированных для пользы до 70°C где применимого;
КАК соответствие 4020, максимальные temp = примечание 40°C: Всегда наблюдайте что материал труба порекомендовало рабочие температуры
Материалы:
Фланец железы, дуктильный утюг, 500-7 к телу КАК 1831 и bonnet
Покрывая эпоксидная смола скрепленная сплавливанием - внутренне и внешне до КАК 4158
Произойдите нержавеющая сталь 431
Стержень герметизируя кольцо счищателя NBR, 2 колцеобразного уплотнения NBR
Утюг клина дуктильный, 500-7 до КАК 1831, ядр полно вулканизированный с резиной EPDM, с объединенной гайкой клина
латунь dezincification устойчивая, CZ 132 к КАК 2345
Полиамид втулки
Толкнутый воротник и латунь Dezincification устойчивая, коробка уплотнения CZ стержня 132 до КАК 2345
Болты DN50 Bonnet - DN250 нержавеющая сталь 304, загерметизированная с горячим расплавьте DN300 - DN400 ранг 12,9, загерметизированная с горячим плавят
Нержавеющая сталь фланца железы 316 болтов
Набивка EPDM Bonnet резиновое
Утюг маховичка дуктильный к КАК 1831
Тесты:
Гидравлический тест к КАК 2638,2: Место: тело 16 баров: 24 теста вращающего момента бара работая
Опционные экстра:
ISO наборов набивкой фланца крышки стержня служа фланцем для сверлить фланца коробки передач возбуждения определенный потребителем
