DIN 6914 - болты высокопрочной впрыски структурные
Настоящая норма: EN 14399-4 DIN
Соответствующие нормы: ISO 7411; PN 82343; UNI 5712; ЕС 781;
    
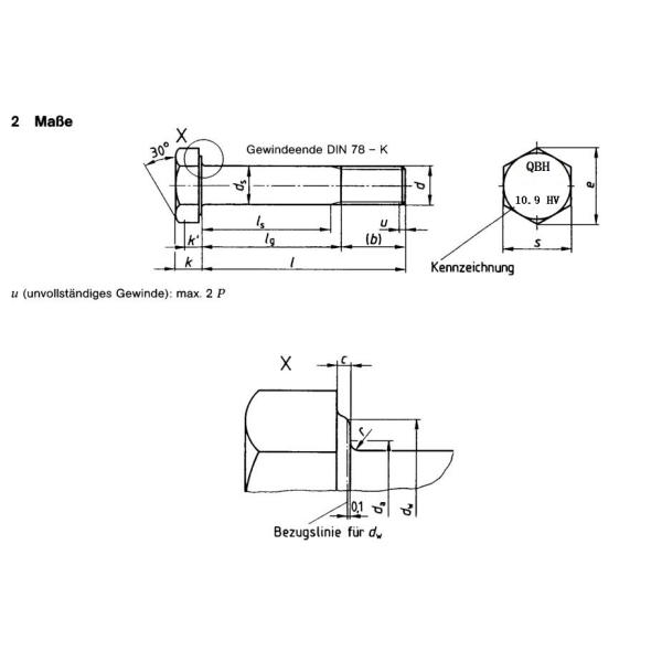
  Болт шестиугольника DIN 6914 (ANSI b 18.2.3.7 m ISO 7412 - NEN 5511 -) с большой шириной через квартиры для высокий растяжимый структурный скреплять болтами.
    
  Изготовитель ISO & поставщики аттестованные 9001:2008 DIN 6914 SS – болты с шестигранной головкой для высокопрочного Struct. Скрепляющ болтами, изготовитель болтов с шестигранной головкой DIN 6914, поставщик болтов с шестигранной головкой DIN 6914, производитель болтов с шестигранной головкой DIN 6914, высокопрочный шум 6914 болтов с шестигранной головкой, шум 6914 черных болта с шестигранной головкой окиси, болт титана наговора шума 6914, болт с шестигранной головкой DIN 6914 ранга 8,8, 4,8 болт с шестигранной головкой шума 6914 гальванизировал, болт наговора DIN 6914 структурный, болт наговора шума 6914 двойной, болт с шестигранной головкой DIN 6914 высокопрочные и гайка, болт с шестигранной головкой Din 6914 стандартный, болт прочности головы наговора DIN 6914 плоский.
    
  главная форма, стиль привода, тип потока, стандарт, размер, длина threath, допуск, материалы, класс прочности, возможные покрытия и много других спецификаций. DIN 6914 болта действует как releasable элемент соединения или закрепления для всех типов компонентов. Большее часть из DIN 6914 болта сделана стали, нержавеющей стали, латуни, алюминия, ржавчины и кислотоупорных материалов, теплостойких сплавов, легированной стали, unalloyed стали или особенных сплавов с различными качеством и прочностями. DIN 6914 болта доступно во всех возможных размерах для главным образом использованный в конструкции машиностроения, автомобильных и стальных.
    
    
  Механическая норма выработки: ISO898-1
    
    
   
  
  
   
    
       
DIN 6914 – болты с шестигранной головкой для высокопрочного Struct. Скрепляя болтами поверхностные покрытия
    
   	- Горячее окунутое гальванизированное DIN 6914 – болты с шестигранной головкой для высокопрочного Struct. Скреплять болтами
- Фосфат покрыл DIN 6914 – болты с шестигранной головкой для высокопрочного Struct. Скреплять болтами
- PTFE покрыло DIN 6914 – болты с шестигранной головкой для высокопрочного Struct. Скреплять болтами
- Xylon покрыло DIN 6914 – болты с шестигранной головкой для высокопрочного Struct. Скреплять болтами
- Цинк покрыл DIN 6914 – болты с шестигранной головкой для высокопрочного Struct. Скреплять болтами
- Кадмий покрыл DIN 6914 – болты с шестигранной головкой для высокопрочного Struct. Скреплять болтами
- Electro DIN покрытое цинком 6914 – болты с шестигранной головкой для высокопрочного Struct. Скреплять болтами
- Electro DIN покрытое кадмием 6914 – болты с шестигранной головкой для высокопрочного Struct. Скреплять болтами
- Керамическое заполненное PTFE покрыло DIN 6914 – болты с шестигранной головкой для высокопрочного Struct. Скреплять болтами
- Electroless DIN покрытое никелем 6914 – болты с шестигранной головкой для высокопрочного Struct. Скреплять болтами
- DIN покрытое никелем 6914 цинка – болты с шестигранной головкой для высокопрочного Struct. Скреплять болтами
- Алюминиевое покрытое DIN 6914 – болты с шестигранной головкой для высокопрочного Struct. Скреплять болтами
- Серебряное покрытое DIN 6914 – болты с шестигранной головкой для высокопрочного Struct. Скреплять болтами
- Оцинковывайте/никель DIN 6914 электросаждения – болты с шестигранной головкой для высокопрочного Struct. Скреплять болтами
- DIN 6914 Dacromet – болты с шестигранной головкой для высокопрочного Struct. Скреплять болтами
- DIN 6914 Geomet – болты с шестигранной головкой для высокопрочного Struct. Скреплять болтами