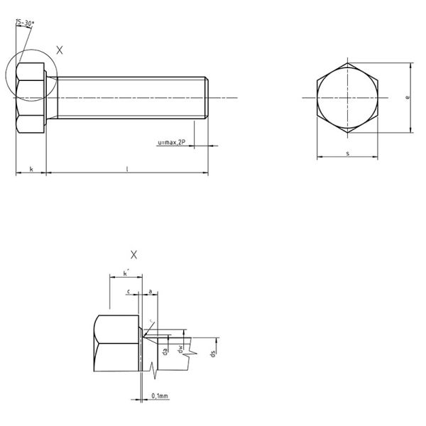
Спецификация
DIN 933 - болты шестиугольника главные с потоком до головы
Настоящая норма: EN 24017 DIN
Соответствующие нормы: ISO 4017; CSN 021103; PN 82105; UNI 5739; ЕС 24017

l - длина болта
d - номинальный диаметр потока
k - главная высота
r - радиус
e - диаметр окружности описанной (не чем)
s - надзиратель головы наговора размера
c - толщина устанавливая воротника
- подрез длины
| Závit d | M1,6 | M2 | M2,5 | M3 | M4 | M5 | M6 | M8 | M10 | M12 | |
| P | 0,35 | 0,4 | 0,45 | 0,5 | 0,7 | 0,38 | 1 | 1,25 | 1,5 | 1,75 | |
| a | максимальный. | 1,05 | 1,2 | 1,35 | 1,5 | 2,1 | 2,4 | 3 | 4 | 4,5 | 5,3 |
| MIN. | 0,35 | 0,4 | 0,45 | 0,5 | 0,7 | 0,8 | 1 | 1,25 | 1,5 | 1,75 | |
| c | максимальный. | 0,25 | 0,25 | 0,25 | 0,4 | 0,4 | 0,5 | 0,5 | 0,6 | 0,6 | 0,6 |
| MIN. | 0,1 | 0,1 | 0,1 | 0,15 | 0,15 | 0,15 | 0,15 | 0,15 | 0,15 | 0,15 | |
| da | максимальный. | 2 | 2,6 | 3,1 | 3,6 | 4,7 | 5,7 | 6,8 | 9,2 | 11,2 | 13,7 |
| dw | продукция класс MIN. |
2,27 | 3,07 | 4,07 | 4,57 | 5,88 | 6,88 | 8,88 | 11,63 | 14,63 | 16,63 |
| продукция класс b MIN. |
2,3 | 2,95 | 3,95 | 4,45 | 5,74 | 6,74 | 8,74 | 11,47 | 14,47 | 16,47 | |
| e | продукция класс MIN. |
3,41 | 4,32 | 5,45 | 6,01 | 7,66 | 8,79 | 11,05 | 14,38 | 17,77 | 20,03 |
| продукция класс b MIN. |
3,28 | 4,18 | 5,31 | 5,88 | 7,5 | 8,63 | 10,89 | 14,2 | 17,59 | 19,85 | |
| k | Номинальный | 1,1 | 1,4 | 1,7 | 2 | 2,8 | 3,5 | 4 | 5,3 | 6,4 | 7,5 |
| продукция класс a максимальный. |
1 225 | 1 525 | 1 825 | 2 125 | 2 925 | 3,65 | 4,15 | 5,45 | 6,58 | 7,68 | |
| продукция класс MIN. |
0 975 | 1 275 | 1 575 | 1 875 | 2 675 | 3,35 | 3,85 | 5,15 | 6,22 | 7,32 | |
| продукция класс b максимальный. |
1,3 | 1,6 | 1,9 | 2,2 | 3 | 3,74 | 4,24 | 5,54 | 6,69 | 7,79 | |
| продукция класс b MIN. |
0,9 | 1,2 | 1,5 | 1,8 | 2,6 | 3,26 | 3,76 | 5,06 | 6,11 | 7,21 | |
| kwb | продукция класс MIN. |
0,68 | 0,89 | 1,1 | 1,31 | 1,87 | 2,35 | 2,7 | 3,61 | 4,35 | 5,12 |
| продукция класс b MIN. |
0,63 | 0,84 | 1,05 | 1,26 | 1,82 | 2,28 | 2,63 | 3,54 | 4,28 | 5,05 | |
| r | MIN. | 0,1 | 0,1 | 0,1 | 0,1 | 0,2 | 0,2 | 0,25 | 0,4 | 0,4 | 0,6 |
| s | Номинальное максимальное. | 3,2 | 4 | 5 | 5,5 | 7 | 8 | 10 | 13 | 16 | 18 |
| продукция класс MIN. |
3,02 | 3,82 | 4,82 | 5,32 | 6,78 | 7,78 | 9,78 | 12,73 | 15,73 | 17,73 | |
| продукция класс b MIN. |
2,9 | 3,7 | 4,7 | 5,2 | 6,64 | 7,64 | 9,64 | 12,57 | 15,57 | 17,57 | |
| Závit d | M16 | M20 | M24 | M30 | M36 | M42 | M48 | M56 | M64 | ||
| P | 2 | 2,5 | 3 | 3,5 | 4 | 4,5 | 5 | 5,5 | 6 | ||
| a | максимальный. | 6 | 7,5 | 9 | 10,5 | 12 | 13,5 | 15 | 16,5 | 18 | |
| MIN. | 2 | 2,5 | 3 | 3,5 | 4 | 4,5 | 5 | 5,5 | 6 | ||
| c | максимальный. | 0,8 | 0,8 | 0,8 | 0,8 | 0,8 | 1 | 1 | 1 | 1 | |
| MIN. | 0,2 | 0,2 | 0,2 | 0,2 | 0,2 | 0,3 | 0,3 | 0,3 | 0,3 | ||
| da | максимальный. | 17,7 | 22,4 | 26,4 | 33,4 | 39,4 | 45,6 | 52,6 | 63 | 71 | |
| dw | продукция класс MIN. |
22,49 | 28,19 | 33,61 | - | - | - | - | - | - | |
| продукция класс b MIN. |
22 | 27,7 | 33,25 | 42,75 | 51,11 | 59,95 | 69,45 | 78,66 | 88,16 | ||
| e | продукция класс MIN. |
26,75 | 33,53 | 39,98 | - | - | - | - | - | - | |
| продукция класс b MIN. |
26,17 | 32,95 | 39,55 | 50,85 | 60,79 | 71,3 | 82,6 | 93,56 | 104,86 | ||
| k | Номинальный | 10 | 12,5 | 15 | 18,7 | 22,5 | 26 | 30 | 35 | 40 | |
| продукция класс a максимальный. |
10,18 | 12 715 | 15 215 | - | - | - | - | - | - | ||
| продукция класс MIN. |
9,82 | 12 285 | 14 785 | - | - | - | - | - | - | ||
| продукция класс b максимальный. |
10,29 | 12,85 | 15,35 | 19,12 | 22,95 | 26,42 | 30,42 | 35,5 | 40,5 | ||
| продукция класс b MIN. |
9,71 | 12,15 | 14,65 | 18,28 | 22,08 | 25,58 | 29,58 | 34,5 | 39,5 | ||
| kwb | продукция класс MIN. |
6,87 | 8,6 | 10,35 | - | - | - | - | - | - | |
| продукция класс b MIN. |
6,8 | 8,51 | 10,26 | 12,8 | 15,46 | 17,91 | 20,71 | 24,15 | 27,65 | ||
| r | MIN. | 0,6 | 0,8 | 0,8 | 1 | 1 | 1,2 | 1,6 | 2 | 2 | |
| s | Номинальное максимальное. | 24 | 30 | 36 | 46 | 55 | 65 | 75 | 85 | 95 | |
| продукция класс MIN. |
23,67 | 29,67 | 35,38 | - | - | - | - | - | - | ||
| продукция класс b MIN. |
23,16 | 29,16 | 35 | 45 | 53,8 | 63,1 | 73,1 | 82,8 | 92,8 | ||
| (Нештатные размеры) | M3,5 | M14 | M18 | M22 | M27 | M33 | M39 | M45 | M52 | M60 | |
| P | 0,6 | 2 | 2,5 | 2,5 | 3 | 3,5 | 4 | 4,5 | 5 | 5,5 | |
| a | максимальный. | 1,8 | 6 | 7,5 | 7,5 | 9 | 10,5 | 12 | 13,5 | 15 | 16,5 |
| MIN. | 0,6 | 2 | 2,5 | 2,5 | 3 | 3,5 | 4 | 4,5 | 5 | 5,5 | |
| c | максимальный. | 0,4 | 0,6 | 0,8 | 0,8 | 0,8 | 0,8 | 1 | 1 | 1 | 1 |
| MIN. | 0,15 | 0,15 | 0,2 | 0,2 | 0,2 | 0,2 | 0,3 | 0,3 | 0,3 | 0,3 | |
| da | максимальный. | 4,1 | 15,7 | 20,2 | 24,4 | 30,4 | 36,4 | 42,4 | 48,6 | 56,6 | 67 |
| dw | продукция класс MIN. |
5,07 | 19,64 | 25,34 | 31,71 | - | - | - | - | - | - |
| продукция класс b MIN. |
4,95 | 19,15 | 24,85 | 31,35 | 38 | 46,55 | 55,86 | 64,7 | 74,2 | 83,41 | |
| e | продукция класс MIN. |
6,58 | 23,36 | 30,14 | 37,72 | - | - | - | - | - | - |
| продукция класс b MIN. |
6,44 | 22,78 | 29,56 | 37,29 | 45,2 | 55,37 | 66,44 | 76,95 | 88,25 | 99,21 | |
| k | Номинальный | 2,4 | 8,8 | 11,5 | 14 | 17 | 21 | 25 | 28 | 33 | 38 |
| продукция класс a максимальный. |
2 525 | 8,98 | 11 715 | 14 215 | - | - | - | - | - | - | |
| продукция класс MIN. |
2 275 | 8,62 | 11 285 | 13 785 | - | - | - | - | - | - | |
| продукция класс b максимальный. |
2,6 | 9,09 | 11,85 | 14,35 | 17,35 | 21,42 | 25,42 | 28,42 | 33,5 | 38,5 | |
| продукция класс b MIN. |
2,2 | 8,51 | 11,15 | 13,65 | 16,65 | 20,58 | 24,58 | 27,58 | 32,5 | 37,5 | |
| kwb | продукция класс MIN. |
1,59 | 6,03 | 7,9 | 9,65 | - | - | - | - | - | - |
| продукция класс b MIN. |
1,54 | 5,96 | 7,81 | 9,56 | 11,66 | 14,41 | 17,21 | 19,31 | 22,75 | 26,25 | |
| r | MIN. | 0,1 | 0,6 | 0,6 | 0,8 | 1 | 1 | 1 | 1,2 | 1,6 | 2 |
| s | Номинальное максимальное. | 6 | 21 | 27 | 34 | 41 | 50 | 60 | 70 | 80 | 90 |
| продукция класс MIN. |
5,82 | 20,67 | 26,67 | 33,38 | - | - | - | - | - | - | |
| продукция класс b MIN. |
5,7 | 20,16 | 26,16 | 33 | 40 | 49 | 58,8 | 68,1 | 78,1 | 87,8 | |
Поток процесса
Ковка вхолодную
Обжигая ➨ вковки кома ➨ wiredrawing ➨ обработки (если потребность), то продевает нитку упаковку ➨ финиша ➨ термической обработки ➨make завальцовки (если потребность), то
Горячая вковка
Режущ ➨ материального ➨ вковки ➨ горячего поворачивая сожмите ➨ завальцовки ➨thread диаметра (потока половины) сделайте упаковку ➨ финиша ➨ термической обработки (если потребность), то
Ранг продукта
304 ранг A2-70 A2-80 316 ранг A4-70 A4-80
Compstitionials Materand химические
| ХИМИЧЕСКОЕ COMPOSI (%) | ||||||||||
| Тип | C | Si | Mn | P | S | Ni | Cr | Mo | Cu | Другие |
| ≤ | ≤ | ≤ | ≤ | ≤ | ≥ | ≥ | ≥ | ≈ | ||
| 201Cu | 0,08 | 1,00 | 7.5-10 | 0,06 | 0,03 | 4.00-6.00 | 14.0-17.0 | 2.0-3.0 | ||
| 201 | 0,15 | 1,00 | 8,50 | 0,06 | 0,03 | 3.50-5.50 | 16.0-18.0 | N≤0.25 | ||
| 130M/202 | 0,15 | 1,00 | 7.5-10 | 0,06 | 0,03 | 4.00-6.00 | 17.0-19.0 | N≤0.25 | ||
| 202 | 0,15 | 1,00 | 7.5-10 | 0,06 | 0,03 | 4.00-6.00 | 17.0-19.0 | |||
| 301 | 0,15 | 1,00 | 2,00 | 0,045 | 0,03 | 5.00-8.00 | 16.0-18.0 | |||
| 302 | 0,15 | 1,00 | 2,00 | 0,045 | 0,03 | 8.00-10.0 | 17.0-19.0 | |||
| XM7 (302HQ) |
0,08 | 1,00 | 2,00 | 0,045 | 0,03 | 8.50-10.5 | 17.0-9.00 | 3.0-4.0 | ||
| 303 | 0,15 | 1,00 | 2,00 | 0,20 | ≥0.15 | 8.00-10.0 | 17.0-19.0 | ≤0.60 | ||
| 303Cu | 0,15 | 1,00 | 3,00 | 0,20 | ≥0.15 | 8.0-10.0 | 17.0-19.0 | ≤0.60 | 1.5-3.5 | |
| 304 | 0,08 | 1,00 | 2,00 | 0,045 | 0,03 | 8.00-10.0 | 18.0-20.0 | |||
| 304H | 0,08 | 1,00 | 2,00 | 0,045 | 0,03 | 8.0-10.0 | 18.0-20.0 | |||
| 304HC | 0,08 | 1,00 | 2,00 | 0,045 | 0,03 | 8.00-10.0 | 17.0-19.0 | 2.0-3.0 | ||
| 304HCM | 0,08 | 1,00 | 2,00 | 0,045 | 0,03 | 8.0-10.0 | 17.0-19.0 | 2.5-4.0 | ||
| 304L | 0,03 | 1,00 | 2,00 | 0,045 | 0,03 | 9.0-13.0 | 18.0-20.0 | |||
| 304M | 0,06 | 1,00 | 2,00 | 0,045 | 0,03 | 8.50-10.0 | 18.0-20.0 | |||
| 305 | 0,12 | 1,00 | 2,00 | 0,045 | 0,03 | 10.5-13.0 | 17.0-19.0 | |||
| 305J1 | 0,08 | 1,00 | 2,00 | 0,045 | 0,03 | 11.0-13.5 | 16.5-19.0 | |||
| 309S | 0,08 | 1,00 | 2,00 | 0,045 | 0,03 | 12.0-15.0 | 22.0-14.0 | |||
| 310S | 0,08 | 1,50 | 2,00 | 0,045 | 0,03 | 19.0-22.0 | 24.0-26.0 | |||
| 314 | 0,25 | 15. - 3,0 | 2,00 | 0,040 | 0,03 | 19,0--22,0 | 24.0-26.0 | |||
| 316 | 0,08 | 1,00 | 2,00 | 0,045 | 0,03 | 10.0-14.0 | 16.0-18.0 | 2.0-3.0 | ||
| 316Cu | 0,03 | 1,00 | 2,00 | 0,045 | 0,03 | 10.0-14.0 | 16.0-18.0 | 2.0-3.0 | 2.0-3.0 | |
| 316L (12Ni) |
0,03 | 1,00 | 2,00 | 0,045 | 0,03 | 12.0-15.0 | 16.0-18.0 | 2.0-3.0 | ||
| 316L (10Ni) |
0,03 | 1,00 | 2,00 | 0,045 | 0,03 | 10.0-14.0 | 16.0-18.0 | 2.0-3.0 | ||
| 321 | 0,08 | 1,00 | 2,00 | 0,045 | 0,03 | 9.00-13.0 | 17.0-19.0 | Ti≤5*C% | ||
| 410 | 0,15 | 1,00 | 0,03 | 11.5-13.5 | ||||||
| 416 | 0,15 | 1,25 | ≥0.15 | 12.0-14.0 | ||||||
| 420 | 0.26-0.4 | 1,00 | 0,03 | 12.0-14.0 | ||||||
| 410L | 0,30 | 1,00 | 1,00 | 0,040 | 0,03 | 11.5-13.5 | ||||
| 430 | 0,12 | 0,75 | 1,00 | 0,040 | 0,03 | 16.0-18.0 | ||||
| 430F | 0,12 | 1,00 | 1,25 | 0,060 | 0,15 | 16.0-18.0 | ||||
| 631 (J1) | 0,09 | 1,00 | 1,00 | 0,040 | 0,03 | 6.50-8.50 | 16.0-18.0 | AL 0.75-1.5 | ||
| 2520 | 0,08 | 1,00 | 2,00 | 0,035 | 0,03 | 19.0-22.0 | 24.0-26.0 | |||
УПАКОВКА
БОЛЬШАЯ ЧАСТЬ QBH
20-25KG/CTN, 36CTNS/PALLET
20-30KG/BAGS, 36BAGS/PALLET
ОДНО TON/BOXES
50KG/ЖЕЛЕЗНЫЙ БАРАБАНЧИК, 12 ЖЕЛЕЗНЫХ DRUMS/PALLET
УПАКОВКА QBH НЕБОЛЬШАЯ
Паковать в маленьких коробках согласно требованиям к клиента
Паковать в полиэтиленовом пакете согласно требованиям к клиента
ТИП ПАЛЛЕТА QBH
ТВЕРДЫЙ ДЕРЕВЯННЫЙ ПАЛЛЕТ ОКУРИВАНИЯ
Паллет ЕВРО
ПАЛЛЕТ 3 ТУТОРОВ
ДЕРЕВЯННАЯ КОРОБКА
Преимущества QBH
Применение продукта
DIN 933are шестиугольник сформировало винты, изготовленные от стали. Ранг 10,9 метрических болта произведите используя материал болта DIN 933 как, или средняя сталь углерода, средний сплав углерода стальной или низкоуглеродистая бористая сталь. Квалифицировать как DIN ранга 933 болта болта 10,9 метрических, наделяет должен быть обработан как гасить, так и закалять. Обычно, болт 10,9 DIN 933 использован в применениях для скреплять болтами большие и выкованные части, и автомобильной промышленности также.