Тип крен Австралии станций ролика двери 12 шторки формируя машину с системой управления ПЛК
Параметр рельса двери технический
Соответствующая стальная пластина |
Тип |
Стальная пластина цвета |
толщина |
0.8-1.5мм |
|
Питаясь ширина |
135мм | |
Эффективная ширина |
75мм | |
Скорость продукции |
8-12м/мин | |
Стойка ролика |
14 строки |
|
Главная власть |
5.5кв |
|
Сила насоса |
3кв |
|
Материал ролика |
Сталь углерода 45# |
|
Материал лезвия |
Квнчед Кр12, размер 0.05мм Кр-плакировкой |
|
Система управления |
Инвертор перепада ПЛК |
|
Основная структура машины |
Х-луч 300мм |
|
Главные компоненты рельса двери
| С.Н | Имя оборудования |
Количество |
| 1. | ООН-койлер пассиве 3Т |
1 набор |
| 2. | Кормить и выравнивающ прибор |
1 набор |
| 5. |
Главный крен формируя станции машины 12 дривед цепью
|
1 набор |
| 6. | Гидравлическое вырезывание |
1 набор |
| 7. | Система управления (включая распределительный ящик) |
1 набор |
| 8. | Вне таблицы |
2 набора |
Подача деятельности рельса двери
Декоилер----Питаться и выравнивать---Формировать крена---Резать---Побегите вне таблицы
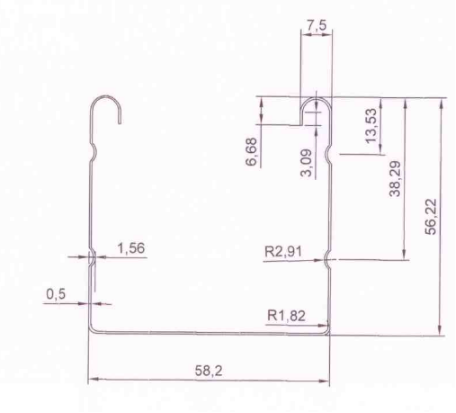
Профили рельса двери


Машина


Применение

Упаковка & доставка
Упаковывая детали:
1. 40" контейнер
2. Машина мы создадим программу-оболочку в пластмассе и прикрепим метки
3. Другие машинные элементы и инструменты мы имеем деревянную коробку
4. Перед нагружать, мы исправим и проверим машина
5. Перед грузить, мы пригласим нашего клиента проверять машину снова
Деталь доставки: 60Воркинг через дни после получают депозит
Почему выберите нас?
(1) обслуживания ОЭМ гостеприимсво, гостеприимсво для того чтобы посетить нашу фабрику во первых прежде чем вы делаете заказ заказ.
(2) высококачественный контроль.
(3) больше чем 10 лет механического изготовителя
(4) сотрудничает с много чужих клиентов, имеет богатый опыт внутри за морем.
(5) совершенный к стандартизации мачинары рынка, мы делаем большие усилия к продукции высококачественной и прочной машины с технологическим нововведением.
(6) наши продукты с самыми лучшими ценой и качеством.
(7) наша миссия помочь нашим клиентам уменьшить цены и улучшить эффективность
Термины
Условия платежа: 30% из полной стоимости контракта оплатило Т/Т как первый взнос, остатки
70% из полной стоимости контракта, который будет оплачивать Т/Т после осмотра покупателем в фабрике продавца пока перед доставкой.
Обслуживание: мы отправили технику в вашу страну для того чтобы исправить машина.
Покупатель должен принести полностью цену включая: виза, туда и обратно билет и соответствующий
размещещние, также покупатель должно оплатить зарплату 100УСД/дай.
Гарантия: 12 месяца ограниченной гарантии