Нагнетательная труба 5.0x4.2mm 5DS 230V 20% 5KA газа поверхностного держателя перенапряжения керамическая
Описание нагнетательной трубы 5.0x4.2mm 5DS газа поверхностного держателя керамической
Серия 5DS серия квадратных приборов GDT в стандартные 5X4.2mm которая самый небольшой GDT в рынке. Особенность GDT серии SE ультра низкие емкости (< 0="">

Особенности нагнетательной трубы 5.0x4.2mm 5DS газа поверхностного держателя керамической
* высоковольтная переходная защита от перенапряжения в небольших приборах
* конструированный для того чтобы рассеять большое количество энергии
* хороший выбор для предохранения от грозового перенапряжения
* широко приложил к на открытом воздухе телекоммуникационному оборудованию
* освинцованные и поверхностные конфигурации держателя доступные
* нормальный размер
* время быстрой реакции
* очень сильнотоковая оценка
* стабилизированное представление над жизнью
* ультра небольшой размер
* превосходная регуляция SMD
* ультра низкие емкость и вносимая потеря
* превосходная стабильность на множественном круге обязаностей ИМПа ульс
* превосходный ответ, который нужно голодать поднимая переходные процессы
* неэтилированный и RoHS уступчивые
Применение нагнетательной трубы 5.0x4.2mm 5DS газа поверхностного держателя керамической
* безопасность
* промышленный
* управление силы
* линия защита
* предохранение от станции
* базовые станции
* оборудование связи
* телевизионные строки с данными телетекста
* переключая электропитания
* предохранение от телекоммуникаций SLIC
* широкополосное оборудование
* оборудование xDSL
* спутник и оборудование CATV
* общее телекоммуникационное оборудование
* CCTV
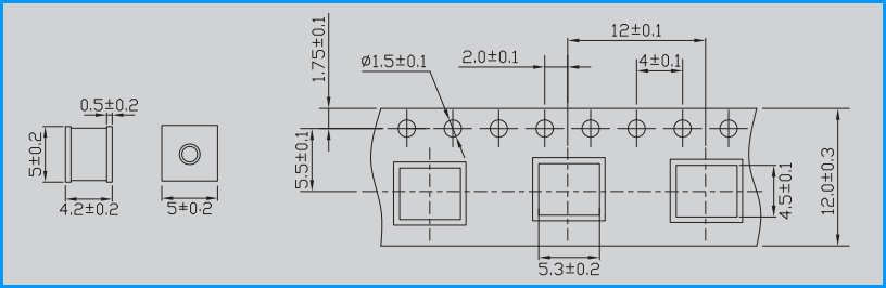
Размер нагнетательной трубы 5.0x4.2mm 5DS газа поверхностного держателя керамической (mm)

Предосторежения и предупреждения
* arresters пульсации необходимо эксплуатировать сразу в сетях электропитания.
* arresters пульсации могут стать горячими в случае более длинных периодов настоящего стресса (опасности горения).
* arresters пульсации могут быть использованы только в пределах их определенных значений. В случае перегрузки, контакты руководства могут потерпеть неудачу или компонент может быть разрушен.
* поврежденные arresters пульсации необходимо повторно использовать.
Спецификация нагнетательной трубы 5.0x4.2mm 5DS газа поверхностного держателя керамической
| Каталог нет. | Искра DC над напряжением тока (100v/s) v | Искра импульса над напряжением тока (1kv/μs) v | Сопротивление изоляции GΩ | Входная емкость электрода 1MHz 0.5V PF | Разряд тока импульса (8/20μs 10times) | Разряд тока AC (50Hz 1s 10times) a |
| 5DS075L | 075±20% | ≤600 | ≥1 | ≤1 | 5KA | 5A |
| 5DS090L | 090±20% | ≤600 | ≥1 | ≤1 | 5KA | 5A |
| 5DS150L | 150±20% | ≤600 | ≥1 | ≤1 | 5KA | 5A |
| 5DS230L | 230±20% | ≤700 | ≥1 | ≤1 | 5KA | 5A |
| 5DS350L | 350±20% | ≤1000 | ≥1 | ≤1 | 5KA | 5A |
| 5DS420L | 420±20% | ≤1000 | ≥1 | ≤1 | 5KA | 5A |
| 5DS470L | 470±20% | ≤1200 | ≥1 | ≤1 | 5KA | 5A |
| 5DS600L | 600±20% | ≤1000 | ≥1 | ≤1 | 5KA | 5A |
| 5DS800L | 800±20% | ≤1200 | ≥1 | ≤1 | 5KA | 5A |
Преимущества нагнетательной трубы 5.0x4.2mm 5DS газа поверхностного держателя керамической
Газоразрядная лампа обычно стеклянная лампа с 2 электродами загерметизированными через свои стены. Когда напряжение тока приложено к 2 электродам и уменьшено давление газа в трубке, окончательно давление достигается на котором настоящие подачи, и газе начинают накалять.
* очень высокая настоящ-регулируя возможность
* низкая емкость
* высокое сопротивление изоляции