2 нагнетательная труба 3216 150V 500A газа держателя 1206 SMD поляка поверхностная керамическая
Описание нагнетательной трубы 3216 150V 500A газа SMD керамической
Нагнетательная труба газа серии 2-поляка SMD3216 керамическая произведенная электроникой Ampfort соответствующая для порта коаксиальных, xDSL, порта интернета предохранение от и защита от перенапряжения для миниатюризированных портов. Эта серия продуктов имеет характеристики небольшого размера, низкой величины емкости и емкости подачи сильного тока. Том: 3.2×1.6×1.6mm, ряд напряжения тока: 90~600V, форма волны 8/20μs может выдержать защиту от перенапряжения 0.5kA.
Ampfort обеспечивает высокопроизводительное и газ небольшого размера упаковывая (DIP/SMD) нагнетательные трубы с возможностью скорости быстрой реакции и подавления пульсации, которая уменьшает риск повреждения оборудования, это также хороший выбор для защищая приборов от дискредитирующего течением пульсации причиненным молнией, особенно соответствующей для на открытом воздухе оборудования радиосвязей.
Feataures нагнетательной трубы 3216 150V 500A газа SMD керамической
 * превосходный ответ, который нужно голодать поднимая переходные процессы
* стабилизированное пробивное напряжение
* частота GHz работая
* возможность течения импульса 8/20μs: 500A
* поверхностный пакет держателя
* нерадиоактивный
* ультра низкая емкость (<0.3pF) и вносимая потеря
* неэтилированное уступчивое
* RoHS и ДОСТИГАЕМОСТЬ уступчивые
* очень небольшой размер (EIA 1206)
* хранение и рабочая температура: -40~+90°C
Применение нагнетательной трубы 3216 150V 500A газа SMD керамической
 * локальные сети, PoE, xDSL
* кабельный модем, splitters, linecards
* беспроводное предохранение от антенны
* оборудование CATV
* SPD
* переключая электропитание
Спецификация нагнетательной трубы 3216 150V 500A газа SMD керамической
 a. Стандарт ссылки исполнительный: Технические требования ITU-TK12 Gbt9043-2008general нагнетательных труб газа для
B. предохранение от перенапряжения установок радиосвязей
C. Максимальный AC выдерживает течение (50 Hz) 1A и напряжение тока AC будет больше чем значение верхнего предела DC искр-над напряжением тока во время теста.
D. Частота теста входной емкости электрода 1MHZ и напряжение тока теста 0. 5V
e. Температура -40C~+85C работать и хранения
F. упаковка: Автоматон связал 2500PCS тесьмой во вьюрок, 50000PCS в коробку
| Каталог нет. | Искра DC над напряжением тока (100v/s) v | Искра импульса над напряжением тока (1kv/μs) v | Сопротивление изоляции MΩ | Входная емкость электрода 1MHz 0.5V PF | Разряд тока импульса (8/20μs 10times) | Разряд тока AC (50Hz 1s 10times) a | 
| 3DS090H | 090±30% | ≤900 | ≥100 | ≤1 | 0.5KA | 1A | 
| 3DS150H | 150±30% | ≤1100 | ≥100 | ≤1 | 0.5KA | 1A | 
| 3DS200H | 200±30% | ≤1100 | ≥100 | ≤1 | 0.5KA | 1A | 
| 3DS300H | 300±30% | ≤1200 | ≥100 | ≤1 | 0.5KA | 1A | 
| 3DS400H | 400±30% | ≤1300 | ≥100 | ≤1 | 0.5KA | 1A | 
| 3DS500H | 500±30% | ≤1300 | ≥100 | ≤1 | 0.5KA | 1A | 
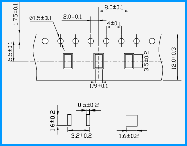
Размер нагнетательной трубы 3216 150V 500A газа SMD керамической (mm)

GDT помогает нагнетательной трубы 3216 150V 500A газа SMD керамической
• леты 10+ конструировать и изготовлять приборы GDT
• Оценки течения импульса (kA 2 к kA 100)
• Низкие емкость и вносимая потеря
• Дизайны основанные на индустриальных стандартах
• Технология Переключател-степени Недостатк-короткая доступная на некоторых моделях
• Участие и руководство технического комитета
• Изготовленные на заказ возможности прибора
• Объекты лаборатории доступные для проверки дизайна цепей клиента так же, как с испытывая возможностями для UL и стандартов Telcordia
Паяя параметры - паять Reflow (поверхностные приборы держателя)

Поверхностные установленные компоненты (SMD) могут показать временный рост DC искр-над напряжением тока после процесса reflow припоя. Компоненты возьмут в течение 24 часов. Никакие порок качества ни изменение в уровнях защиты во время временного изменения в DC искр-над напряжением тока.
Серия SMD3216 особенно была конструирована для того чтобы соотвествовать предохранения от передачи данных. Оптимизированные конструктивные особенности высокий уровень защиты против быстрых поднимая переходных процессов обычно причиняемых помехами молнии. Для пользы в высокочастотных телевизионных строках с данными телетекста, серия предлагает ультра низкие емкости и шоу только косвенно сигнализируют потери до частот коротковолнового диапазона. Приборы весьма надежны и могут выдержать высокие течения пульсации без разрушения.