совместимые освещая температуры другого цвета дизайна 8w настраиваемые

- Отсутствие CSP, отсутствие пакета CSC, больше температуры устойчивой.
- Космос процесса выравнивания распределения ABAB умный stepless затемняя.
- Лучшее светлое качество, 3 SDCM соответствовало ряду withfull настраиваемых водителей.

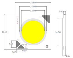
Объяснено обозначение номера детали для массивов СИД серии TYF ML следующим образом:







5,1 данные по Binning цвета
Диаграмма 1: Диаграмма ящиков теста в xy цветовом пространстве (пульсированных условиях испытаний, Tj = 25°C)








ПОРЕКОМЕНДОВАННОЕ ПАЯЯ СОСТОЯНИЕ
Для ручной паять. Пожалуйста используйте неэтилированный паять и паять будет снабжен используя паяя бит на a
температура более низкая чем 350C, и будет закончена не позднее 3,5 секунды для одной земли. Никакая внешняя сила не будет приложена
к части смолы пока паять снабжен. Следующий процесс паять должен быть унесен после того как продукт имеет
возвращение в температуру окружающей среды. ПРЕДОСТОРЕЖЕНИЕ: КОНТРОЛЬ ТЕМПЕРАТУРЫ

9, упаковка и обозначать
Упаковка и обозначать продукта

