туннабле умное степлесс затемняя освещение температуры другого цвета космоса 2700-5000к 12в керамическое коммерчески

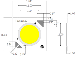
1,1 особенности
• Эффективность 80 льм/В типичных для 3000К, 90КРИ
• Эффективность 105 льм/В типичных для 6000К, 90КРИ
• Надежная деятельность на до номинальном течении привода 1.5С
• Компактный источник света плотности высокоинтенсивных потоков
• Форма, высококачественное освещение
• Варианты КРИ минимума 80
• Цвет ЭНЕРГИИ СТАР®/АНСИ уступчивый биннинг
структура с стандартом 2, 3 и 5 СДКМ
• Больше энергии эффективной чем раскаленный добела, галоид
и люминесцентные лампы
• РоХС уступчивое
• Увеличенный оптически контроль
• Воспроизводство высококачественного, истинного цвета
• Значительно уменьшенное термальное сопротивление и увеличенная рабочая температура
• Форма, последовательный белый свет
• Понизьте производственные затраты
• Легкий для использования с детекторами дневного света и движения, который нужно позволить увеличило энергосберегающее
• Уменьшенные расходы на техническое обслуживание
• Экологически дружелюбный, отсутствие вопроса избавления














ТИФ Опто. Продукты модулей СИД, упакованные в пластиковом подносе, согласно различному размеру, СС ПК каждый пластиковый поднос, как показано в следующем. продукты без пластиковой коробки упакованной в сумках пузыря, для предотвращения внешнего давления, выбирают различную сумку пузыря, согласно размеру продукта в каждом пакете СС продуктов, упакованный продукт будут храниться в форме коробки и будут загерметизированы, как показано в следующем.
1) кскс модуль СИД ПКС в данные по & упаковку коробки подноса 4)
2)Стог и запись на ленту подноса, СС подносы модуля СИД и дополнительные подносы каждое 1 манекена вверх коробки. Добавьте гель кремнезема (1 по каждому) поверх подноса
3) Упаковка запечатывания


