Течение Inrush ограничивая термисторы силы NTC для электропитания режима переключателя
Быстрая деталь:
·Твердотельный прибор низкой цены для supression течения inrush.
·Уменьшите линию искажение течения и шум радио.
·Защитите переключатели, диоды выпрямителя тока и конденсаторы приглаживать против преждевременных отказов.
·Предотвратите взрыватель от дуть в ошибке.
Описание:
Термистор силы NTC может быть рентабельный прибором для того чтобы ограничивать количество течения inrush в электропитании переключения или других приборах когда сила сперва повернута дальше. Термистор силы NTC ограничивает течение пульсации путем действовать как резистор силы который падает от высокого холодного сопротивления к низкому горячему сопротивлению нагретый настоящий пропускать через его.
Inrush-настоящий термистор силы NTC ограничителей защищает цепи от нежелательно больших токов, подавляя высокие скачки тока inrush, пока свое сопротивление остает незначительным низким уровнем во время работы в непрерывном режиме. Спасибо их низкое сопротивление в положении operating, термисторе силы имеют диссипацию значительно более низкой силы чем постоянные сопротивления часто используемые для этого применения.
Применения:
Ограничивать течение пульсации, соответствующее для предохранения электропитания режима переключателя, силы UPS, трансформаторов, моторов, различной утвари нагрева электрическим током, энергосберегающих светов, балласта, различной цепи силы, усилителей, покрасил displayer, мониторы, цвет TV, предохранение от нити, etc.
Компоненты термистора силы можно также использовать для мягкий начинать моторов, например в пылесосах с непрерывно протекающими токами A. до 20.
Спецификации:
Течение Inrush ограничивая характеристики термистора силы NTC:
·Покрынный смолаой термистор диска с неизолированными подводящими проводами.
·Соответствующий как для AC, так и для DC обходит вокруг до напряжения тока 265 v (rms).
·Широкий диапазон сопротивления, течения и размера.
·Превосходная механически прочность.
·Соответствующий для установки PCB.
|
Кривый сравнения с и без термистора силы NTC Inrush настоящего ограничиваясь |
Термистор силы NTC Inrush настоящий ограничиваясь
|



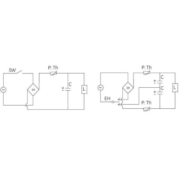
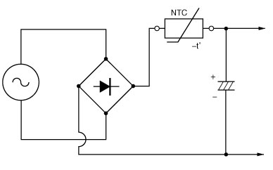
Типичная цепь электропитания

Цепи применения термисторов силы NTC

Другой термистор примера NTC для цепи предохранения от inrush настоящей


Технические спецификации термисторов силы NTC Inrush настоящие ограничиваясь
|
Номер детали. |
R25 |
Макс |
Приблизительно. |
Диссипация |
Термальный |
Размеры (mm) |
||||
|
Dmax |
Tmax |
H |
H 0 |
d±1 |
||||||
|
MF72-3D9 |
3 ома |
4A |
0,120 |
11 |
34 |
11 |
5,5 |
13,5 |
20,5 |
7,5 /5 |
|
MF72-5D9 |
5 омов |
3A |
0,210 |
11 |
34 |
11 |
5,5 |
13,5 |
20,5 |
7,5 /5 |
|
MF72-8D9 |
8 омов |
2A |
0,400 |
11 |
32 |
11 |
5,5 |
13,5 |
20,5 |
7,5 /5 |
|
MF72-10D9 |
10 омов |
2A |
0,458 |
11 |
32 |
11 |
5,5 |
13,5 |
20,5 |
7,5 /5 |
|
MF72-16D9 |
16 омов |
1A |
0,802 |
11 |
31 |
11 |
5,5 |
13,5 |
20,5 |
7,5 /5 |
|
MF72-22D9 |
22 ома |
1A |
0,950 |
11 |
30 |
11 |
5,5 |
13,5 |
20,5 |
7,5 /5 |
|
MF72-33D9 |
33 ома |
1A |
1,124 |
11 |
30 |
11 |
5,5 |
13,5 |
20,5 |
7,5 /5 |
|
MF72-50D9 |
50 омов |
1A |
1,252 |
11 |
30 |
11 |
5,5 |
13,5 |
20,5 |
7,5 /5 |
|
MF72-80D9 |
80 омов |
0.8A |
2,010 |
11 |
30 |
11 |
5,5 |
13,5 |
20,5 |
7,5 /5 |
|
MF72-3D11 |
3 ома |
5A |
0,100 |
13 |
43 |
13 |
5,5 |
15,5 |
22,5 |
7,5 /5 |
|
MF72-5D11 |
5 омов |
4A |
0,156 |
13 |
45 |
13 |
5,5 |
15,5 |
22,5 |
7,5 /5 |
|
MF72-8D11 |
8 омов |
3A |
0,255 |
14 |
47 |
13 |
5,5 |
15,5 |
22,5 |
7,5 /5 |
|
MF72-10D11 |
10 омов |
3A |
0,275 |
14 |
47 |
13 |
5,5 |
15,5 |
22,5 |
7,5 /5 |
|
MF72-12D11 |
12 ома |
2A |
0,462 |
14 |
48 |
13 |
5,5 |
15,5 |
22,5 |
7,5 /5 |
|
MF72-16D11 |
16 омов |
2A |
0,470 |
14 |
50 |
13 |
5,5 |
15,5 |
22,5 |
7,5 /5 |
|
MF72-20D11 |
20 омов |
2A |
0,512 |
15 |
52 |
13 |
5,5 |
15,5 |
22,5 |
7,5 /5 |
|
MF72-22D11 |
22 ома |
2A |
0,563 |
15 |
52 |
13 |
5,5 |
15,5 |
22,5 |
7,5 /5 |
|
MF72-33D11 |
33 ома |
1.5A |
0,734 |
15 |
52 |
13 |
5,5 |
15,5 |
22,5 |
7,5 /5 |
|
MF72-50D11 |
50 омов |
1.5A |
1,021 |
15 |
52 |
13 |
5,5 |
15,5 |
22,5 |
7,5 /5 |
|
MF72-60D11 |
60 омов |
1.5A |
1,215 |
15 |
52 |
13 |
5,5 |
15,5 |
22,5 |
7,5 /5 |
|
MF72-1.3D13 |
1,3 ома |
7A |
0,062 |
13 |
60 |
15,5 |
6 |
17,5 |
24,5 |
7,5 |
|
MF72-3D13 |
3 ома |
6A |
0,092 |
14 |
60 |
15,5 |
6 |
17,5 |
24,5 |
7,5 |
|
MF72-5D13 |
5 омов |
5A |
0,125 |
15 |
68 |
15,5 |
6 |
17,5 |
24,5 |
7,5 |
|
MF72-10D13 |
10 омов |
4A |
0,206 |
15 |
65 |
15,5 |
6 |
17,5 |
24,5 |
7,5 |
|
MF72-15D13 |
15 омов |
3A |
0,335 |
16 |
60 |
15,5 |
6 |
17,5 |
24,5 |
7,5 |
|
MF72-30D13 |
30 омов |
2.5A |
0,517 |
16 |
65 |
15,5 |
6 |
17,5 |
24,5 |
7,5 |
|
MF72-47D13 |
47 омов |
2A |
0,810 |
17 |
65 |
15,5 |
6 |
17,5 |
24,5 |
7,5 |
|
MF72-1.3D15 |
1,3 ома |
8A |
0,048 |
18 |
68 |
17,5 |
6 |
19,5 |
26,5 |
10/7.5 |
|
MF72-1.5D15 |
1,5 ома |
8A |
0,052 |
18 |
69 |
17,5 |
6 |
19,5 |
26,5 |
10/7.5 |
|
MF72-3D15 |
3 ома |
7A |
0,075 |
18 |
76 |
17,5 |
6 |
19,5 |
26,5 |
10/7.5 |
|
MF72-5D15 |
5 омов |
6A |
0,112 |
20 |
76 |
17,5 |
6 |
19,5 |
26,5 |
10/7.5 |
|
MF72-8D15 |
8 омов |
5A |
0,178 |
20 |
80 |
17,5 |
6 |
19,5 |
26,5 |
10/7.5 |
|
MF72-10D15 |
10 омов |
5A |
0,180 |
21 |
85 |
17,5 |
6 |
19,5 |
26,5 |
10/7.5 |
|
MF72-15D15 |
15 омов |
4A |
0,268 |
20 |
75 |
17,5 |
6 |
19,5 |
26,5 |
10/7.5 |
|
MF72-30D15 |
30 омов |
3.5A |
0,438 |
18 |
75 |
17,5 |
6 |
19,5 |
26,5 |
10/7.5 |
|
MF72-47D15 |
47 омов |
3A |
0,680 |
21 |
86 |
17,5 |
6 |
19,5 |
26,5 |
10/7.5 |
|
MF72-0.7D20 |
0,7 ома |
12A |
0,018 |
25 |
89 |
22,5 |
7 |
24,5 |
31,5 |
10/7.5 |
|
MF72-1.3D20 |
1,3 ома |
9A |
0,037 |
24 |
88 |
22,5 |
7 |
24,5 |
31,5 |
10/7.5 |
|
MF72-3D20 |
3 ома |
8A |
0,055 |
24 |
88 |
22,5 |
7 |
24,5 |
31,5 |
10/7.5 |
|
MF72-5D20 |
5 омов |
7A |
0,087 |
23 |
87 |
22,5 |
7 |
24,5 |
31,5 |
10/7.5 |
|
MF72-8D20 |
8 омов |
6A |
0,142 |
25 |
105 |
22,5 |
7 |
24,5 |
31,5 |
10/7.5 |
|
MF72-10D20 |
10 омов |
6A |
0,162 |
24 |
102 |
22,5 |
7 |
24,5 |
31,5 |
10/7.5 |
|
Номер детали. |
R25 (ом) |
Максимальное стабилизированное течение (A) |
Приблизительно. Сопротивление Значение на Максимальное течение (Ω) |
Макс расклассифицировало сила Pmax. (W) |
Коэффициент энергопотерь (mW/oC) |
Термальная константа времени (s) |
Размеры (mm) |
|||||
|
Dmax |
Tmax |
H |
H 0 |
d |
Pin форма |
|||||||
|
D15mm 2.5ohm/9.5A |
2,5 ома |
9.5A |
0,044 |
3.5W |
минута 22 |
75 максимальное |
17,5 |
6 |
19,5 |
26,5 |
7,5 |
kinked внутренняя |
|
D15mm 5 ohm/8A |
5 омов |
8A |
0,058 |
3.5W |
минута 22 |
75 максимальное |
17,5 |
6 |
19,5 |
26,5 |
7,5 |
kinked внутренняя |
|
D15mm, 10 ohm/7A |
10 омов |
7A |
0,098 |
3.5W |
минута 22 |
75 максимальное |
17,5 |
6 |
19,5 |
26,5 |
7,5 |
kinked внутренняя |
|
D20mm 1 ohm/16A |
1 ом |
16A |
0,027 |
5W |
минута 28 |
110 максимальное |
22,5 |
7 |
24,7 |
/ |
10 |
прямо |
|
D20mm 5 ohm/12A |
5 омов |
12A |
0,047 |
5W |
минута 28 |
110 максимальное |
22,5 |
7 |
24,7 |
/ |
10 |
прямо |
|
D20mm, 10 ohm/8A |
10 омов |
8A |
0,085 |
5W |
минута 28 |
110 максимальное |
22,5 |
7 |
24,7 |
/ |
10 |
прямо |
|
D25mm, 1 ohm/20A |
1 ом |
20A |
0,021 |
7W |
минута 30 |
130 максимальное |
29 |
8 |
33 |
/ |
10 |
прямо |
|
D25mm , 5 ohm/14A |
5 омов |
14A |
0,047 |
7W |
минута 30 |
130 максимальное |
29 |
8 |
33 |
/ |
10 |
прямо |
|
D25mm, 10 ohm/10A |
10 омов |
10A |
0,084 |
7W |
минута 30 |
130 максимальное |
29 |
8 |
33 |
/ |
10 |
прямо |
|
D30mm, 1 ohm/30A |
1ohm |
30A |
0,014 |
8W |
минута 40 |
190 максимальное |
36 |
8,5 |
40 |
/ |
18 |
прямо |
|
D30mm, 10 ohm/13A |
10 омов |
13A |
0,056 |
8W |
минута 40 |
190 максимальное |
36 |
8,5 |
40 |
/ |
18 |
прямо |
|
Испытание
|
Стандартный
|
Условия испытания
|
ΔR25/R25 (типичное)
|
Замечает
|
|
Хранение в сухой жаре |
IEC 60068-2-2 |
Хранение на верхней температуре температуры категории: время 125oC: 1000h |
<10> |
Отсутствие видимого повреждения |
|
Хранение в влажной жаре, номинальной |
IEC 60068-2-3 |
Температура воздуха: относительная влажность 40oC воздуха: Продолжительность 93%: 21 день |
<5> |
Отсутствие видимого повреждения |
|
Быстрый задействовать температуры |
IEC 60068-2-14 |
Понизьте температуру испытания: Температура испытания -55oC верхняя: количество 125oC циклов: 10 |
<10> |
Отсутствие видимого повреждения |
|
Выносливость |
|
I=Imax t: 1000h |
<10> |
Отсутствие видимого повреждения |
|
Цикловая выносливость |
|
I=Imax, 1000 минута циклов On-time=1 минимальная охлаждая time=6 |
<10> |
|
|
Переходная нагрузка |
|
Номер Capacitance=CT циклов: 1000 |
<5> |
Отсутствие видимого повреждения |
1) Максимальный рабочий ток > фактический рабочий ток в петле силы
2) расклассифицированное сопротивление zero силы на 25C
чего, e: напряжение тока петли, Im: Течение пульсации
Для силы преобразования, сила reversion, переключает силу, силу UPS, рабочий ток времен Im=100
Для нити, подогреватель, Im =30 приурочивает рабочий ток
3) более большое бета значение, более малое остаточное сопротивление, более малый поднимать рабочей температуры.
4) вообще, более большой продукт константы времени и коэффициент диссипации, более большая емкость NTC термальная, более мощная емкость течения пульсации термистора NTC задерживая.
1) Для ограничиваться inrush настоящий, термистор NTC необходимо соединиться последовательно с цепью нагрузки. Несколько максимальных токовых автоматов inrush можно также подключить последовательно для более высоко амортизировать. Максимальные токовые автоматы Inrush необходимо подключить в параллели.
2) вообще максимальные токовые автоматы inrush требуют времени получить назад к холодному положению, в котором они могут предусмотреть адекватний ограничиваться течения inrush должный к их высокоомному. Охлаждая внешние условия быть в зависимости от времени простоя.
3) оно должен быть рассмотрен что окружающая територия термистора NTC может стать довольно горячей. Обеспечьте что смежные компоненты помещены на достаточном расстоянии от термистора к прибавлять на правильное время остывания термистора.
4) убеждается что смежные материалы конструированы для деятельности на температурах соответствующих к температуре поверхности термистора. Убеждайтесь что окружающие части и материалы могут выдержать эту температуру.
5) убеждается что термисторы адекватно провентилированы для того чтобы во избежание перегреть.
6) во избежание comtamination поверхности термистора.
7) во избежание контакт термисторов NTC с всеми жидкостями и растворителями. Обеспечьте что никакая вода не входит в термистор NTC.
Конкурентное преимущество:
Поставка фабрики сразу
Законченные сертификаты как UL, VDE, SGS, etc и высокомарочное доступное
Быстрая поставка
Самые лучшие послепродажные обслуживания
OEM & ODM доступные