Взрыватель 200A низкого заряжателя сопротивления термальный, термальный резистор выключения
Быстрые детали
Термальные взрыватели, определенные как не-перестановный, одиночные приборы действия которые широко использованы для электрических оборудований против излишек температуры. Термальные выключения составлены плавкого сплава с низкой точкой плавления и особенной смолой, помещенный в пластиковое или керамическое снабжение жилищем. Под эксплуатируемым нормальным, плавкий сплав присоединен к 2 подводящими проводами внутри снабжение жилищем. Когда термальное выключение воспринимает анормалную жару и достигает заранее поставленную температуру, плавкий сплав плавит и отключает цепь совершенно с помощью особенной смолы. И осевые и радиальные формы доступны, с расклассифицированным течением от 1A к 200A, температура 76℃~221℃ функции, аттестованная включая UL, cUL, VDE, TUV, PSE, KTL, CCC и RoHS, ДОСТИГАЕТ уступчивое.
ведомые лампы
- Солнечный уличный свет приведенный
- Заряжатель
- Микро- подогреватель
высотой с твердое тело силы
- Солнечные инверторы
- E-балласт
- Трансформатор
- Домашние электрические продукты
- Приборы защиты от перенапряжения
ID: BF73
Расклассифицированное действуя Temperatur: 73℃
Сплавлять (отрезок) - с температуры: 70+/-2℃
Предел максимальной температуры: 150℃
Температура удерживания: 45℃
Расклассифицированное течение: 10A
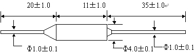
Размер: (mm)


|
Температура Rated действуя (Tf): |
Температура на которой термальный взрыватель изменяет свое государство проводимости на curret обнаружения открытой цепи. Допуск согласно IEC60691 от +0 to-10℃. (С электроприбором и материальным правом Японии, с другой стороны, они должны действовать в ряде допуска ±7℃.). |
|
Сплавлять (отрезок) - с температуры: |
Сплавляя- температура показывает значение измеренное в масле кремния с температурой увеличенной 0.5-1℃ в минуту и сыскное настоящее 10mA или более менее. |
|
Температура удерживания (Th): |
Максимальная температура на которой термальный взрыватель не причинит изменение в государстве проводимости к открытой цепи пока проводящ расклассифицированное течение на 168 часов. Эта оценка необходима нормами бесопасности основанными на IEC60691. |
|
Предел максимальной температуры (Tm): |
Максимальная температура на которой термальный взрыватель можно maimtained на 10 минут без reclosing. Эта оценка requirde нормами бесопасности основанными на IEC60691. |
|
Расклассифицированное настоящее (инфракрасн): |
Позволяемое максимальное течение которое термальный взрыватель может снести. |
|
Расклассифицированное настоящее (Ur): |
Позволяемое максимальное напряжение тока которое термальный взрыватель может быть приложенным. |
Конкурентное преимущество
1. Поставка фабрики сразу
2. Законченные сертификаты как UL, VDE, SGS, etc и высококачественное доступное
3. Быстрая доставка
4. Самые лучшие послепродажные обслуживания
5. OEM & ODM доступные