Батареи. Автомобиль электронный, расклассифицировал Current100 a, 150A, 200A, выключение Термальн-связи сплава термальное (TCO)
Термальн-связь сплава/термальное выключение (TCO) определены как не-перестановное защитное приспособление действуя одно время только. Оно широк
ly использовал в электротехническом оборудовании. Сплав TCO главным образом состоит из плавкого сплава, потока, пластмассы или керамического случая, эпоксидной смолы sealant и
подводящие провода. Нормально, соединен плавкий сплав к 2 подводящим проводам. Под анормалными условиями, когда temp. достигаемости к
сплавляя temp. сплава TCO, плавкий сплав плавит и быстро втягивает к 2 концам подводящего провода с помощью потока и dis
соединяет цепь совершенно. Расклассифицированное настоящее 1 a до 200 a, расклассифицированный действуя Temp. 76 °C °Cto 230, с CCC, утверждения и RoHS, ДОСТИГАЕТ уступчивое.


Инфракрасн серии EM: 100 a
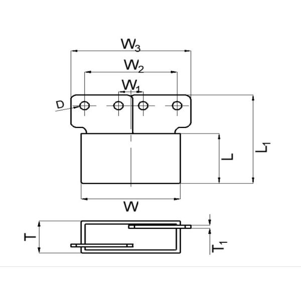
Размеры (mm)
| L | L1 | W | W1 | W2 | W3 | D | T | T1 |
| 20.0±0.5 | 35.6±0.5 | 35.0±0.5 | 8.5±0.5 | 32.5±0.5 | 42.5±2 | 3,3 | 13.5±0.5 | 1.50±0.05 |
| Модель | Tf | Сплавляя Temp. | Th | Tm | Инфракрасн | Ur | ![]() |
| (°C) | (°C) | (°C) | (°C) | (A) | (V) | ||
|
EM2 |
102 |
99±2 |
61 |
180 |
100 |
DC 100 |
● |
|
EM3 |
115 |
112±2 |
74 |
180 |
100 |
DC 100 |
● |
|
EM4 |
125 |
122±2 |
84 |
180 |
100 |
DC 100 |
● |
|
EM5 |
130 |
126±2 |
88 |
180 |
100 |
DC 100 |
● |
|
EM8 |
136 |
132±2 |
94 |
180 |
100 |
DC 100 |
● |
|
EM10 |
150 |
146±2 |
108 |
180 |
100 |
DC 100 |
● |
|
EM11 |
160 |
156±2 |
123 |
180 |
100 |
DC 100 |
● |


Инфракрасн серии FM: 150 a
Размеры (mm)
| L | L1 | W | W1 | W2 | W3 | D | T | T1 |
| 20.0±0.5 | 35.6±0.5 | 35.0±0.5 | 8.5±0.5 | 32.5±0.5 | 42.5±2 | 3,3 | 13.5±0.5 | 1.50±0.05 |
| Модель | Tf | Сплавляя Temp. | Th | Tm | Инфракрасн | Ur | ![]() |
| (°C) | (°C) | (°C) | (°C) | (A) | (V) | ||
|
FM2 |
102 |
99±2 |
61 |
180 |
150 |
DC 100 |
● |
|
FM3 |
115 |
112±2 |
74 |
180 |
150 |
DC 100 |
● |
|
FM4 |
125 |
122±2 |
84 |
180 |
150 |
DC 100 |
● |
|
FM5 |
130 |
126±2 |
88 |
180 |
150 |
DC 100 |
● |
|
FM8 |
136 |
132±2 |
94 |
180 |
150 |
DC 100 |
● |
|
FM10 |
150 |
146±2 |
108 |
180 |
150 |
DC 100 |
● |
|
FM11 |
160 |
156±2 |
123 |
180 |
150 |
DC 100 |
● |


Инфракрасн серии LM: 200 a
Размеры (mm)
| L | L1 | W | W1 | W2 | W3 | D | T | T1 |
| 20.0±0.5 | 35.6±0.5 | 35.0±0.5 | 8.5±0.5 | 32.5±0.5 | 42.5±2 | 3,3 | 13.5±0.5 | 1.50±0.05 |
Спецификации
| Модель | Tf | Сплавляя Temp. | Th | Tm | Инфракрасн | Ur | ![]() |
| (°C) | (°C) | (°C) | (°C) | (A) | (V) | ||
|
LM2 |
102 |
99±2 |
61 |
180 |
200 |
DC 100 |
● |
|
LM3 |
115 |
112±2 |
74 |
180 |
200 |
DC 100 |
● |
|
LM4 |
125 |
122±2 |
84 |
180 |
200 |
DC 100 |
● |
|
LM5 |
130 |
126±2 |
88 |
180 |
200 |
DC 100 |
● |
|
LM8 |
136 |
132±2 |
94 |
180 |
200 |
DC 100 |
● |
|
LM10 |
150 |
146±2 |
108 |
180 |
200 |
DC 100 |
● |
|
LM11 |
160 |
156±2 |
123 |
180 |
200 |
DC 100 |
● |

