Домашний Temp Tf 102°C трансформаторов электроприборов сплавляя. 10A, 16A, 20A, выключение Термальн-связи сплава термальное (TCO)
Термальн-связь сплава/термальное выключение (TCO) определены как не-перестановное защитное приспособление действуя одно время только. Оно широк
ly использовал в электротехническом оборудовании. Сплав TCO главным образом состоит из плавкого сплава, потока, пластмассы или керамического случая, эпоксидной смолы sealant и
подводящие провода. Нормально, соединен плавкий сплав к 2 подводящим проводам. Под анормалными условиями, когда temp. достигаемости к
сплавляя temp. сплава TCO, плавкий сплав плавит и быстро втягивает к 2 концам подводящего провода с помощью потока и dis
соединяет цепь совершенно. Расклассифицированное настоящее 1 a до 200 a, расклассифицированный действуя Temp. 76 °C °Cto 230, с CCC, утверждения и RoHS, ДОСТИГАЕТ уступчивое.

Инфракрасн серии EK: 10 a
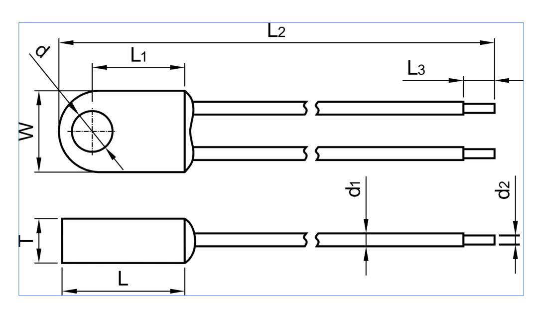
Размеры (mm)
| L | L1 | L2 | L3 | W | T | d | 1 | 2 |
| 21±1 | 13.5±1.0 | 78±2 | 5.0±1.0 | 12±1 | 5.5±0.5 | Φ5.5±1.0 | Φ1.3±0. 1 | Φ1.05±0.1 |
Спецификации
| Модель |
Tf |
Сплавляя Temp. |
Th |
Tm |
Инфракрасн |
Ur |
![]() |
![]() |
| (°C) | (°C) | (°C) | (°C) | (A) | (V) | CCC | ||
| EK2 | 102 | 99±2 | 72 | 200 | 10 | AC 250 |
● |
● |
| EK3 | 115 | 112±2 | 85 | 200 | 10 | AC 250 |
● |
● |
|
EK4 |
125 |
121±2 |
95 |
200 |
10 |
AC 250 |
● |
|
|
EK5 |
130 |
125±2 |
100 |
200 |
10 |
AC 250 |
● |
● |
| EK6 | 133 | 130±2 | 107 | 200 | 10 | AC 250 | ● | |
| EK7 | 135 | 130±2 | 108 | 200 | 10 | AC 250 |
● |
|
| EK8 | 136 | 131±2 | 108 | 200 | 10 | AC 250 | ● | |
| EK9 | 145 | 140±2 | 115 | 200 | 10 | AC 250 | ● | |
|
EK10 |
150 |
145±2 |
120 |
200 |
10 |
AC 250 |
● |
● |
|
EK11 |
160 |
156±2 |
133 |
200 |
10 |
AC 250 |
● |
● |
|
EK12 |
200 |
197±2 |
160 |
380 |
10 |
AC 250 |
● |
● |
|
EK13 |
221 |
218±2 |
186 |
380 |
10 |
AC 250 |
● |
● |
|
EK16 |
230 |
225±3 |
190 |
380 |
10 |
AC 250 |
● |
● |


Инфракрасн серии FK: 16 размеров a (mm)
| L | L1 | L2 | L3 | W | T | d | 1 | 2 |
| 21±1 | 13.5±1.0 | 78±2 | 5.0±1.0 | 12±1 | 5.5±0.5 | Φ5.5±1.0 | Φ1.6±0. 1 | Φ1.3±0. 1 |
Спецификации
| Модель | Tf |
Сплавлять Temp. |
Th | Tm | Инфракрасн | Ur | ![]() |
![]() |
| (°C) | (°C) | (°C) | (°C) | (A) | (V) | CCC | ||
| FK2 | 102 | 99±2 | 72 | 200 | 16 | AC 250 |
● |
● |
| FK3 | 115 | 112±2 | 85 | 200 | 16 | AC 250 |
● |
● |
|
FK4 |
125 |
121±2 |
95 |
200 |
16 |
AC 250 |
● |
|
|
FK5 |
130 |
125±2 |
100 |
200 |
16 |
AC 250 |
● |
● |
| FK6 | 133 | 130±2 | 107 | 200 | 16 | AC 250 | ● | |
| FK7 | 135 | 130±2 | 108 | 200 | 16 | AC 250 |
● |
|
| FK8 | 136 | 131±2 | 108 | 200 | 16 | AC 250 | ● | |
| FK9 | 145 | 140±2 | 115 | 200 | 16 | AC 250 | ● | |
|
FK10 |
150 |
145±2 |
120 |
200 |
16 |
AC 250 |
● |
● |
|
FK11 |
160 |
156±2 |
133 |
200 |
16 |
AC 250 |
● |
● |
|
FK12 |
200 |
197±2 |
160 |
380 |
16 |
AC 250 |
● |
● |
|
FK13 |
221 |
218±2 |
186 |
380 |
16 |
AC 250 |
● |
● |
|
FK16 |
230 |
225±3 |
190 |
380 |
16 |
AC 250 |
● |
● |


Инфракрасн серии LK: 20 a
Размеры (mm)
| L | L1 | L2 | L3 | W | T | d | 1 | 2 |
| 21±1 | 13.5±1.0 | 78±2 | 5.0±1.0 | 12±1 | 5.5±0.5 | Φ5.5±1.0 | Φ1.6±0. 1 | Φ1.3±0. 1 |
| Спецификации | |||||||
| Модель | Tf |
Сплавлять Temp. |
Th | Tm | Инфракрасн | Ur | ![]() |
| (°C) | (°C) | (°C) | (°C) | (A) | (V) | ||
| LK5 | 130 | 125±2 | 100 | 200 | 20 | AC 250 | ● |
| LK6 | 133 | 130±2 | 107 | 200 | 20 | AC 250 | ● |
| LK7 | 135 | 130±2 | 108 | 200 | 20 | AC 250 | ● |
| LK8 | 136 | 131±2 | 108 | 200 | 20 | AC 250 | ● |
| LK9 | 145 | 140±2 | 115 | 200 | 20 | AC 250 | ● |
| LK10 | 150 | 145±2 | 120 | 200 | 20 | AC 250 | ● |
| LK11 | 160 | 156±2 | 133 | 200 | 20 | AC 250 | ● |
| LK12 | 200 | 197±2 | 160 | 380 | 20 |
AC 250 |
● |
| LK13 | 221 | 218±2 | 186 | 380 | 20 | AC 250 | ● |
| LK16 | 230 | 225±3 | 190 | 380 | 20 | AC 250 | ● |
| LK17 | 240 | 235±3 | 210 | 380 | 20 | AC250 | ● |
| LK18 | 184 | 181±3 | 145 | 380 | 20 | AC250 | ● |
| LK19 | 192 | 187±3 | 150 | 380 | 20 | AC250 | ● |
| LK20 | 205 | 200±3 | 160 | 380 | 20 | AC250 | ● |
| LK21 | 216 | 210±3 | 175 | 380 | 20 | AC250 | ● |

