Батареи. Автомобиль электронный, 40A, выключение Термальн-связи сплава термальное (TCO)
Термальн-связь сплава/термальное выключение (TCO) определены как не-перестановное защитное приспособление действуя одно время только. Оно широк
ly использовал в электротехническом оборудовании. Сплав TCO главным образом состоит из плавкого сплава, потока, пластмассы или керамического случая, эпоксидной смолы sealant и
подводящие провода. Нормально, соединен плавкий сплав к 2 подводящим проводам. Под анормалными условиями, когда temp. достигаемости к
сплавляя temp. сплава TCO, плавкий сплав плавит и быстро втягивает к 2 концам подводящего провода с помощью потока и dis
соединяет цепь совершенно. Расклассифицированное настоящее 1 a до 200 a, расклассифицированный действуя Temp. 76 °C °Cto 230, с CCC, утверждения и RoHS, ДОСТИГАЕТ уступчивое.


Инфракрасн серии MD: 40 a
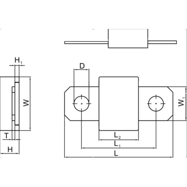
Размеры (mm)
| L | L1 | L2 | W | W1 | H | H1 | D | T |
| 38.5±1.0 | 26.5±0.5 | 14.0±0.5 | 19.0±0.5 | 12.0±0.2 | 7.0±0.5 | 1.5±0.2 | 5.3±0.2 | 1.0±0.1 |
Спецификации
| Модель | Tf | Сплавляя Temp. | Th | Tm | Инфракрасн | Ur | ![]() |
| (°C) | (°C) | (°C) | (°C) | (A) | (V) | ||
|
MD2 |
102 |
99±2 |
61 |
170 |
40 |
DC 100 |
● |
|
MD3 |
115 |
112±2 |
74 |
170 |
40 |
DC 100 |
● |
|
MD4 |
125 |
122±2 |
84 |
170 |
40 |
DC 100 |
● |
|
MD5 |
130 |
126±2 |
88 |
170 |
40 |
DC 100 |
● |
|
MD8 |
136 |
132±2 |
94 |
170 |
40 |
DC 100 |
● |
|
MD10 |
150 |
146±2 |
108 |
170 |
40 |
DC 100 |
● |
|
MD11 |
160 |
156±2 |
123 |
170 |
40 |
DC 100 |
● |