Робот использует ультразвуковой датчик преобразователя небольшого размера высокая чувствительность и звуковое давление 40 кГц
Описание:Ультразвуковой датчик
Модель:Водостойкий датчик TM-A1040H07TR

Характеристики
1.1) водонепроницаемый и двойного назначения
1.2) компактный и легкий
1.3) Высокая чувствительность и звуковое давление
1.4) Меньшее потребление энергии
1.5) Высокая надежность
1.6) Соблюдать правила RoHS
Область применения
Ультразвуковое наблюдение, задний радар и т.д.
Система безопасности, сигнализации
Проектирование и исследования роботов
Измерение уровня ультразвука

Спецификации
| Нет, нет, нет. | Положение | Единица | Спецификация |
| 1 | Строительство | Водостойкий ультразвуковой преобразователь | |
| 2 | Использование метода | двойной датчик передатчика и приемника | |
| 3 | Номинальная частота | Гц | 40 тысяч. |
| 4 | Чувствительность | ≥ 80 dBV/μMbar | |
| 5 | С П Л | ДБ | ≥ 92 (10V/30cm/синус волны) |
| 6 | Директива | 50 градусов | |
| 7 | Пропускная способность | pF | 2000±25%@1KHz |
| 8 | Диапазон обнаружения | m | 0.3...3 |
| 9 | Операционная температура | °C | -20... +70 |
| 10 | Материал для жилья | Аль. | |
| 11 | Вес | g | 1 |
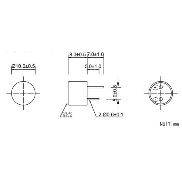
Механический Рисунок И ДИРЕКТИВА
единицы: мм

Пучок Патем



ТЕСТ Круг

Экологические КАРАКТЕРИСТИКА
1Уровень звукового давления и чувствительность не должны изменяться более чем на 15 дБ при температурном диапазоне -20°C.
60°C при относительной влажности 30%.
2Уровень звукового давления и чувствительность не должны изменяться более чем на 6 дБ при влажности от 10% до 90%, при
Температура 25 °.
3. НАВЛЕДНОСТЬ
Сохранять датчик при температуре 40°C±2°C и 90°C-95°C R.H. в течение 96±4 часов. Затем выпустить датчик в помещение в течение 24 часов до измерения. Он должен соответствовать спецификациям в таблице 1.
4Вибрация.
Подвергать датчик вибрации в течение 1 часа в оси X.Y и Z с амплитудой 1,5 мм
от 10 до 55 Гц. Он должен соответствовать спецификациям таблицы 1.
5. ВЫСТОЯЩЕНИЕ высокой температуры
В течение 24±1 часа подвергать датчик температуре 80±5°C, затем выпустить датчик в помещение в течение 1 часа до измерения.
4.6 Низкотемпературное воздействие
В течение 24±1 часа подвергать датчик температуре -30±5°C. Затем выпускать датчик в помещение в течение 1 часа до измерения. Он должен соответствовать спецификациям таблицы 1.
Таблица 1

ПАКТИВНО

Специализируемся в этой области уже 20 лет. Пожалуйста, свяжитесь с нами для получения дополнительной информации.
Электронная почта: sales88@taimihk.com
Мобильный телефон / WhatsApp: +86 13538467125
