Pinwheel привода RV коробок передач руки робота редуктор шестерни совместного Cycloidal планетарный Cyclo
Серия RV-E редуктора RV вид коробки передач уменьшения которая центризует с квартирой специально конструированной для точного контроля за движением. Эта серия редукторов скорости отличена компактной ригидности тела, облегченных, и высоких которая сильна достаточно для того чтобы быть против перегружать ситуации. Кроме того, преимущества свободной отрицательной реакции, ускорения микро- вращая вибрации и низкой гарантии инерции быстрого, ультра-точного располагать, и ровного движения. Серия RV шестерни точности редуктор идеальной скорости особенно для управления точности механического в полях механических инструментов, роботов фабрики, сборочного оборудования, транспортирующ машины, и других родственных полей которым нужна точный располагать, высокая ригидность, и емкость толчковой нагрузки. Редуктор RV-40E также вид стандартной встроенной коробки передач которая обеспечивает высокую эффективность в весьма компактной и высокой твердой компонентной конфигурации. Более высокие надежность и затратыэффективность спасибо коробки передач робота RV-E встроенные угловые шарикоподшипники для того чтобы поддержать внешнюю нагрузку. Компоненты свертывая контакта обеспечивают высокую эффективность коробки передач RV-E и длинный срок службы. Furthermore, 2-ступенчатым структура конструированная уменьшением уменьшает вибрацию и инерцию значительно и в то же время увеличивает коэффициенты. Кроме того, конфигурация пояса/шкива также доступна для редуктора RV-E. Редуктор RV-E отличен с высококачественной и высокой точностью вместе с 2-ступенчатым cycloidal дизайном который вносит вклад в высокий вращающий момент, большой коэффициент и удар-устойчивую возможность. Редуктор RV-E принимает компоненты контакта завальцовки для уменьшения ссадины и для того чтобы расширить срок службы. Кроме того, специально конструированные штырь и механизм зубчатого колеса с циклоидальным профилем зуба уменьшают отрицательную реакцию и в то же время обеспечивают более ударопрочное сопротивление чем традиционные редукторы скорости. И редуктор RV e cycloidal интегрирует большие внутренние угловые подшипники поддержки которые предлагают высоко емкость момента без потребности для внешнего прибора поддержки. Идеальный дизайн структуры шестерни и сильная поддержка подшипников ролика вала обеспечить бессрочную продолжительность эксплуатации и позволить немедленные максимальные нагрузки до 5 раз назначанного вращающего момента. (например для аварийных остановок)
Особенность
Коробки передач высокой точности планетарные широко использованы в индустрии авиации, космическом полете, корабле, радиолокаторе, подводной лодке, машинном оборудовании еды, медицинском машинном оборудовании, машинном оборудовании поставок women, композиционных материалах. Оборудование, аппаратуры точности испытывая, система передачи данных, робот, механическая рука, CNC механический инструмент, вырезывание и машинное оборудование сварочного оборудования, системы лазера, машинного оборудования ткани, печатания и красить, машинное оборудование упаковки, машинное оборудование печатания, испытывая машины, штемпелюя технологию, пластиковое машинное оборудование, стеклянное машинное оборудование, поднимаясь машинное оборудование, металлургическое машинное оборудование, проектирующ машинное оборудование и институт научного исследования университета и так далее.
Параметры деятельности RV-20E
|
Выход поворачивает скорость
r/min
Модель |
5 |
15 |
25 |
35 |
||||
|
Вращающий момент выхода |
Сила входного сигнала |
Вращающий момент выхода |
Сила входного сигнала |
Вращающий момент выхода |
Сила входного сигнала |
Вращающий момент выхода |
Сила входного сигнала |
|
|
Nm |
kW |
Nm |
kW |
Nm |
kW |
Nm |
kW |
|
|
20E |
243 |
0,17 |
180 |
0,38 |
152 |
0,54 |
137 |
0,66 |
Примечание: Расклассифицированный вращающий момент вращающий момент выхода когда выход поворачивает скорость на 15r/min.
Рабочие параметры RV-20E
|
Модель |
Коэффициент скорости |
Позволяемая скорость ведомого вала |
Максимальная отрицательная реакция |
Позволяемый вращающий момент ускорения/торможения |
Мгновенный максимальный позволяемый вращающий момент |
Позволяемый момент |
Мгновенное максимальное позволяемое движение |
Вес |
Эффективность |
Шум |
|
|
Вал вращает (r) |
Снабжение жилищем вращает |
r/min |
arc.min |
Nm |
Nm |
Nm |
Nm |
kg |
% |
dB |
|
|
20E |
81 |
80 |
75 |
1 |
450 |
900 |
880 |
1760 |
4,7 |
>80 |
<75> |
|
105 |
104 |
||||||||||
|
121 |
120 |
||||||||||
|
141 |
140 |
||||||||||
|
161 |
160 |
||||||||||
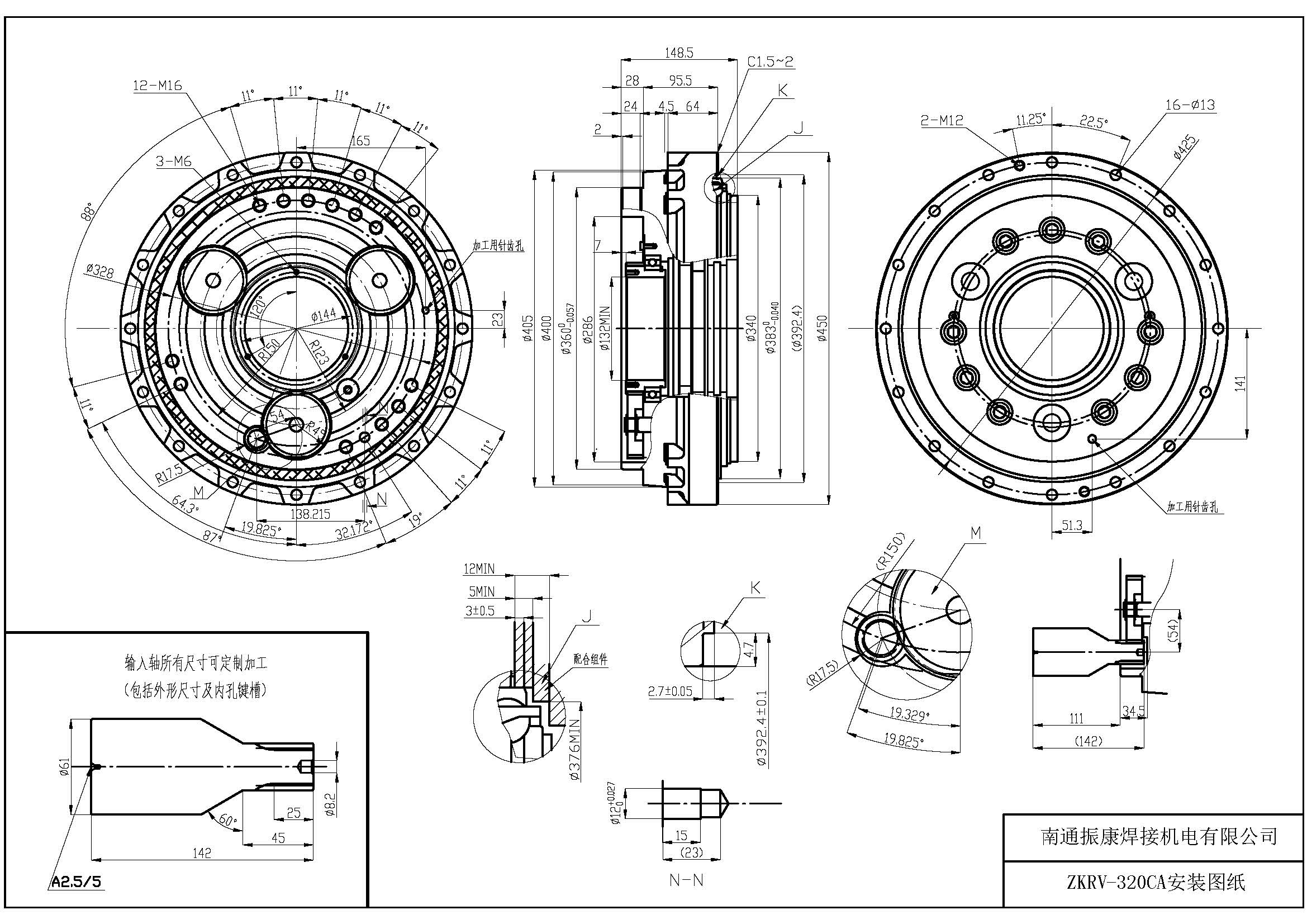
Параметры установки RV-20E
|
Внутренний болт шестиугольника
Номинальный тангаж размера x (mm) |
Прикрепляя вращающий момент (Nm) |
Прикрепляя сила (n) |
Требование к болта |
|
M6 ×1.0 |
15.6±0.78 |
13180 |
GB/T 70.1-2000
Класс интенсивности: 12,9 Требование к потока: GB/T 1167-1996 |
|
M10×1.5 |
73.5±3.43 |
38080 |
Коробки передач высокой точности Zhenkang робототехники гения планетарные широко использованы в индустрии авиации, космическом полете, корабле, радиолокаторе, подводной лодке, машинном оборудовании еды, медицинском машинном оборудовании, машинном оборудовании поставок women, композиционных материалах. Оборудование, аппаратуры точности испытывая, система передачи данных, робот, механическая рука, CNC механический инструмент, вырезывание и машинное оборудование сварочного оборудования, системы лазера, машинного оборудования ткани, печатания и красить, машинное оборудование упаковки, машинное оборудование печатания, испытывая машины, штемпелюя технологию, пластиковое машинное оборудование, стеклянное машинное оборудование, поднимаясь машинное оборудование, металлургическое машинное оборудование, проектирующ машинное оборудование и институт научного исследования университета и так далее.
Если вы не умеете как выбрать соответствующую коробку передач для вашей машины, пожалуйста, то не потревожьтесь. Мы имеем профессиональную техническую команду, который нужно служить вы. Покуда вы следовать нашими шагами, вы сумеете как выбрать правый размер. После заканчивать выбор, который соответствуют коробки передач для вашего мотора, мы отправим вами соответствуя чертеж CAD для вашей проверки для избежания всех ошибок. Мы также предлагаем 24 часа службы технической поддержки если вы имеете любые другие вопросы к разрешенный срочно.

вопросы и ответы
Q: Сколько времени ваш срок поставки? Что ваши условия платежа?
: Вообще 40-45 дней. Время может поменять в зависимости от продукта и уровня изготовления на заказ. Для стандартных продуктов, оплата является следующим: 30% T/T заранее, баланс перед пересылкой.
Q: Что точные MOQ или цена для вашего продукта?
: Как компания OBM, мы можем снабдить и приспособить наши продукты широкий диапазон потребностей. Таким образом, MOQ и цена могут значительно поменять с размером, материалом и более дополнительными спецификациями; Например, дорогие продукты или стандартные продукты обычно будут иметь более низкое MOQ. Пожалуйста свяжитесь мы со всеми уместными деталями для того чтобы получить самую точную цитату.