Уменьшение RV-320e Nabtesco этапа тяжелого груза 2 привода редуктора зубчатого колеса с циклоидальным профилем зуба
Приводы зубчатого колеса с циклоидальным профилем зуба уникальны и все еще unsurpassed где технология привода относится. Cycloidal редуктор скорости главн к традиционным механизмам шестерни, в виду того что он только работает с силой завальцовки и не подвергается действию сил ножниц. В сравнении с шестернями с нагрузками контакта, Cyclo приводы более устойчивы
и смогите поглотить весьма толчковые нагрузки посредством распределения равномерной нагрузки над передавать силы
компоненты. Cyclo приводы и cyclo моторы охарактеризованы их надежностью, длинным сроком службы
и выдающая эффективность, даже в сложных условиях.
Характеристика
Премьер-министр встроенный управляет как как редуктор, так и как gearmotor
Тихая, эффективная и надежная деятельность с высокой плотностью вращающего момента и компактными размерами
Заменимые снабжения жилищем литого железа в служить фланцем ноге, или конфигурациях держателя стороны
Доступные свободно-вал, полый вал quill, переходники C-стороны, основание лопаткоулавливателя, и входные сигналы верхн-держателя
Вибрация Mininimal, малошумная, низкая отрицательная реакция и выдвинутая рабочая жизнь
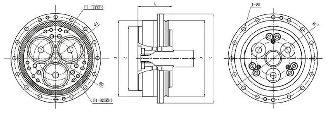
Параметры редуктора RV-320E зубчатого колеса с циклоидальным профилем зуба технические
| Модель | 20E | 40E | 80E | 110E | 160E | 320E | 450E |
| Коэффициент шестерни уменьшения |
57/81/105 121/141/161 |
57/81/105 121/153 |
81/101 121/153 |
81/111 161 |
81/101/129 145/171 |
81/101/129 141/171/185 201 |
154.8/171 192,4 |
| Расклассифицированный вращающий момент (Nm) | 180 | 400 | 800 | 1100 | 1600 | 3200 | 4500 |
| Максимальный работая вращающий момент (Nm) | 450 | 1000 | 2000 | 2750 | 4000 | 8000 | 11250 |
| Максимальный вращающий момент удара (Nm) | 900 | 2000 | 4000 | 5500 | 8000 | 16000 | 22500 |
| Скорость максимального выпуска продукции (r/min) | 75 | 70 | 70 | 50 | 45 | 35 | 25 |
| Космос зуба/нерабочий обратный ход (arc.min) | 1 | 0,8 | 0,8 | 0,7 | 0,6 | 0,5 | 0,5 |
| Жесткость при кручении (Nm/arc.min) | 48 | 105 | 195 | 290 | 390 | 978 | 1175 |
| Допустимый вращающий момент (Nm) | 880 | 1600 | 2150 | 2940 | 3900 | 7050 | 8800 |
| Позвольте тяге (n) | 3920 | 5190 | 7840 | 10770 | 14780 | 19600 | 24500 |
| Вес (kg) | 4,9 | 9,5 | 13,5 | 17,5 | 26,5 | 44,5 | 66,5 |
| Модель | 20E | 40E | 80E | 110E | 160E | 320E | 450E |
| 65 | 76 | 84 | 92,5 | 104 | 125 | 140 | |
| ¢B | 124 h7 | 160 h7 | 190 h7 | 208 h7 | 240 h7 | 284 h7 | 328 h7 |
| ¢C | 105 h6 | 135 h7 | 160 h7 | 182 h7 | 204 h7 | 245 h7 | 275 h7 |
| ¢D | 123 h7 | 160 h7 | 190 h7 | 200 | 230 | 280 | 310 |
| ¢E | 145 | 190 | 222 | 244 h7 | 280 h7 | 325 h7 | 370 h7 |
| F1 | 4 | 4 | 12 | 9 | 15 | 18 | 21 |
| F2 | M10 | M14 | M8 | M12 | M8 | M10 | M12 |
| F3 | 18 | 20 | 15 | 20 | 15 | 18 | 20 |
| ¢G | 72 | 98 | 142 | 138 | 180 | 224 | 250 |
| H1 | 2 | 2 | 6 | 3 | 6 | 6 | 6 |
| H2 | M10 | M14 | M10 | M12 | M16 | M16 | M16 |
| H3 | 18 | 20 | 20 | 20 | 30 | 32 | 35 |
| ¢I | 65 | 85 | 110 | 100 | 145 | 172 | 190 |
| J | 16 | 16 | 16 | 12 | 12 | 16 | 24 |
| ¢K | 6,8 | 9 | 9 | 11 | 13 | 13 | 13 |
| ¢L | 135 | 175 | 206 | 226 | 260 | 304 | 348 |


