100kva однофазный электрический столб установленный тип распределительный трансформатор Масло погруженное 24,9KV до 240V
Однофазные WINLEY® полностью соответствуют или даже превосходят международные стандарты, такие как ANSI/IEEE, CSA и DOE.Его экспортировали в Северную Америку., Центральной и Южной Америки и других рынков в больших количествах.

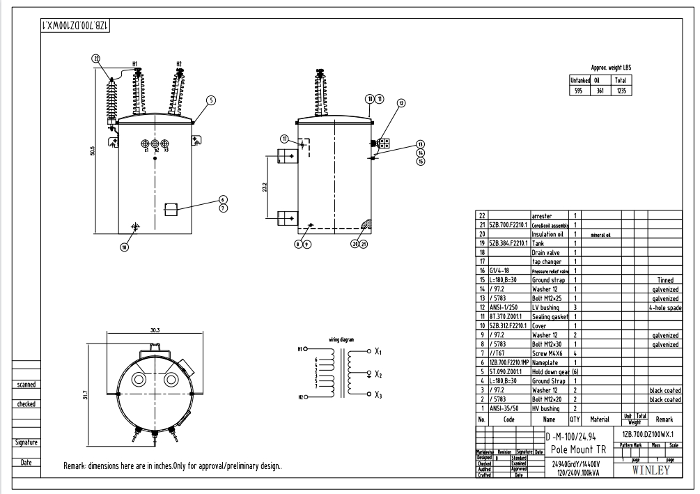
Структурные особенности
Система качества сертифицирована по ISO 9001
Соответствует стандарту энергоэффективности DOE или превышает стандарты ANSI/IEEE и CSA
Подъемные лопатки
Мостовые подложки для зажима
Порцеланы высокой проходимости с крышкой
Бусины с прицелом на глазной болт
Низковольтные тюбинки с прицепами для глазных болтов
Низковольтный нейтральный заземляющий ремень ((не показан) ((только 10-50 кВА класса В-2 и В-3))
ANSI поддерживающие лопатки (подвесные скобки) с лазерной надписью на нижнем скобке
Изолированная крышка из полиэстера
Сборка крышки самопроветривания и перезапечатывания
Опорные скобки центрального ядра/коуля
Низовольтные провода
Масляная розетка с земляным ремнем
Заземление резервуара
Поточные дополнительные функции являются стандартными только на самозащищающихся типах CSP блоков
Первичное защитное звено (монтируется в высоковольтном корпусе)
Задержка перенапряжения
Вторичный выключатель
Вторичная рабочая ручка отключателя с аварийным перегрузкой и сигнальным светом перегрузки
Основные данные
| Тип трансформатора | Трансформатор наземного распределения, обычный тип |
| Фаза | Однофазная |
| Мощность | 100 КВА |
| Первичное напряжение | 24940GrdY/14400 (2 провода) |
| Класс первичного напряжения | Класс 25 кВ |
| Первичный фазор | Уай с землей |
| Первичный BIL | 150 кВ |
| Вторичное напряжение | 120/240В (L-N-L) |
| Класс вторичного напряжения | 1Класс 2 кВ |
| Вторичный фазор | Однофазовая двойная обмотка |
| Вторичный BIL | 30 кВ |
| Частота | 60 Гц |
| Повышение температуры | 65°С |
| Класс охлаждения | ОНАН; самоохлаждаемые |
| Эффективность | Соответствует стандарту DOE 2016 |
| Материал намотки | Медь |
| Оценка температуры окружающей среды | 40°C |
| Размеры | 27''-W x 28''-D x 50''-H |
| Эффективность | 99.00% |
| Нет потерь нагрузки (в ватах) | +/- 273W |
| Потеря полной нагрузки (в ватах) | +/- 1,105 Вт |
| Общая потеря нагрузки (в ватах) | +/- 1,378 Вт |
Рисунки продукции

Спецификации
| 10kva-500kva Однофазный трансформатор, погруженный в масло | ||||||
| Номинальная капитализация ((kVA) | Высокий | Низкое напряжение (v) | Символ соединения | Стандартный | Импеданс короткого замыкания ((%) | Эффективность |
| Напряжение ((v) | (%) | |||||
| 10 | 4160 7200 12000 12470 13200 13800 19920 24940 34500 |
110 220 230 400 480 |
II0,II6 | IEEE/ANSI/DOE | 10,8 - 4% | 98.7 |
| 15 | 98.82 | |||||
| 25 | 98.95 | |||||
| 37.5 | 99.05 | |||||
| 50 | 99.11 | |||||
| 75 | 99.19 | |||||
| 100 | 99.25 | |||||
| 167 | 99.33 | |||||
| 250 | 99.39 | |||||
| 333 | 99.43 | |||||
| 500 | 99.49 | |||||
Аксессуары

Процесс производства



Частые вопросы
1Вопрос: Можно заказать образец?
О: Да, мы приветствуем заказ образца для проверки качества.
2Вопрос: Сколько времени?
О: Время массового производства 15-25 дней.
3. Q: Сколько времени гарантия?
Ответ: 24 месяца с момента B / L. Если есть какие-либо проблемы с аксессуарами, просто предоставьте фотографии поврежденного аксессуара, тогда мы предоставим бесплатный сервис.мы предоставим легко поврежденные аксессуары бесплатно. мы также можем предоставить техническую поддержку, если вам понадобится.
4Вопрос: Есть ли OEM/ODM?
A: Да, это так! Мы являемся производителем с нашей собственной командой исследований и разработок, мы можем настроить продукцию в соответствии с рисунком или требованиями клиента.
Услуги на заказ:
a. настраиваемый цвет и специальная функция.
b. Коробка на заказ.
в. Напечатать логотип клиента.
d. Ваши другие идеи о продукте, мы можем помочь вам разработать и ввести их в производство.
5Вопрос: Как контролировать качество продукции?
A: Наша компания владеет основной технологией, все виды продукции имеют сертификат CE. У нас есть профессиональные инженеры. Рабочие строго обязаны производить продукцию в соответствии с чертежами.Каждый процесс имеет технических инструкторовМы будем регулярно проверять производство, проводить тесты производительности продукции во время производства и всеобъемлющие тесты качества после завершения производства.