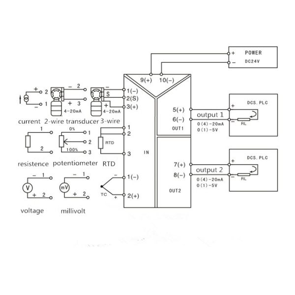
Входной сигнал
Входной сигнал: PT100, Cu50, Ni1000 и другое термальное сопротивление; B, e, j, k, n, r, s, t и другие термопары; напряжение тока (максимальная дальность 0-10V); милливольты (максимальная дальность 0-100mV); Настоящий источник (4 - 20mA); передатчик (распределение), настоящее 4-20mA; резистор, потенциометр (максимальная дальность 0-2K)
Напряжение тока распределения: ≥16V
Измеряя ряд: в зависимости от используемого типа датчика
Выход
Выходной сигнал: 4-20mA; 0-20mA; 0-5V; 0-10V
Сопротивление нагрузки выхода: ≤ 500Ω RL (когда выход настоящий сигнал); ≥ 10KΩ RL (когда выход сигнал напряжения тока)
Основные параметры
Электропитание: DC24V, ±10%
Текущее потребление: выход ≤50mA (один входной сигнал и одно электропитание выхода 24V, 20mA); ≤70mA (один входной сигнал и 2 выход, 24V электропитание, 20mA вывели наружу)
Основная точность: 0,1% F.S.
Время на ответ: 0.5S
Прочность изоляции: AC 1500V/1min (между входным сигналом, выходом, и силой)
Сопротивление изоляции: ≥100MΩ (между входным сигналом, выходом, и силой)
Температурная амплитуда рабочей температуры: -20~+55 градусов
Электромагнитная совместимость: в соответствии с GB/T 18268 (IEC61326-1)
| Параметр | ||||
| THS-TP | X | X | X | метки |
| Конфигурация | 1 | 1 выход входного сигнала 1 | ||
| 2 | 1 выход входного сигнала 2 | |||
| Входной сигнал | U | Общий сигнал ввода (RTD, TC, потенциометр) Пожалуйста покажите тип сигнала и ряд измерения | ||
| Выходной сигнал | 1 | 4-20mA | ||
| 2 | 0-20mA | |||
| 4 | 0-5V | |||
| 6 | 0-10V | |||
| Пожалуйста покажите ваш необходимый тип входного сигнала и тип выхода когда заказ места | ||||
Размер

Как связать проволокой
