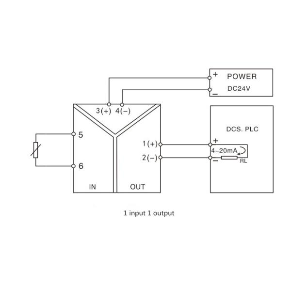
Входной сигнал датчика 0-5KΩ сигнала сопротивления к выходу 4-20mA или 0-5V
Входной сигнал
Входной сигнал: сигнал сопротивления, ряд сопротивления: 0-5KΩ
Стимулирующий метод: встроенное возбуждение настоящего источника постоянного точности
Выход
Выходной сигнал: 4-20mA; 0-20mA; 0-5V; 0-10V
Течение максимального выпуска продукции: 35mA
Сопротивление нагрузки выхода: ≤ 500Ω RL (когда выход настоящий сигнал);
RL>10KΩ (когда выход сигнал напряжения тока)
Примечание: Потребитель может определить выход текущего объема производства или напряжения тока приказывая.
Основные параметры
Сила: DC24V, ряд напряжения тока: DC18-36V
Текущее потребление: ≤35mA (один входной сигнал и один выход, 24V электропитание, 20mA вывели наружу)
Основная точность: ± 0.1% F.S.
Смещение температуры: 0,005% F.S./°C
Время на ответ: ≤10mS (0-90%) (ТИП)
Предохранение от силы: обратное предохранение от силы
Прочность изоляции: AC 1500V/1min (между входным сигналом, выходом, и силой)
Сопротивление изоляции: ≥100MΩ (между входным сигналом, выходом, и силой)
Температурная амплитуда рабочей температуры: -20~+55 градусов
Электромагнитная совместимость: в соответствии с GB/T 18268 (IEC61326-1)
Применимые приборы поля: двухпроводной резистор
| Параметр | ||||
| LS-TU-R | X | X | X | Примечания |
| Установка канала | 1 | Один выход входного сигнала одного | ||
| Установка ВХОДНОГО СИГНАЛА
| 0-500Ω | |||
| B | 0-1KΩ | |||
| C | 0-5KΩ | |||
| ВЫВЕДЕННАЯ НАРУЖУ установка | 1 | 4-20mA | ||
| 2 | 0-20mA | |||
| 5 | 0-5V | |||
| 7 | 0-10V | |||
| Примечание: пожалуйста подтвердите что вроде входному сигналу и выходной сигнал вы нужно когда вы заказ места | ||||

