Фланец Atk слепое GOST33259 TYPE11 WNRF нержавеющей стали ст.12х18 Н 10Т фланца GOST33259 для соединения трубы
СТАНДАРТ: ГОСТ (ГОСУДАРСТВЕННЫЙ СТАНДАРТ) ATK/GOST12820/GOST12821 GOST33259 TYPE01/GOST33259 TYPE11/
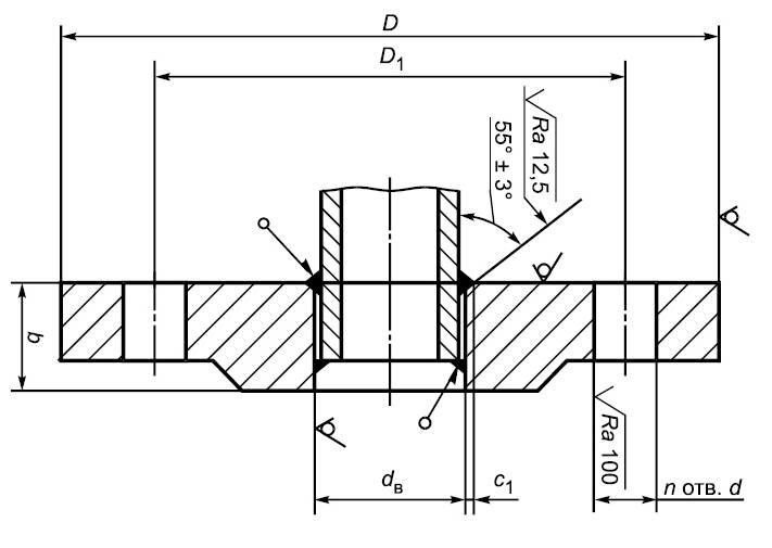
РАЗМЕР: DN10-DN2000
ДАВЛЕНИЕ: PN16, PN10, PN6, PN25, PN40, PN63
ТИП: ПЛИТА, МЫ ТАКЖЕ МОЖЕМ ПОСТАВИТЬ ДРУГУЮ СВАРИВАЯ ШЕЮ, SLIP ДАЛЬШЕ, СЛЕПОЙ, ПРОДЕТЫЙ НИТКУ ФЛАНЕЦ
MATERAIL: ст.12х18 Н 10Т, ст.10х17Н13М2Т, 12MN, 16MN, CT20, 20#.
ПОКРЫТИЕ: НЕРЖАВЕЮЩАЯ СТАЛЬ, РЖАВЧИН-ЗАЩИТНОЕ МАСЛО
МИНИМАЛЬНЫЙ ЗАКАЗ: 5TONS
ПАКЕТ: ПАКЕТ СЛУЧАЯ PLYWOODEN, ДЕРЕВЯННЫЙ ПАКЕТ ПАЛЛЕТА
ОПЛАТА: L/C, T/T
СРОК ПОСТАВКИ: 15DAYS ПОСЛЕ ОПЛАТЫ И ВАШЕГО REQUIRMENTS

| 压力 | 尺寸 | 外径 | 中心距 | 突台径 | 盘厚 | 水线径 | 孔径 | 突台高 | 水线高 | 孔数 | 单重 |
| PN | Dy, MM | D, MM | D1, MM | D2, MM | b, MM | d2, MM | d, MM | h1, MM | h, MM | Macca, kr | |
| Py = 1,0MПа (10кгс/CM2) | |||||||||||
| PN=1.0 | 15 | 95 | 65 | 45 | 12 | 10 | 14 | 2 | 2 | 4 | 0,43 |
| 20 | 105 | 75 | 58 | 16 | 0,55 | ||||||
| 25 | 115 | 85 | 68 | 22 | 0,67 | ||||||
| 32 | 135 | 100 | 78 | 28 | 18 | 0,91 | |||||
| 40 | 145 | 110 | 88 | 14 | 36 | 3 | 1,24 | ||||
| 50 | 160 | 125 | 102 | 46 | 1,55 | ||||||
| 65 | 180 | 145 | 122 | 60 | 2,04 | ||||||
| 80 | 195 | 160 | 138 | 76 | 2,44 | ||||||
| 100 | 215 | 180 | 158 | 94 | 8 | 2,97 | |||||
| 125 | 245 | 210 | 188 | 16 | 118 | 4,69 | |||||
| 150 | 280 | 240 | 212 | 142 | 23 | 6,07 | |||||
| 200 | 335 | 295 | 268 | 196 | 9,09 | ||||||
| 250 | 390 | 350 | 320 | 18 | 244 | 12 | 14,26 | ||||
| 300 | 440 | 400 | 370 | 20 | 294 | 4 | 3 | 19,88 | |||
| 350 | 500 | 460 | 430 | 24 | 344 | 16 | 31,94 | ||||
| 400 | 565 | 515 | 482 | 26 | 390 | 27 | 44,43 | ||||
| 500 | 670 | 620 | 585 | 30 | 490 | 20 | 74,31 | ||||
| 600 | 780 | 725 | 685 | 34 | 590 | 30 | 5 | 4 | 119,27 | ||
| 800 | 1010 | 950 | 905 | 42 | 780 | 33 | 24 | 242,06 | |||
| 1000 | 1220 | 1160 | 1110 | 50 | 980 | 28 | 429,64 | ||||
| 1200 | 1455 | 1380 | 1325 | 55 | 1180 | 40 | 32 | 673,13 | |||
| 压力 | 尺寸 | 外径 | 中心距 | 突台径 | 盘厚 | 水线径 | 孔径 | 突台高 | 水线高 | 孔数 | 单重 |
| PN | Dy, MM | D, MM | D1, MM | D2, MM | b, MM | d2, MM | d, MM | h1, MM | h, MM | Macca, kr | |
| Py = 1,6 MПа (16кгс/CM2) | |||||||||||
| PN=1.6 | 15 | 95 | 65 | 45 | 12 | 10 | 14 | 2 | 2 | 4 | 0,43 |
| 20 | 105 | 75 | 58 | 16 | 0,55 | ||||||
| 25 | 115 | 85 | 68 | 22 | 0,67 | ||||||
| 32 | 135 | 100 | 78 | 28 | 18 | 0,91 | |||||
| 40 | 145 | 110 | 88 | 14 | 36 | 3 | 1,24 | ||||
| 50 | 160 | 125 | 102 | 46 | 1,55 | ||||||
| 65 | 180 | 145 | 122 | 60 | 2,04 | ||||||
| 80 | 195 | 160 | 138 | 76 | 2,44 | ||||||
| 100 | 215 | 180 | 158 | 16 | 94 | 8 | 3,51 | ||||
| 125 | 245 | 210 | 188 | 118 | 4,69 | ||||||
| 150 | 280 | 240 | 212 | 18 | 142 | 23 | 6,99 | ||||
| 200 | 335 | 295 | 268 | 20 | 196 | 12 | 11,49 | ||||
| 250 | 405 | 355 | 320 | 24 | 244 | 27 | 19,74 | ||||
| 300 | 460 | 410 | 378 | 28 | 294 | 4 | 3 | 29,58 | |||
| 350 | 520 | 470 | 438 | 32 | 344 | 16 | 44,22 | ||||
| 400 | 580 | 525 | 490 | 34 | 390 | 30 | 59,86 | ||||
| 500 | 710 | 650 | 610 | 40 | 490 | 33 | 20 | 102,69 | |||
| 600 | 840 | 770 | 720 | 45 | 590 | 40 | 5 | 4 | 161,98 | ||
| 800 | 1020 | 950 | 900 | 52 | 780 | 24 | 300,60 | ||||
| 1000 | 1255 | 1170 | 1110 | 63 | 980 | 46 | 28 | 542,16 | |||
| 1200 | 1485 | 1390 | 1325 | 75 | 1180 | 52 | 32 | 922,18 | |||



