ГОСТ (ГОСУДАРСТВЕННЫЙ СТАНДАРТ) ФЛАНЦА 33259 TYPE01, ПЕЧАТАЕТ 02, ПЕЧАТАЕТ 05 ГОСТ 12820 ГОСТ 12821 PN06 PN10 PN10 PN16 PN25 PN40
|
СТАНДАРТ
| Тип | Давление | Материал | размер | Процесс | Поверхность обработка |
| GOST33259 GOST12820 GOST12821
| ТАК, ШТОРКИ, WN
| PN06, PN10, PN16, PN25, PN40, PN64, PN100, | сталь углерода нержавеющая сталь | DN15-DN3000 | ВЫКОВАЛ, КУЮЩ | Светлое масло |
ФЛАНЕЦ ПЛИТЫ, СЛЕПОЙ ФЛАНЕЦ, СВАРИВАЯ ФЛАНЕЦ ШЕИ
ГОСТ 12820, ГОСТ12821
PN06-PN160
........

ГОСТ 12820 PN06-PN25

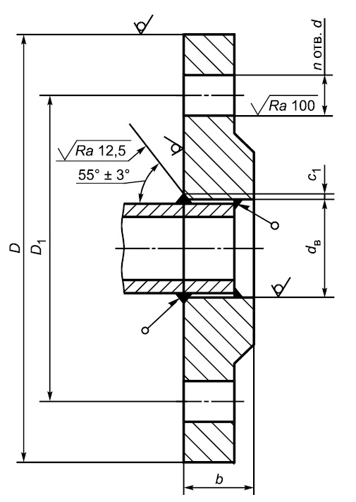
| 2. Ряду стандарта ГОСТ 33259-2015 должны соответствовать 1 b с уплотнительной поверхностью исполнения Толщина и масса плоских приварных фланцев (тип 01) (уплотнительный выступ). Значения основных параметров приведены в таблице 1,2. | 2. Толщина и масса простых фланцов (типа 01) с поверхностью для заклеивания b (поднятой стороной) должны исполнить с 1-ой строкой ГОСТ (ГОСУДАРСТВЕННЫЙ СТАНДАРТ) 33259-2015 стандартных требований. Значения основных параметров показаны в таблице 1,2 |
| Dy/Dn | ØD | ØD1 | ØD2 | Ødв/ Ødin | b | h | c1 | Отв Ød. / Отверстия Ød | Кол-во отв. /количество отверстий n | Масса, кг/вес блока, kg |
| Pn = 0,1 и 0,25 MPa (1 и 2,5 kg/cm2) | ||||||||||
| 10 | 75 | 50 | 35 | 15 | 10 | 2 | 2 | 11 | 4 | 0,25 |
| 15 | 80 | 55 | 40 | 19 | 0,29 | |||||
| 20 | 90 | 65 | 50 | 26 | 12 | 0,45 | ||||
| 25 | 100 | 75 | 60 | 33 | 3 | 0,55 | ||||
| 32 | 120 | 90 | 70 | 39 | 14 | 0,79 | ||||
| 40 | 130 | 100 | 80 | 46 | 13 | 3 | 0,95 | |||
| 50 | 140 | 110 | 90 | 59 | 1,04 | |||||
| 65 | 160 | 130 | 100 | 78 | 14 | 4 | 1,39 | |||
| 80 | 185 | 150 | 128 | 91 | 18 | 1,84 | ||||
| 100 | 205 | 170 | 148 | 110 | 2,14 | |||||
| 125 | 235 | 200 | 178 | 135 | 16 | 8 | 2,60 | |||
| 150 | 260 | 225 | 202 | 154 | 3,61 | |||||
| Dy/Dn | ØD | ØD1 | ØD2 | Ødв/ Ødin | b | h | c1 | Отв Ød. / Отверстия Ød | Кол-во отв. /количество отверстий n | Масса, кг/вес блока, kg |
| 200 | 315 | 280 | 258 | 222 | 18 | 3 | 4 | 18 | 8 | 4,73 |
| 250 | 370 | 335 | 312 | 273 | 21 | 6 | 12 | 6,95 | ||
| 300 | 435 | 395 | 365 | 325 | 22 | 4 | 22 | 9,33 | ||
| 350 | 485 | 445 | 415 | 377 | 7 | 10,45 | ||||
| 400 | 535 | 495 | 465 | 426 | 16 | 11,64 | ||||
| 450 | 590 | 550 | 520 | 480 | 24 | 14,60 | ||||
| 500 | 640 | 600 | 570 | 530 | 16,01 | |||||
| 600 | 755 | 705 | 670 | 630 | 25 | 5 | 26 | 20 | 21,35 | |
| 700 | 860 | 810 | 840 | 720 | 26 | 9 | 24 | 29,20 | ||
| 800 | 975 | 920 | 880 | 820 | 30 | 36,63 | ||||
| 900 | 920 | 1050 | 980 | 920 | 28 | 44,20 | ||||
| 1000 | 1175 | 1120 | 1080 | 1020 | 30 | 10 | 28 | 52,58 | ||
| 1200 | 1375 | 1320 | 1280 | 1220 | 32 | 62,36 | ||||
| 1400 | 1575 | 1520 | 1480 | 1420 | 32 | 30 | 36 | 77,60 | ||
| 1600 | 1785 | 1730 | 1690 | 1620 | 40 | 94,30 | ||||
| 1800 | 1985 | 1930 | 1890 | 1820 | 35 | 44 | 117,00 | |||
| 2000 | 2190 | 2130 | 2090 | 2020 | 48 | 133,00 | ||||
| 2200 | 2405 | 2340 | 2295 | 2220 | 42 | 6 | 33 | 52 | 190,00 | |
| 2400 | 2605 | 2540 | 2495 | 2420 | 47 | 56 | 237,00 | |||
| Pn = 0,6 MPa (6 kg/cm2) | ||||||||||
| 10 | 75 | 50 | 35 | 15 | 12 | 2 | 2 | 11 | 4 | 0,31 |
| 15 | 80 | 55 | 40 | 19 | 0,33 | |||||
| 20 | 90 | 65 | 50 | 26 | 14 | 0,53 | ||||
| 25 | 100 | 75 | 60 | 33 | 3 | 0,64 | ||||
| 32 | 120 | 90 | 70 | 39 | 15 | 14 | 1,01 | |||
| 40 | 130 | 100 | 80 | 46 | 16 | 3 | 1,21 | |||
| 50 | 140 | 110 | 90 | 59 | 1,33 | |||||
| 65 | 160 | 130 | 100 | 78 | 4 | 1,63 | ||||
| 80 | 185 | 150 | 128 | 91 | 18 | 18 | 2,44 | |||
| 100 | 205 | 170 | 148 | 110 | 2,85 | |||||
| 125 | 235 | 200 | 178 | 135 | 20 | 8 | 3,88 | |||
| 150 | 260 | 225 | 202 | 161 | 4,39 | |||||
| 200 | 315 | 280 | 258 | 222 | 22 | 5,89 | ||||
| 250 | 370 | 335 | 312 | 273 | 23 | 6 | 12 | 7,67 | ||
| 300 | 435 | 395 | 365 | 325 | 24 | 4 | 22 | 10,28 | ||
| 350 | 485 | 445 | 415 | 377 | 26 | 7 | 12,58 | |||
| 400 | 535 | 495 | 465 | 426 | 28 | 16 | 15,20 | |||
| 450 | 590 | 550 | 520 | 480 | 17,30 | |||||
| 500 | 640 | 600 | 570 | 530 | 29 | 19,72 | ||||
| 600 | 755 | 705 | 670 | 630 | 30 | 5 | 26 | 20 | 26,24 | |
| 700 | 860 | 810 | 775 | 720 | 32 | 9 | 24 | 36,68 | ||
| 800 | 975 | 920 | 880 | 820 | 30 | 46,14 | ||||
| 900 | 1075 | 1020 | 980 | 920 | 34 | 55,10 | ||||
| 1000 | 1175 | 1120 | 1080 | 1020 | 36 | 10 | 28 | 64,36 | ||
| 1200 | 1400 | 1340 | 1295 | 1220 | 39 | 33 | 32 | 99,03 | ||
| 1400 | 1620 | 1560 | 1510 | 1420 | 48 | 36 | 161,45 | |||
| 1600 | 1820 | 1760 | 1710 | 1620 | 53 | 40 | 203,05 | |||
| 1800 | 2045 | 1970 | 1920 | 1820 | - | 39 | 44 | |||
| 2000 | 2265 | 2180 | 2125 | 2020 | - | 45 | 48 | |||
| Pn = MPa 1,0 (10 kg/cm2) | ||||||||||
| 10 | 90 | 60 | 42 | 15 | 12 | 2 | 2 | 14 | 4 | 0,46 |
| 15 | 95 | 65 | 47 | 19 | 0,51 | |||||
| 20 | 105 | 75 | 58 | 26 | 14 | 0,74 | ||||
| Dy/Dn | ØD | ØD1 | ØD2 | Ødв/ Ødin | b | h | c1 | Отв Ød. / Отверстия Ød | Кол-во отв. /количество отверстий n | Масса, кг/вес блока, kg |
| 25 | 115 | 85 | 68 | 33 | 14 | 2 | 3 | 14 | 4 | 0,89 |
| 32 | 135 | 100 | 78 | 39 | 16 | 18 | 1,40 | |||
| 40 | 145 | 110 | 88 | 46 | 18 | 3 | 1,71 | |||
| 50 | 160 | 125 | 102 | 59 | 2,06 | |||||
| 65 | 180 | 145 | 122 | 78 | 20 | 4 | 2,80 | |||
| 80 | 195 | 160 | 133 | 91 | 3,19 | |||||
| 100 | 215 | 180 | 158 | 110 | 22 | 8 | 3,96 | |||
| 125 | 245 | 210 | 184 | 135 | 24 | 5,40 | ||||
| 150 | 280 | 240 | 212 | 161 | 22 | 6,62 | ||||
| 200 | 335 | 295 | 268 | 222 | 8,05 | |||||
| 250 | 390 | 350 | 320 | 273 | 26 | 6 | 12 | 10,65 | ||
| 300 | 440 | 400 | 370 | 325 | 28 | 4 | 12,90 | |||
| 350 | 500 | 460 | 430 | 377 | 7 | 16 | 15,85 | |||
| 400 | 565 | 515 | 482 | 426 | 30 | 26 | 16 | 21,56 | ||
| 450 | 615 | 565 | 532 | 480 | 20 | 22,76 | ||||
| 500 | 670 | 620 | 585 | 530 | 32 | 27,70 | ||||
| 600 | 780 | 725 | 685 | 630 | 36 | 5 | 30 | 39,40 | ||
| 700 | 895 | 840 | 800 | 720 | 39 | 9 | 24 | 59,46 | ||
| 800 | 1010 | 950 | 905 | 820 | 42 | 33 | 79,16 | |||
| 900 | 1110 | 1050 | 1005 | 920 | 48 | 28 | 94,13 | |||
| 1000 | 1220 | 1160 | 1110 | 1020 | 10 | 118,43 | ||||
| 1200 | 1455 | 1380 | 1330 | 1222 | 56 | 39 | 32 | 197,44 | ||
| 1400 | 1675 | 1590 | 1530 | 1420 | 65 | 45 | 36 | 278,92 | ||
| 1600 | 1915 | 1820 | 1750 | 1620 | 75 | 52 | 40 | 422,65 | ||
| Pn = MPa 1,6 (16 kg/cm2) | ||||||||||
| 10 | 90 | 60 | 42 | 15 | 14 | 2 | 2 | 14 | 4 | 0,54 |
| 15 | 95 | 65 | 47 | 19 | 0,61 | |||||
| 20 | 105 | 75 | 58 | 26 | 16 | 0,86 | ||||
| 25 | 115 | 85 | 68 | 33 | 18 | 3 | 1,17 | |||
| 32 | 135 | 100 | 78 | 39 | 18 | 1,58 | ||||
| 40 | 145 | 110 | 88 | 46 | 20 | 3 | 1,96 | |||
| 50 | 160 | 125 | 102 | 59 | 22 | 2,58 | ||||
| 65 | 180 | 145 | 122 | 78 | 24 | 4 | 3,42 | |||
| 80 | 195 | 160 | 133 | 91 | 3,71 | |||||
| 100 | 215 | 180 | 158 | 110 | 26 | 8 | 4,73 | |||
| 125 | 245 | 210 | 184 | 135 | 28 | 6,38 | ||||
| 150 | 280 | 240 | 212 | 161 | 22 | 7,81 | ||||
| 200 | 335 | 295 | 268 | 222 | 30 | 12 | 10,10 | |||
| 250 | 405 | 355 | 320 | 273 | 31 | 6 | 26 | 14,49 | ||
| 300 | 460 | 410 | 370 | 325 | 32 | 4 | 17,78 | |||
| 350 | 520 | 470 | 430 | 377 | 34 | 7 | 16 | 22,88 | ||
| 400 | 580 | 525 | 482 | 426 | 38 | 30 | 31,00 | |||
| 450 | 640 | 585 | 532 | 480 | 42 | 20 | 39,64 | |||
| 500 | 710 | 650 | 585 | 530 | 48 | 33 | 57,01 | |||
| 600 | 840 | 770 | 685 | 630 | 50 | 5 | 39 | 80,03 | ||
| 700 | 910 | 840 | 800 | 720 | 52 | 9 | 24 | 84,21 | ||
| 800 | 1020 | 950 | 905 | 820 | 54 | 104,41 | ||||
| 900 | 1120 | 1050 | 1005 | 920 | 59 | 28 | 128,6 | |||
| 1000 | 1255 | 1170 | 1110 | 1020 | 63 | 10 | 45 | 179,37 | ||
| 1200 | 1485 | 1390 | 1330 | 1220 | 76 | 52 | 32 | 297,78 | ||
| Pn = MPa 2,5 (25 kg/cm2) | ||||||||||
| 10 | 90 | 60 | 42 | 15 | 16 | 2 | 2 | 14 | 4 | 0,63 |
| 15 | 95 | 65 | 47 | 19 | 0,70 | |||||
| Dy/Dn | ØD | ØD1 | ØD2 | Ødв/ Ødin | b | h | c1 | Отв Ød. / Отверстия Ød | Кол-во отв. /количество отверстий n | Масса, кг/вес блока, kg |
| 20 | 105 | 75 | 58 | 26 | 18 | 2 | 2 | 14 | 4 | 0,98 |
| 25 | 115 | 85 | 68 | 33 | 3 | 1,17 | ||||
| 32 | 135 | 100 | 78 | 39 | 20 | 18 | 1,77 | |||
| 40 | 145 | 110 | 88 | 46 | 22 | 3 | 2,18 | |||
| 50 | 160 | 125 | 102 | 59 | 24 | 2,71 | ||||
| 65 | 180 | 145 | 122 | 78 | 4 | 8 | 3,22 | |||
| 80 | 195 | 160 | 133 | 91 | 26 | 4,06 | ||||
| 100 | 230 | 190 | 158 | 110 | 28 | 22 | 5,92 | |||
| 125 | 270 | 220 | 184 | 135 | 30 | 26 | 8,26 | |||
| 150 | 300 | 250 | 212 | 161 | 10,51 | |||||
| 200 | 360 | 310 | 278 | 222 | 32 | 12 | 13,34 | |||
| 250 | 425 | 370 | 335 | 273 | 34 | 6 | 30 | 18,90 | ||
| 300 | 485 | 430 | 390 | 325 | 36 | 4 | 16 | 23,95 | ||
| 350 | 550 | 490 | 450 | 377 | 42 | 7 | 33 | 34,35 | ||
| 400 | 610 | 550 | 505 | 426 | 44 | 44,62 | ||||
| 450 | 660 | 600 | 555 | 480 | 48 | 20 | 51,80 | |||
| 500 | 730 | 660 | 615 | 530 | 52 | 39 | 67,30 | |||
| 600 | 840 | 770 | 720 | 630 | 54 | 5 | 90,87 | |||
| 700 | 960 | 875 | 820 | 720 | 60 | 9 | 45 | 24 | 126,82 | |
| 800 | 1075 | 990 | 930 | 820 | 68 | 181,43 | ||||
Материал
1) сталь углерода Q234 CT20 20#
Поверхностное антиржавейное:
Поверхностное антиржавейное 1: Антиржавейное светлое масло
Поверхностные антиржавейные 2: Galnavized (окунутое горячее гальванизированный или Electro гальванизированный)
Соедините сторону (ГОСТ 12815):
Поверхность 1: Ровный финиш
Поверхность 2: Sprial serrated
Поверхность 3: 2 или 3 пазы (водоразделы)
(Поднятое face=RF, плоское face=FF)

Термины:
1) оплата: Невозвратное L/C по предъявлении или T/T, D/P
2) условие доставки ОБМАНЫВАЕТ порт порта Китая или покупателя CIF
3) паковать: Паллет/случай переклейки

Контакт:
Администраторов по сбыту: Грейс Zhang
CO. ШТУЦЕРА ФЛАНЦА И ТРУБЫ ХЭБЭЯ XINFENG ВЫСОКОНАПОРНОЕ, LTD.
Добавьте.: Графство Mencun, город Cangzhou, провинция Хэбэя, Китай 061400
Чернь: 86 18031772015 (wechat, whatsapp)
Телефон: 86-317-6725755
Электронная почта: info4@hbxfgj.com
Skype: cangzhouzhangnan
вопросы и ответы:
1. Что ваше MOQ?
Нормально наше MOQ для каждого размера 1ton. Если вы думаете, то оно слишком много, мы может обсудить согласно вашему требованию в деталях.
2. Можете вы предложить свободный образец?
Да, мы можем обеспечить свободные образцы 150m - 200m.
3. Что ваш срок поставки?
Мы поставим в 30-45 днях
4. Можете вы принять смешанные продукты в одном контейнере?
Да, мы принимаем точно.