1: Синхронный и асинхронный двигатель с открытым/закрытым контуром, векторальное управление, управление V/F (с интегрированным PID)
2: Высокий выходный крутящий момент для бесшовного запуска двигателя при больших нагрузках
3: надежная функциональность и исключительные характеристики, подходящие для широкого спектра применений
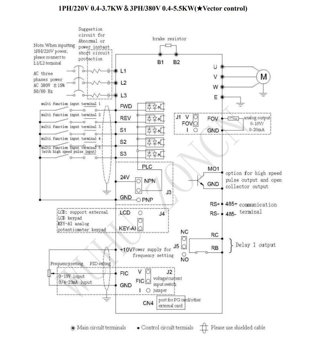
4: Совместима с различными типами карт PG
5: поддерживает функции немедленного остановки и запуска
6: компактный дизайн для легкой установки клиентом
7: опции напряжения включают 220v, 380v, 415v, 440v, 460v, с максимальной номинальной мощностью 450kw.
| Положение | Инвертор серии T9000 |
| Режим управления | Управление V/F;Управление вектором с открытой петлей (без PG);Управление вектором с закрытой петлей (с PG) |
| Максимальная частота | 0~600 Гц |
| Частота носителя | 0.5 кГц ~ 16 кГц Частота носителя автоматически регулируется на основе характеристик нагрузки. |
| Разрешение частоты ввода | Цифровая настройка:00,01 Гц Аналоговая настройка: Максимальная частота 0,025% |
| Начальный момент | Тип G: 0,5 Гц/150% ((SFVC) ; тип P: 0,5 Гц/100% |
| Диапазон скоростей | 100 (SVC) |
| Точность стабильности скорости | ± 0,5% ((SVC) |
| Мощность перегрузки | Тип G: 60 с при 150% номинального тока, 3 с при 180% номинального тока. P тип: 60 с при 120% номинального тока, 3 с при 150% номинального тока. |
| Увеличение крутящего момента | Автоматическое увеличение или индивидуальное увеличение 0,1% - 30,0% |
| В/Ф лечение | кривая VF прямолинейной линии; кривая VF многоточечной линии; кривая VF N-силы(1,2-силы,1.4 мощности,1.6 мощности,10,8 кв.м.) |
| Сепарация V/F | 2 типа: полное разделение;полуразделение |
| Режим пролёта | Прямолинейная рампа; четыре группы времени ускорения/замедления с диапазоном 0,00'6500.0s |
| Простой ПЛК, несколько предопределенных скоростей | Он реализует до 16 скоростей через простую функцию PLC или комбинацию терминальных состояний |
| Автоматическое регулирование напряжения | Он может поддерживать постоянное выходное напряжение автоматически, когда напряжение сети меняется |
| Предел скоростного тока | Это помогает избежать частых сбоев переменного тока. |
| Ограничение и регулирование крутящего момента | Он может автоматически ограничивать крутящий момент и предотвращать частые перенапряжения в процессе работы. |
| Поддержка нескольких карт PG | Поддержка дифференциальной входной карты PG, карты PG резюмера, карты PG вращающегося трансформатора |
| Предел скоростного тока | Это помогает избежать частых сбоев переменного тока. |
| Контроль времени | Диапазон времени:0.0мин ~6500.0мин |
· Вектора/ВФ управления:Да
· Управление вектором замкнутой цепи:Да
· Встроенный тормозный агрегат: Поддержка до 37 кВт, выше 45 кВт необязательно
· ускорение и замедление 0,1 с: Да
· Сменяемая панель:Да
· Выпуск высокоскоростного импульса:Да
· 24В питание:Да
· Тормозное действие постоянного тока:Да
· Функция STO:Да
· Профинет / RS485:Да
· Расширение I/O: Да
· Внешний фильтр набора:Да
· Внешнее тормозное сопротивление:Да
· Простая функция ПЛК:Да
· Электрический реактор: необязательно

Инвертор серии T9000 представляет собой передовое промышленное устройство управления с множеством преимуществ, особенно с точки зрения экономии энергии, защиты двигателя, регулирования скорости и повышения безопасности.
Во-первых, инвертор серии T9000 обеспечивает экономию энергии за счет точного регулирования скорости двигателя.Традиционный метод регулирования фиксированной скорости заставит двигатель работать на полной скорости, когда не работает нагрузкаИнвертор серии T9000 может интеллектуально регулировать скорость двигателя в соответствии с реальными потребностями, избегая траты энергии,Таким образом достигается эффект энергосбережения.
Во-вторых, инвертор серии T9000 имеет хорошую функцию защиты двигателя. Он может контролировать состояние работы двигателя, своевременно обнаруживать и справляться с перегрузкой двигателя, перегревом,перенапряжение и другие ненормальные условия, чтобы избежать повреждения двигателя из-за перегрузки, продлить срок службы двигателя.
Кроме того, инвертор серии T9000 также имеет функцию точного регулирования скорости. Он может точно регулировать скорость двигателя в соответствии с требованиями процесса или потребностями производственной линии,тем самым повышая гибкость и эффективность производственной линииНастраивая скорость двигателя, он может адаптироваться к различным рабочим нагрузкам и достичь более точного управления.
Наконец, приводы серии T9000 хорошо работают с точки зрения безопасности.У них есть различные функции защиты безопасности, такие как защита от перетока, защита от перегрузки, защита от короткого замыкания и т. Д.,может эффективно предотвратить повреждение двигателя и оборудования и защитить безопасность персонала.
Таким образом, инвертор серии T9000 имеет множество преимуществ в отрасли, особенно с точки зрения экономии энергии, защиты двигателя, регулирования скорости и повышения безопасности.Его применение может эффективно повысить эффективность и надежность промышленного производства, сократить потребление энергии и обеспечить более устойчивое развитие предприятий.
Q1: Каков ваш MOQ?
A: 1 п.ц.
Вопрос 2: Каковы ваши условия оплаты?
A: T / T 100% до доставки.
Q3: Каково ваше время доставки?
О:Обычно в течение 15 дней после получения полной оплаты.
Q4:Как я могу получить заказ OEM/ODM?
A: Если количество вашего заказа соответствует определенным требованиям, мы с радостью настроим его для вас.