Миниатюрный кварцевый ускоритель изгиба кварцевые вибрирующие инерционные датчики триаксиальные ускорители
Заявления
Измерение наклона бурения
Аэронавтика Аэронавтика
Инструменты Инерциальное оборудование
Особенности
Высокое разрешение
Высокая устойчивость
Высокая точность
Низкая мощность
Отличная способность к перегрузке
Небольшой объем
Низкая стоимость
Широкий диапазон измерений
Введение продукта
Кварцевый акселерометр JB1-05 - это датчик равновесия силы, точный инструмент, разработанный по принципу инерции. Ускорение преобразуется в тонкое смещение его перелома,и затем сбалансирована силой обратной связиПоскольку используется петля обратной силы, акселерометр обладает особенностями высокой точности, высокой устойчивости к ударам, широким диапазоном измерений и отличной способностью перегрузки.Это одно из самых важных устройств в инерциальной системе навигации и наведения..Кварцевый акселерометр состоит из габаритной головки, схемы возбуждения и схемы измерения частоты. Габаритная головка состоит из увлажняющей пластины,металлический маятник и чувствительный к силе кварцевый палок.

Характеристики производительности
| Нет, нет, нет. | Параметр JB1-05 | Стоимость |
| 1 | Диапазон | ±50 г |
| 2 | Предельное значение | 5 мкг |
| 3 | Уклонение K0/K1 | ≤ ± 7 мг |
| 4 | Коэффициент масштаба K1 | 10,3±0,2 мА/г |
| 5 | Нелинейный коэффициент второго порядкаK2 | ≤±30μg/g2 |
| 6 | Уклонение Повторяемость синтеза σK0 (1σ,1 месяц) | ≤ 50 мкг |
| 7 |
Фактор масштаба Повторяемость синтеза σK1/K1 (1σ,1месяц) |
≤ 50 ppm |
| 8 | Всеобъемлющая повторяемость нелинейных коэффициентов K2/K1 ((1σ,1 месяц) | ≤±30 мкг/г2 |
| 9 | Коэффициент температуры предвзятости | ≤±50 мкг /°C |
| 10 | Температурный коэффициент коэффициента шкалы | ≤±50 ppm /°C |
| 11 | Шум ((Резистор отбора проб 840Ω) | ≤ 8,4 мв |
| 12 | Естественная частота | 400-800 Гц |
| 13 | Пропускная способность | 800-2500 Гц |
| 14 | Случайные вибрации | 6g ((20-2000Hz) |
| 15 | Шок | 100 грамм,5 мс,1/2с |
| 16 | Диапазон температуры работы | -40 ~ + 85°C |
| 17 | Диапазон температуры хранения | -60 ~ + 120°C |
| 18 | Электрическое питание | ± 12 ~ ± 15 В |
| 19 | Текущее потребление | ≤ ± 20mA |
| 20 | Датчик температуры | PT1000 (необязательно) |
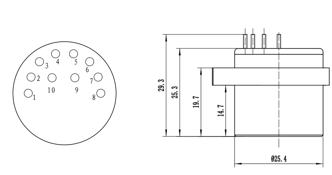
| 21 | Размер | Ф25.4х30мм |
| 22 | Вес | ≤ 80 г |
Размер


