Инерциальный акселерометр JB2, кварцевый вибрационный датчик...
50г Ускоритель одноосной высокоточной инерциальной навигации
Заявления
●Бурение и измерение наклона
●Аэронавтика и космонавтика
●Инструменты и оборудование
Введение продукта
Кварцевый гибкий акселерометр представляет собой высокоточный военный инерциальный акселерометр навигационного класса с отличной долгосрочной стабильностью, повторяемостью, работоспособностью при запуске,адаптируемость к окружающей среде и высокая надежностьОн может использоваться как для статического тестирования, так и для динамического тестирования.
Выходной ток продукта имеет линейную связь с полученной силой или ускорением,и пользователь может выбрать подходящий резистор для отбора проб с помощью вычислений для достижения высокоточного выходаВ соответствии с потребностями пользователя может быть встроен датчик температуры, который может быть использован для компенсации значения смещения и масштабного фактора для уменьшения влияния температуры окружающей среды.
Характеристики производительности
| Нет, нет, нет. | Параметры | QTA1-A | QTA1-B | QTA1-C |
| 1 | Диапазон | ±50 г | ±50 г | ±50 г |
| 2 | Предел | 5 мкг | 5 мкг | 5 мкг |
| 3 | Уклонение K0/К1 | ≤ ± 3 мг1 | ≤ ± 3 мг | ≤ ± 5 мг |
| 4 | Коэффициент масштаба K1 | 10,05 - 1,30 мА/г | 10,05 - 1,30 мА/г | 10,05 - 1,30 мА/г |
| 5 | Коэффициент нелинейности второго порядка K2 | ≤±10μg/g2 | ≤±15μg/g2 | ≤±20μg/g2 |
| 6 | 0g 4 часа краткосрочная стабильность | ≤ 10 мкг | ≤ 15 мкг | ≤ 20 мкг |
| 7 | 1g 4 часа краткосрочная стабильность | ≤ 10 ppm | ≤ 15 ppm | ≤ 20 ppm |
| 8 | Всеобъемлющая повторяемость предвзятости σK0(1σ,1 месяц) | ≤ 10 мкг | ≤ 20 мкг | ≤ 30 мкг |
| 9 | Всеобъемлющая повторяемость по шкале σK1/К1(1σ,1 месяц) | ≤ 15 ppm | ≤ 30 ppm | ≤ 50 ppm |
| 10 | Коэффициент нелинейности, всеобъемлющая повторяемость K2/К1(1σ, 1 месяц) | ≤±10 мкг/г2 | ≤±20 мкг/г2 | ≤±30 мкг/г2 |
| 11 | Тепловой коэффициент предвзятости (средний показатель полной температуры) | ≤ ± 10 мкг /°C | ≤±30 мкг /°C | ≤±50 мкг /°C |
| 12 | Тепловой коэффициент коэффициента шкалы (средний показатель полной температуры) | ≤ ± 10 ppm /°C | ≤±30 ppm /°C | ≤±50 ppm /°C |
| 13 | Шум (сопротивление отбора проб 840Ω) | ≤ 5 мв | ≤ 8,4 мв | ≤ 8,4 мв |
| 14 | Естественная частота | 400-800 Гц | 400-800 Гц | 400-800 Гц |
| 15 | Пропускная способность | 800-2500 Гц | 800-2500 Гц | 800-2500 Гц |
| 16 | Случайные вибрации | 6g ((20-2000Hz) | 6g ((20-2000Hz) | 6g ((20-2000Hz) |
| 17 | Влияние | 100 грамм,5 мс,1/2с | 100 грамм,5 мс,1/2с | 100 грамм,5 мс,1/2с |
| 18 | Работа временная. | -55 ~ + 85°C | -55 ~ + 85°C | -55 ~ + 85°C |
| 19 | Хранить температуру. | -60 ~ + 120°C | -60 ~ + 120°C | -60 ~ + 120°C |
| 20 | Электрическое питание | ± 12 ~ ± 15 В | ± 12 ~ ± 15 В | ± 12 ~ ± 15 В |
| 21 | Потребление тока | ≤ ± 20mA | ≤ ± 20mA | ≤ ± 20mA |
| 22 | Термодатчик | Настраиваемый | Настраиваемый | Настраиваемый |
| 23 | Размер | Ф25.4х30мм | Ф25.4х30мм | Ф25.4х30мм |
| 24 | Вес | ≤ 80 г | ≤ 80 г | ≤ 80 г |
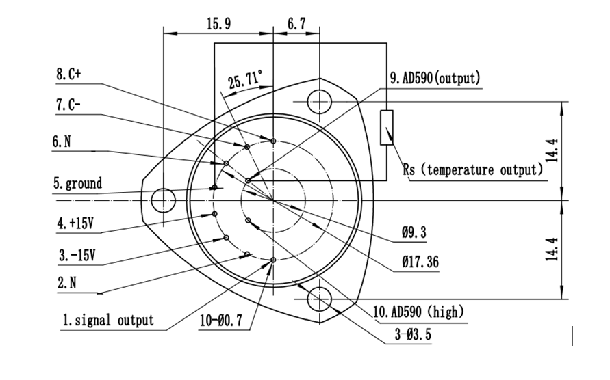
Размер

Обслуживание клиентов