акселерометра кварца оси акселерометра сгибания линеарностей датчик ускорения чувствительного одиночного малошумный
Особенности
●Низкое ●Low точности ●High стабильности ●High разрешения ●High запаздывания привести ●Excellent емкость в действие перегрузки
●Небольшое ●Low тома стоило ряд измерения ●Broad
Применения
●Сверлить и измерение наклонения
●Аеронавтика и астронавтика
●Аппаратуры и оборудование
Введение
Акселерометр кварца серии JB3 гибкий продукт миниатюризированный, высокоточный, больш-ряд военный инерциальной навигации ранга акселерометра с превосходной долгосрочной стабильностью, повторимость, представление запуска, экологическая приспособляемостьь и высокая надежность. Его можно использовать и для статический и динамический испытывать и также стандартный датчик вибрации.
Продукт принимает уникальный миниатюризированный дизайн и упаковывая процесс, и течение выхода имеет линейное отношение с силой или ускорение получило. Потребители могут выбрать соотвествующий пробуя резистор через вычисление для того чтобы достигнуть высокоточного выхода. Датчик температуры может быть встроен согласно потребностям пользователя, могущие понадобиться для того чтобы компенсировать смещенное значение и коэффициент эффекта масштаба для уменьшения влияния температуры окружающей среды.
Зоны применения: инерциальное измерение военных инерциальных навигационных систем в воздушно-космическом пространстве, авиации, кораблях, оружиях и других полях и испытании изоляции вибрации аппаратур и оборудования точности.
Режимные характеристики
| Нет. | Параметры | JB3-01 |
| 1 | Ряд | ±60g |
| 2 | Порог | 5μg |
| 3 | Косой k0/K1 | mg ≤±5 |
| 4 | Коэффициент эффекта масштаба k1 | 1.0±0.2 mA/g |
| 5 | Второй коэффициент k2 нелинейности заказа | ≤±30μg /g2 |
| 6 | 0g 4 часа недолгосрочной стабильности | μg ≤20 |
| 7 | 1g 4 часа недолгосрочной стабильности | ≤20 ppm |
| 8 | Косое всестороннее σK0 повторимости (1σ, 1 месяц) | μg ≤50 |
| 9 | ΣK1/K1 повторимости коэффициента эффекта масштаба всестороннее (1σ, 1 месяц) | ≤50 ppm |
| 10 | Повторимость k2/K1 коэффициента нелинейности всесторонняя (1σ, 1 месяц) | ≤±30 μg /g2 |
| 11 | Косой термальный коэффициент (полный temp. середина) | ≤±50 μg/℃ |
| 12 | Коэффициент коэффициента эффекта масштаба термальный (полный temp. середина) | ≤±80 ppm/℃ |
| 13 | Шум (пробуя сопротивление 840Ω) | ≤8.4mv |
| 14 | Естественная частота | 350~800 Hz |
| 15 | Ширина полосы частот | 800~2500 Hz |
| 16 | Случайная вибрация | 10g (20-2000Hz) |
| 17 | Удар | 150g, 5ms, 1/2sin |
| 18 | Работая temp. | -55~+85℃ |
| 19 | Temp магазина. | -60~+120℃ |
| 20 | Электропитание | ±12~±15V |
| 21 | Уничтожьте настоящее | ≤±20mA |
| 22 | Термальный датчик | Ориентированный на заказчика |
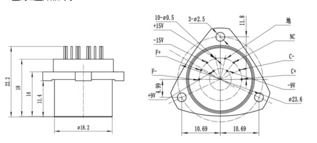
| 23 | Размер | Ф18.2X23mm |
| 24 | Вес | ≤30g |
Размеры

Проверка качества
вопросы и ответы
1. Как могу я сделать заказ заказ?
Пожалуйста обеспечьте детали технических требований как можно ясных, тогда мы можем отправить вами соответствующее предложение на в первый раз.
2. Что вроде продукты мы обеспечиваем?
Инерциальный датчик, датчик навигации, акселерометр, гироскоп, IMU, INS, испытательное оборудование и так далее.
3. Как о гарантии?
Мы имеем 1 лет гарантии и пожизненное обслуживание
4. Что ваши сроки поставок?
Мы принимаем EXW, ОБМАНЫВАЕМ, CFR, CIF, DDU, DDP, etc. вы можете выбрать одно которое самые удобные или рентабельно для вас.