Акселерометр сгибания навигации повторимости хорошего акселерометра кварца долгосрочной стабильности высокий
Особенности
Низкое запаздывание
Высокое разрешение
Высокая стабильность
Высокая точность
Низкая мощность
Превосходная емкость перегрузки
Небольшой том
Низкая цена
Широкий ряд измерения
Применения
Сверлить и измерение наклонения
Аеронавтика и астронавтика
Аппаратуры и оборудование
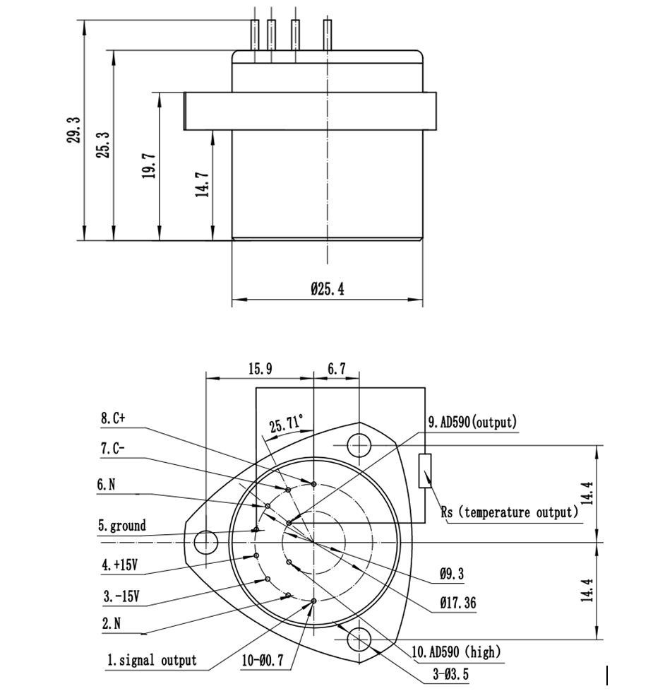
Режимные характеристики
| Нет. | Параметры | JB2-02 |
| 1 | Ряд | ±70g |
| 2 | Порог | 5μg |
| 3 | Косой k0/K1 | mg ≤±3 |
| 4 | Коэффициент эффекта масштаба k1 | 0.8~1.5 mA/g |
| 5 | Второй коэффициент k2 нелинейности заказа | ≤±15μg /g2 |
| 6 | 0g 4 часа недолгосрочной стабильности | μg ≤15 |
| 7 | 1g 4 часа недолгосрочной стабильности | ≤15 ppm |
| 8 | Косое всестороннее σK0 повторимости (1σ, 1 месяц) | μg ≤20 |
| 9 | ΣK1/K1 повторимости коэффициента эффекта масштаба всестороннее (1σ, 1 месяц) | ≤30 ppm |
| 10 | Повторимость k2/K1 коэффициента нелинейности всесторонняя (1σ, 1 месяц) | ≤±20 μg /g2 |
| 11 | Косой термальный коэффициент (полный temp. середина) | ≤±30 μg/℃ |
| 12 | Коэффициент коэффициента эффекта масштаба термальный (полный temp. середина) | ≤±30 ppm/℃ |
| 13 | Шум (пробуя сопротивление 840Ω) | ≤5mv |
| 14 | Естественная частота | 400~800 Hz |
| 15 | Ширина полосы частот | 800~2500 Hz |
| 16 | Случайная вибрация | 6g (20-2000Hz) |
| 17 | Удар | 100g, 5ms, 1/2sin |
| 18 | Работая temp. | -55~+85℃ |
| 19 | Temp магазина. | -60~+120℃ |
| 20 | Электропитание | ±12~±15V |
| 21 | Уничтожьте настоящее | ≤±20mA |
| 22 | Термальный датчик | Ориентированный на заказчика |
| 23 | Размер | Ф25.4X30mm |
| 24 | Вес | ≤80g |
Размеры
