Измерителя вибраций кварца акселерометра Кварц-сгибания акселерометр сейсмического аморфического динамический для инерциальной навигации
Описание
JB3 отличает запатентованной системой вытравлять-кварц-сгибания Q-flex& сейсмической. Аморфическая структура доказательств-массы кварца обеспечивает превосходные смещение, коэффициент эффекта масштаба, и повторимость совмещения осей.
Объединенная электроника начинает ускорени-пропорциональное течение выхода предусматривая и статическое и динамическое измерение ускорения. При помощи клиента поставленный резистор нагрузки выхода, соотвественно масштабированный для ряда ускорения применения, течение выхода можно преобразовать в напряжение тока.
Особенности
1. Превосходное представление повторимости включения
2. Экологически изрезанный
3. Аналогового выхода
4. Ряд поля регулируемый
5. Более небольшой размер плана (£30gram)
Индексируйте таблицу
|
|
Параметр |
JB3-01 |
JB3-02 |
JB3-03 |
|
1 |
измеряя ряд |
±60g |
±60g |
±60g |
|
2 |
Пороговое значение |
10μg |
10μg |
10μg |
|
3 |
Значение k0/k1 отступления |
≤ (mg ±10) |
≤ (mg ±10) |
≤ (mg ±10) |
|
4 |
Коэффициент эффекта масштаба k1 |
1.2±0.2 mA/g |
1.2±0.2 mA/g |
0.5~0.7mA/g |
|
5 |
Второстепенное нелинейное coefficientK2 |
≤±20μg /g2 |
≤±30μg /g2 |
≤±20μg /g2 |
|
6 |
стабильность 0g 4 h недолгосрочная |
μg ≤20 |
μg ≤30 |
μg ≤20 |
|
7 |
стабильность 1g 4 h недолгосрочная |
≤20 ppm |
≤30 ppm |
≤20 ppm |
|
8 |
Повторимость отступления valueComprehensive |
μg ≤40 |
μg ≤80 |
μg ≤40 |
|
9 |
Повторимость масштаба factorComprehensive |
≤50ppm |
≤100 ppm |
≤50ppm |
|
10 |
Нелинейное coefficientComprehensive repeatabilityk2/k1 (1σ, 1 месяц) |
≤±20 μg /g2 |
≤±30 μg /g2 |
≤±20 μg /g2 |
|
11 |
Коэффициент valueTemperature отступления |
≤±30 μg/℃ |
≤±50 μg/℃ |
≤±30 μg/℃ |
|
12 |
Коэффициент factorTemperature масштаба |
≤±50 ppm/℃ |
≤±100 ppm/℃ |
≤±50 ppm/℃ |
|
13 |
шум (пробовать сопротивление 840Ω) |
≤4mv |
≤8.4mv |
≤4mv |
|
14 |
Естественная частота |
350~800 Hz |
350~800 Hz |
350~800 Hz |
|
15 |
ширина полосы частот |
800~2500 Hz |
800~2500 Hz |
800~2500 Hz |
|
16 |
вибрация |
5g (20-2000Hz) |
5g (20-2000Hz) |
5g (20-2000Hz) |
|
17 |
Сотрясите (0.5ms, 1/2sin) |
150g |
150g |
150g |
|
18 |
Работая temperaturemeasuring ряд |
-40-+85℃ |
-40-+85℃ |
-40-+85℃ |
|
19 |
ряд хранения temperaturemeasuring |
-60-+120℃ |
-60-+120℃ |
-60-+120℃ |
|
20 |
приведенный в действие |
±12~±15V |
±12~±15V |
±12~±15V |
|
21 |
Текущее потребление |
£±20mA |
£±20mA |
£±20mA |
|
22 |
размер |
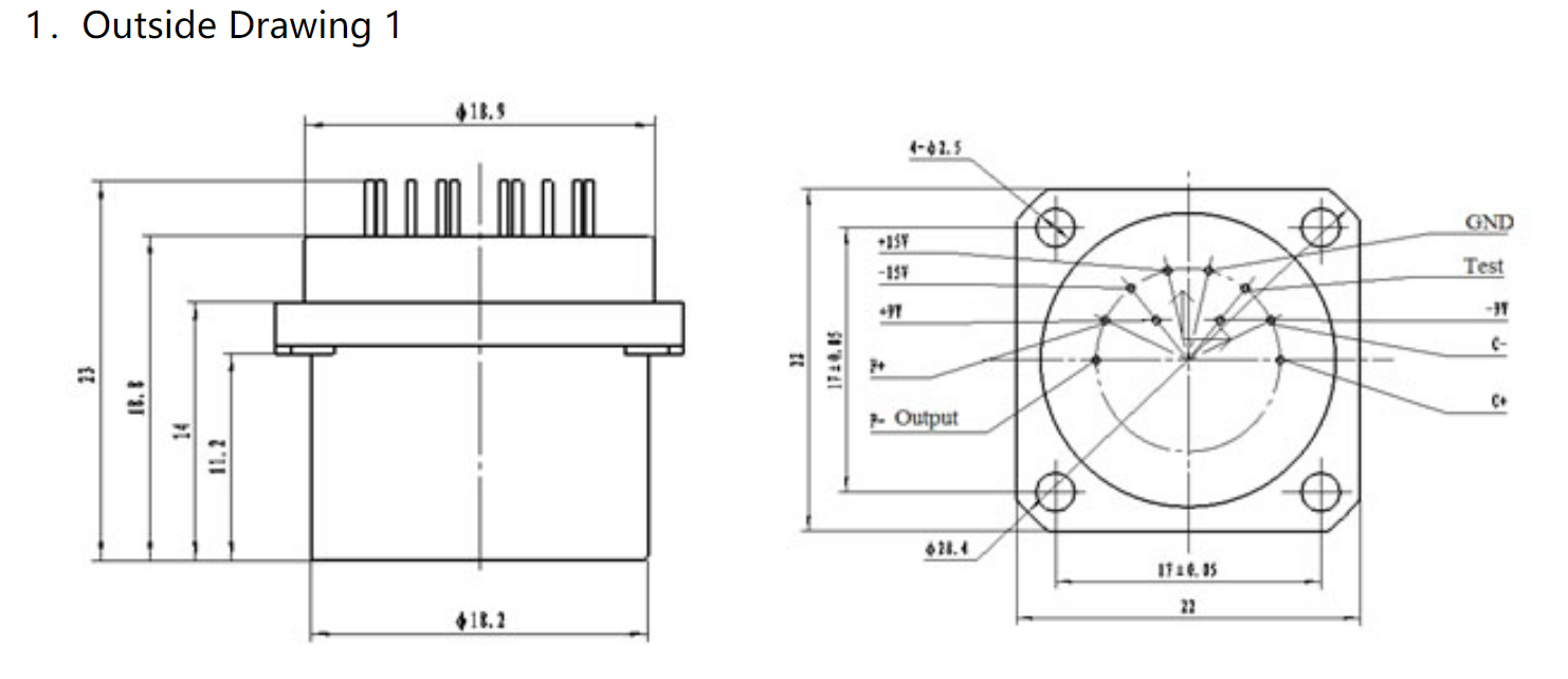
Ф18.2X23mm |
Ф18.2X23mm |
Ф18.2X23mm |
|
23 |
вес |
£30gram |
£30gram |
£30gram |
Размер

Введение
Семья акселерометра JB3 использует датчики уникального кварца гибкие. Небольшой акселерометр конструирован для измерения инерциальных ускорений в космической окружающей среде, это преобладающий датчик используемый в инерциальных навигационных системах ремня-вниз рекламы и военных самолетов фарфора. Долгосрочная повторимость и главные характеристики надежности JB3 сделать им самый лучший акселерометр инерциальн-степени значения доступным на рынке сегодня.
Ось гибкого акселерометра кварца JB3 одиночная анальная…